电脑桌面
添加小米粒文库到电脑桌面
安装后可以在桌面快捷访问

脚手架拆除专项施工方案

脚手架拆除专项施工方案_第1页
1/13
脚手架拆除专项施工方案_第2页
2/13
脚手架拆除专项施工方案_第3页
3/13
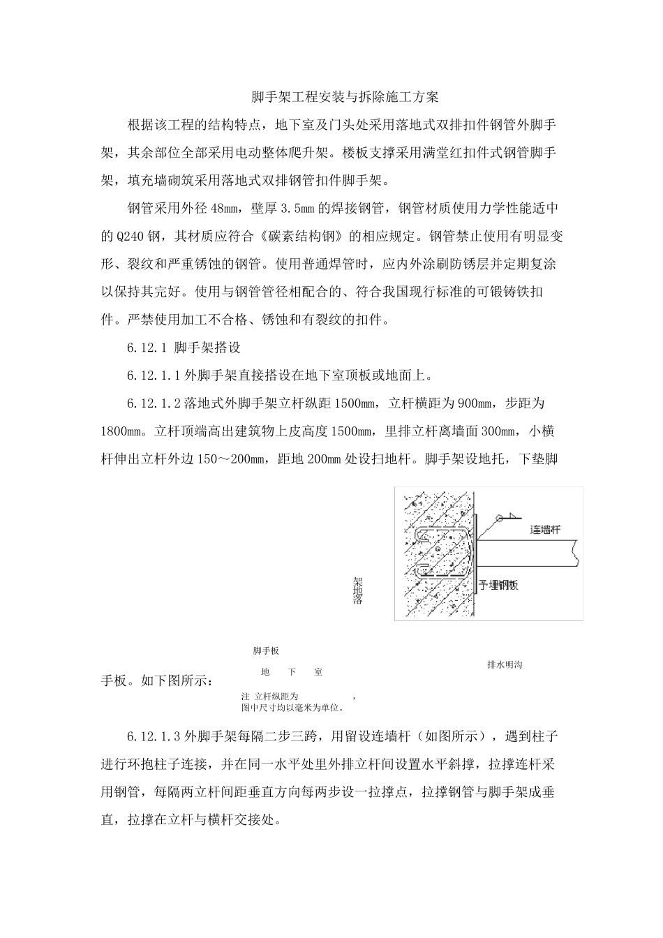
脚手架工程安装与拆除施工方案 根据该工程的结构特点,地下室及门头处采用落地式双排扣件钢管外脚手架,其余部位全部采用电动整体爬升架。楼板支撑采用满堂红扣件式钢管脚手架,填充墙砌筑采用落地式双排钢管扣件脚手架。 钢管采用外径48mm,壁厚3.5mm 的焊接钢管,钢管材质使用力学性能适中的Q240 钢,其材质应符合《碳素结构钢》的相应规定。钢管禁止使用有明显变形、裂纹和严重锈蚀的钢管。使用普通焊管时,应内外涂刷防锈层并定期复涂以保持其完好。使用与钢管管径相配合的、符合我国现行标准的可锻铸铁扣件。严禁使用加工不合格、锈蚀和有裂纹的扣件。 6.12.1 脚手架搭设 6.12.1.1 外脚手架直接搭设在地下室顶板或地面上。 6.12.1.2 落地式外脚手架立杆纵距1500mm,立杆横距为900mm,步距为1800mm。立杆顶端高出建筑物上皮高度1500mm,里排立杆离墙面300mm,小横杆伸出立杆外边150~ 200mm,距地200mm 处设扫 地杆。脚手架设地托 ,下垫 脚手板。如 下图 所 示 : 6.12.1.3 外脚手架每 隔 二 步三 跨 ,用留 设连 墙杆( 如 图 所 示 ) ,遇 到 柱 子进 行环 抱 柱 子 连 接,并在同 一 水 平 处里外排立杆间 设置 水 平 斜 撑,拉 撑连 杆采用钢管,每 隔 两 立杆间 距垂 直方向 每 两 步设一 拉 撑点,拉 撑钢管与脚手架成 垂直,拉 撑在立杆与横杆交 接处。 注立杆纵距为,图 中尺 寸 均 以毫 米 为单 位。排水 明沟脚手板落地架地 下 室5说明:1--底部桁架2--立网3--主框架4--跳板5--水平网6--水平网、跳板652334446.12.1.4 外檐电动爬架 根椐工程结构情况,爬架采取分体电动升降,1#﹑4#各布置26 个升降机位,分2 个升降单元;2#楼布置29 个升降机位,分2 个升降单元;3#﹑5#共布置31 个升降机位,分2 个升降单元;6#﹑7#、8#各布置26 个升降机位,分2个升降单元。 从第一层底部搭设安装平台,搭设底部桁架,开始安装主框架下节及中节,调试架体并根据主框架中心线,预留螺栓孔或预埋件。第二层结构砼强度标号达到10MPa 时,即可安装主框架支座并搭设架体,第三标准层施工时就可用爬架进行主体施工,第三标准层结构砼强度标号达到10MPa 以上时,即可安装防倾支座,第四标准层结构砼强度标号达到10MPa 时,既可对架体进行提升,进行上一层的施工。 爬架体以主框架为骨架采用扣件钢管搭设,架体高度=楼层高×4+1.5m,宽度0.9 米。根据示...

1、当您付费下载文档后,您只拥有了使用权限,并不意味着购买了版权,文档只能用于自身使用,不得用于其他商业用途(如 [转卖]进行直接盈利或[编辑后售卖]进行间接盈利)。
2、本站所有内容均由合作方或网友上传,本站不对文档的完整性、权威性及其观点立场正确性做任何保证或承诺!文档内容仅供研究参考,付费前请自行鉴别。
3、如文档内容存在违规,或者侵犯商业秘密、侵犯著作权等,请点击“违规举报”。

碎片内容

脚手架拆除专项施工方案

您可能关注的文档

确认删除?
VIP
微信客服
  • 扫码咨询
会员Q群
  • 会员专属群点击这里加入QQ群
客服邮箱
回到顶部