电脑桌面
添加小米粒文库到电脑桌面
安装后可以在桌面快捷访问

航空发动机叶片加工

航空发动机叶片加工_第1页
1/6
航空发动机叶片加工_第2页
2/6
航空发动机叶片加工_第3页
3/6
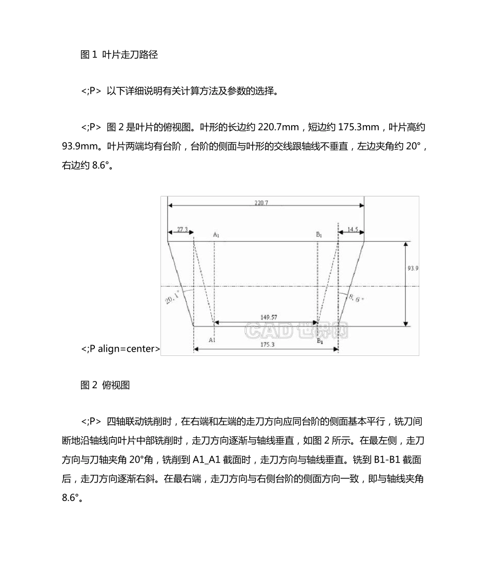
航 空 发 动 机 叶 片 加 工 <> 本 文 是 MasterCAM 软 件 在 航 空 领 域 的 一 个 应 用 案 例 。 文 章 从 飞 机 发 动 机 叶 片的 形 状 特 点 、加 工 过 程 中 的 难 点 、加 工 的 具 体 方 案 与 步 骤 , 以 及 MasterCAM 软 件 的 多 轴铣 功 能 等 方 面 进 行 了 全 面 的 叙 述 。 <> 一 、概述 <> 飞 机 发 动 机 的 叶 片 大 小 不 同 ,形 状 各 异 :从 尺 寸 上 看 ,大 的 叶 片 有 250×60×10,小 的 只 有 30×10×5;从 形 状 上 看 , 带 阻 风 台 结 构 的 稍 复 杂 一 些 , 需 五 轴 联 动 铣 削 ;不 带 阻风 台 的 , 用 四 轴 加 工 即 可 。 所 有 叶 片 都 有 一 个 特 点 : 薄 , 加 工 时 易 变 形 。 <;P> 叶 片 的 毛 坯 均 为 合 金 铸 件 , 加 工 工 序 比 较 复 杂 , 从 图 纸 到 成 品 , 一 般 都 要 经 过40~ 60 个 工 序 。 目 前 , 发 动 机 叶 片 ( 叶 背 、叶 盆 ) 的 加 工 , 大 多 采 用 三 轴 铣 削 , 即 在 立 式铣 削 中 心 ( 带 旋 转 工 作 台 ) 先 铣 叶 背 , 然 后 转 180゜ , 再 铣 叶 盆 。 进 汽 边 、出 汽 边 以 及 叶根 , 在 后 续 的 工 序 中 再 处 理 。 这 种 铣 削 方 法 装 卡 次 数 多 , 加 工 效 率 低 , 并 且 加 工 后 叶 片 变形 大 , 叶 片 截 面 形 状 与 原 设 计 有 较 大 误 差 。 <;P> 如 果 采 用 四 轴 联 动 铣 削 , 一 次 装 卡 就 可 把 叶 背 、叶 盆 、进 出 汽 边 以 及 叶 根 同 时加 工 出 来 , 并 且 加 工 后 的 叶 片 变 形 也 很 小 。 如 果 走 刀 路 径 设 计 的 合 理 , 加 工 后 叶 片 表 面 的光 洁 度 高 , 后 续 的 辅 助 工 序 可 以 取 消 或 减 化 , 进 汽 边 和 出 汽 边 也 无 需 再 处 理 。 从 整 体 来 看 , 叶 片 的 加 工 质 量 和 效 率 都 会 大 为 提 高 。 <;P> 四 轴 铣 削 叶 片 , 理 想...

1、当您付费下载文档后,您只拥有了使用权限,并不意味着购买了版权,文档只能用于自身使用,不得用于其他商业用途(如 [转卖]进行直接盈利或[编辑后售卖]进行间接盈利)。
2、本站所有内容均由合作方或网友上传,本站不对文档的完整性、权威性及其观点立场正确性做任何保证或承诺!文档内容仅供研究参考,付费前请自行鉴别。
3、如文档内容存在违规,或者侵犯商业秘密、侵犯著作权等,请点击“违规举报”。

碎片内容

航空发动机叶片加工

确认删除?
VIP
微信客服
  • 扫码咨询
会员Q群
  • 会员专属群点击这里加入QQ群
客服邮箱
回到顶部