电脑桌面
添加小米粒文库到电脑桌面
安装后可以在桌面快捷访问

节能工程检验批质量监理平行检验验收表

节能工程检验批质量监理平行检验验收表_第1页
1/15
节能工程检验批质量监理平行检验验收表_第2页
2/15
节能工程检验批质量监理平行检验验收表_第3页
3/15
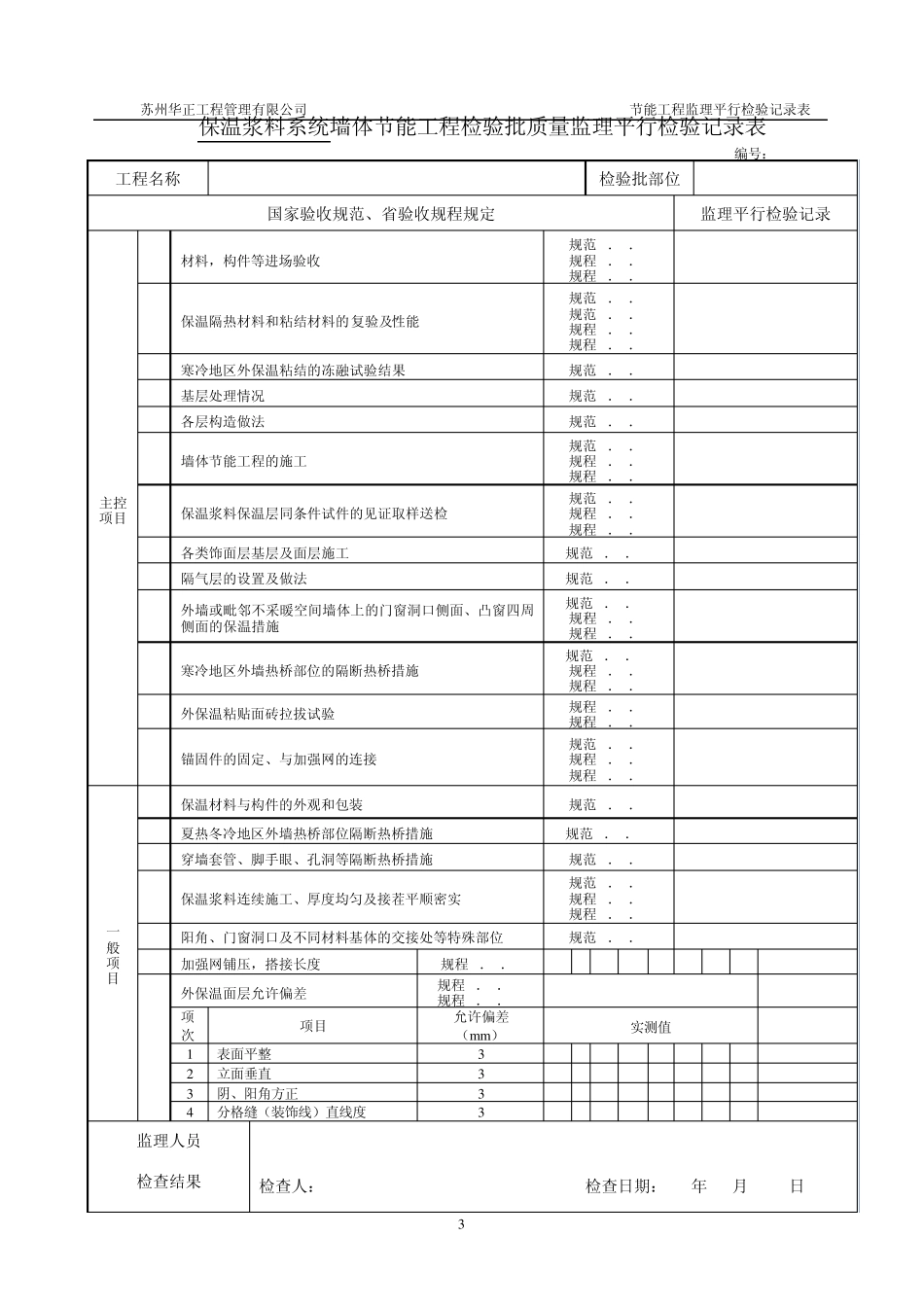
苏州华正工程管理有限公司 节能工程监理平行检验记录表 1 聚苯板外保温系统墙体节能工程检验批质量监理平行检验记录表 编号: 工程名称 检验批部位 国家验收规范、省验收规程规定 监理平行检验记录 主控项 目 1 材料,构件等进场验收 规范4.2.1 规程4.2.1 2 保温隔热材料和粘结材料的复验及性能 规范4.2.2 规范4.2.3 规程4.2.1 3 寒冷地区外保温粘结的冻融试验结果 规范4.2.4 4 基层处理情况 规范4.2.5 5 各层构造做法 规范4.2.6 11 寒冷地区外墙热桥部位的隔断热桥措施 规范4.2.15 规程4.2.5 12 外保温粘贴面砖拉拔试验 规程4.2.8 13 锚固件的固定、与加强网的连接 规范4.3.2 规程4.2.7 一 般 项 目 1 保温材料与构件的外观和包装 规范4.3.1 2 聚苯板安装错缝、拼缝、接缝处理 规程4.2.9 3 夏热冬冷地区外墙热桥部位隔断热桥措施 规范4.3.3 规程4.2.10 4 加强网铺压,搭接长度 规程4.2.12 5 穿墙套管、脚手眼、孔洞等隔断热桥措施 规范4.3.4 6 阳角、门窗洞口及不同材料基体的交接处等特殊部位 规范4.3.7 规程4.2.12 苏州华正工程管理有限公司 节能工程监理平行检验记录表 2 7 聚苯板安装允许偏差 规程4.2.11 项次 项目 允许偏差 (m m ) 实测值 1 表面平整 3 2 立面垂直 3 3 阴、阳角垂直 3 4 阳角方正 3 5 接槎高差 1 8 外保温面层允许偏差 规程4.2.13 / / 项次 项目 允许偏差 (m m ) 实测值 1 表面平整 3 2 立面垂直 3 3 阴、阳角方正 3 4 分格缝(装饰线)直线度 3 监理人员 检查结果 检查人: 检查日期: 年 月 日 苏州华正工程管理有限公司 节能工程监理平行检验记录表 3 保温浆料系统墙体节能工程检验批质量监理平行检验记录表 编号: 工程名称 检验批部位 国家验收规范、省验收规程规定 监理平行检验记录 主控项目 1 材料,构件等进场验收 规范4.2.1 规程4.3.1 规程4.4.1 2 保温隔热材料和粘结材料的复验及性能 规范4.2.2 规范4.2.3 规程4.3.1 规程4.4.1 3 寒冷地区外保温粘结的冻融试验结果 规范4.2.4 4 基层处理情况 规范4.2.5 5 各层构造做法 规范4.2.6 6 墙体节能工程的施工 规范4.2.7 规程4.3.2 规程4.4.2 7 保温浆料保温层同条件试件的见证取样送检 规范4.2.9 规程4.3.3 规...

1、当您付费下载文档后,您只拥有了使用权限,并不意味着购买了版权,文档只能用于自身使用,不得用于其他商业用途(如 [转卖]进行直接盈利或[编辑后售卖]进行间接盈利)。
2、本站所有内容均由合作方或网友上传,本站不对文档的完整性、权威性及其观点立场正确性做任何保证或承诺!文档内容仅供研究参考,付费前请自行鉴别。
3、如文档内容存在违规,或者侵犯商业秘密、侵犯著作权等,请点击“违规举报”。

碎片内容

节能工程检验批质量监理平行检验验收表

您可能关注的文档

确认删除?
VIP
微信客服
  • 扫码咨询
会员Q群
  • 会员专属群点击这里加入QQ群
客服邮箱
回到顶部