电脑桌面
添加小米粒文库到电脑桌面
安装后可以在桌面快捷访问

节能设计专篇

节能设计专篇_第1页
1/7
节能设计专篇_第2页
2/7
节能设计专篇_第3页
3/7
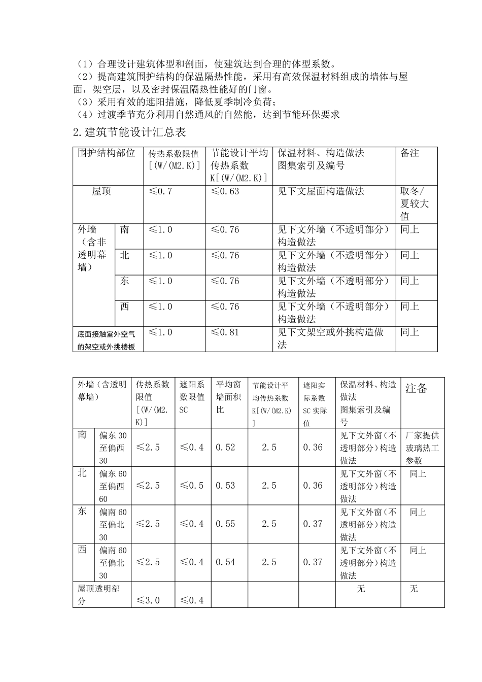
节能设计专篇 一 设计依据 1.《公共建筑节能依据标准》(GB50189-2005) 2.《民用建筑热工设计规范》(GB50176-93) 二 本地区节能规范和计划要求 1.公共建筑通过增强建筑围护结构保温和隔热性能和提高采暖,空调设备能效率比的节能措施,保证在相同的热舒适及室内热湿环境参数条件下,与未采取节能措施前相比,采暖,通风,空调,照明的总耗能应减少50%。 2.外围护结构必须满足《公共建筑节能设计标准》表4.2.2-4 的规定,具体参见下表: 夏热冬冷地区围护结构传热系数和遮阳系数限值 围护结构部位 传热系数限值K [W/(M2.K)] 屋顶 ≤0.8 外墙(包括非透明幕墙) ≤1.0 地面接触室外空气的架空或外挑楼板 ≤1.0 外窗(包括透明幕墙) 传热系数限值K [(W/(M2.K)] 遮阳系数SC (东、南、西/北向) 单一朝向外窗 (包括透明幕墙) 比≤0.2 ≤4.7 - 0.2<比≤0.3 ≤3.5 ≤0.55/- 0.3<比≤0.4 ≤3.0 ≤0.50/0.6 0.4<比≤0.5 ≤2.8 ≤0.45/0.55 0.5<比≤0.7 ≤2.5 ≤0.40/0.50 屋顶透明部分 ≤3.0 ≤0.4 3.外窗的气密性不应低于《建筑外窗气密性能分级及检测方法》(GB7107)规定的4 级,透明幕墙的气密性不应低于《建筑幕墙物理性能分级》(GB/T15225)规定的4 级。 4.不同气候区地面和地下室围墙热阻限值 夏热冬冷地区 地面(建筑基础持力层以上) ≥1.2 地下室外墙(与土壤接触的墙) ≥1.2 三 建筑部分 1.设计原 则 (1)合理设计建筑体型和剖面,使建筑达到合理的体型系数。 (2)提高建筑围护结构的保温隔热性能,采用有高效保温材料组成的墙体与屋面,架空层,以及密封保温隔热性能好的门窗。 (3)采用有效的遮阳措施,降低夏季制冷负荷; (4)过渡季节充分利用自然通风的自然能,达到节能环保要求 2.建筑节能设计汇总表 围护结构部位 传热系数限值 [(W/(M2.K)] 节能设计平均传热系数 K[(W/(M2.K)] 保温材料、构造做法 图集索引及编号 备注 屋顶 ≤0.7 ≤0.63 见下文屋面构造做法 取冬/夏较大值 外墙(含非透明幕墙) 南 ≤1.0 ≤0.76 见下文外墙(不透明部分)构造做法 同上 北 ≤1.0 ≤0.76 见下文外墙(不透明部分)构造做法 同上 东 ≤1.0 ≤0.76 见下文外墙(不透明部分)构造做法 同上 西 ≤1.0 ≤0.76 见下文外墙(不透明部分)构造做法 同上 底面接触室外空气的架空或外挑楼板 ≤1.0 ≤0.81 见下文架空或外挑构造做法 同上...

1、当您付费下载文档后,您只拥有了使用权限,并不意味着购买了版权,文档只能用于自身使用,不得用于其他商业用途(如 [转卖]进行直接盈利或[编辑后售卖]进行间接盈利)。
2、本站所有内容均由合作方或网友上传,本站不对文档的完整性、权威性及其观点立场正确性做任何保证或承诺!文档内容仅供研究参考,付费前请自行鉴别。
3、如文档内容存在违规,或者侵犯商业秘密、侵犯著作权等,请点击“违规举报”。

碎片内容

节能设计专篇

您可能关注的文档

确认删除?
VIP
微信客服
  • 扫码咨询
会员Q群
  • 会员专属群点击这里加入QQ群
客服邮箱
回到顶部