电脑桌面
添加小米粒文库到电脑桌面
安装后可以在桌面快捷访问

花卉大棚喷灌系统设计方案图纸

花卉大棚喷灌系统设计方案图纸_第1页
1/7
花卉大棚喷灌系统设计方案图纸_第2页
2/7
花卉大棚喷灌系统设计方案图纸_第3页
3/7
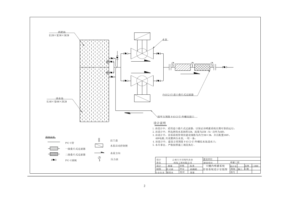
1 智能温室大棚大棚建设布置图根据以上布局平整土地,可建成6m*30m标准大棚120栋/2008年12月10日 2 大棚内喷灌系统首部系统设计安装图图例说明PVC-U管一级叠片式过滤器二级叠片式过滤器PVC-U球阀压力表法兰盘水泵启动控制柜接甲方预留∮63(2寸)外螺纹接口水泵药肥池长2M×宽3M×深2M清水池长4M×宽6M×深2M1.该设计中,采用进口叠片式过滤器,以保证该喷灌系统长期可靠的运行;2.该设计中,所选择的水泵扬程32M,流量为25M /H,功率为4KW;3.该设计中,首部系统管理房建设规格为内空3M×3M,并且配置380V、 4KW电源,共设置两台水泵,一用一备;4.该设计中,建设方须预留∮63(2寸)外螺纹水池进水口;5.未尽事宜,严格按照施工规范执行。设计说明3∮63(2寸)进口叠片式过滤器水流方向设计单位设计制图专业负责云南大丰田现代农业 科技工程有限公司审核审定校对建设单位建设项目设计号图别图号比例日期施工1:1000赵越超郭豪郭豪杜义波廖招永张勇喷灌工程 3 设计说明:1、该设计中,选用灌溉专用的PVC-U管,该管道承压1.0MPa,安装时 埋设在40CM深的管道沟内;2、该设计中,30M长区域微喷头在PE管上的安装间距为3M,温室棚 头的两个喷头安装位置距离棚头均为1.5M;3、该设计中,选用国产旋转式喷洒微喷头,并配套止漏阀及吊挂毛 管,该微喷头有效喷射半径为3M-3.5M,流量105L/H,正常工作压 力0.2-0.3MPa;4、该设计中,未标注尺寸单位均为M;5、未尽事宜,严格按照有关施工规范执行。图例说明PVC-U管PE管∮32PVC-U主管或∮63PVC-U主管∮20PVC-U球阀∮20PE管∮20PE管∮20PVC-U管PE管安装示意图喷头安装示意图设计单位设计制图专业负责云南大丰田现代农业 科技工程有限公司审核审定校对建设单位建设项目设计号图别图号比例日期施工1:1000赵越超郭豪郭豪杜义波廖招永张勇 大棚内喷灌系统 设计安装图喷灌工程 4 大棚喷灌系统设计方案 第一部份 设计概述 一、项目概况: 本项目拟建成大棚上喷灌21600 ㎡(120 个6×30M 大棚),是整个园区规划的一部分。 业主提供引入大棚区药肥池的水源及水泵所需的 380V 电源,水源质量较好,可直接引入灌溉系统;水源离灌溉目的地距离较近,不大于 50M。 二、总体设计思路: 本灌溉系统的总体设计思路是:低造价、长寿命、操作便利、节省人力、喷洒流畅、流量均匀、抗堵性能好。 第二部份 设计方案 1、设计依据 本系统符合以下标准: GBJ85-85 《喷灌工程技术规范》 SL103-95 《微灌工...

1、当您付费下载文档后,您只拥有了使用权限,并不意味着购买了版权,文档只能用于自身使用,不得用于其他商业用途(如 [转卖]进行直接盈利或[编辑后售卖]进行间接盈利)。
2、本站所有内容均由合作方或网友上传,本站不对文档的完整性、权威性及其观点立场正确性做任何保证或承诺!文档内容仅供研究参考,付费前请自行鉴别。
3、如文档内容存在违规,或者侵犯商业秘密、侵犯著作权等,请点击“违规举报”。

碎片内容

花卉大棚喷灌系统设计方案图纸

确认删除?
VIP
微信客服
  • 扫码咨询
会员Q群
  • 会员专属群点击这里加入QQ群
客服邮箱
回到顶部