电脑桌面
添加小米粒文库到电脑桌面
安装后可以在桌面快捷访问

临时用电施工组织设计方案

临时用电施工组织设计方案_第1页
1/12
临时用电施工组织设计方案_第2页
2/12
临时用电施工组织设计方案_第3页
3/12
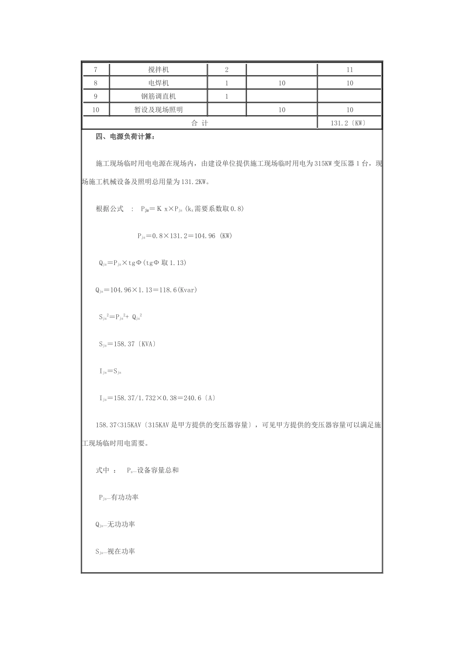
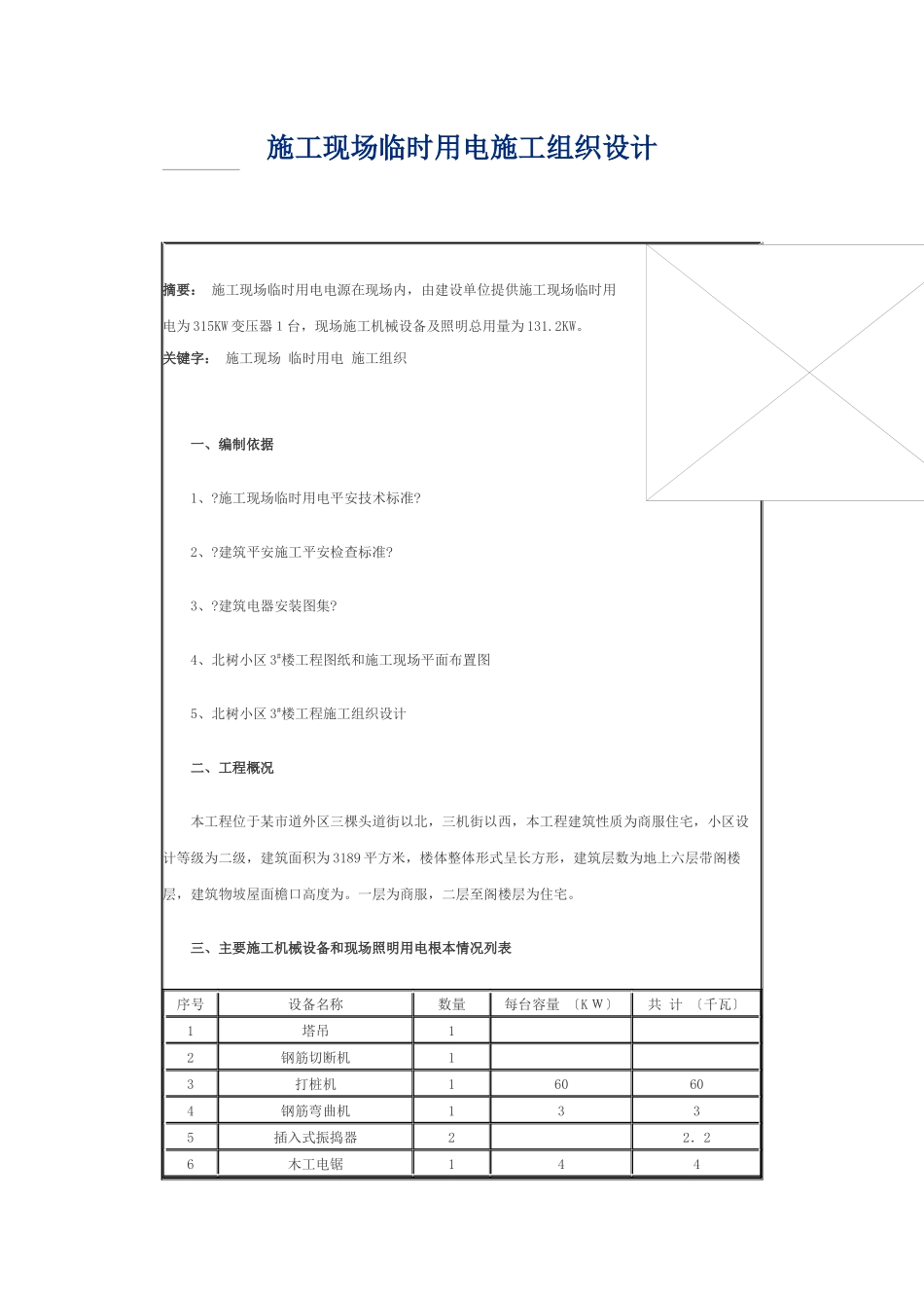
施工现场临时用电施工组织设计 摘要: 施工现场临时用电电源在现场内,由建设单位提供施工现场临时用电为 315KW 变压器1台,现场施工机械设备及照明总用量为 131.2KW。关键字: 施工现场 临时用电 施工组织 一、编制依据 1、?施工现场临时用电平安技术标准? 2、?建筑平安施工平安检查标准? 3、?建筑电器安装图集? 4、北树小区 3#楼工程图纸和施工现场平面布置图 5、北树小区 3#楼工程施工组织设计 二、工程概况 本工程位于某市道外区三棵头道街以北,三机街以西,本工程建筑性质为商服住宅,小区设计等级为二级,建筑面积为 3189 平方米,楼体整体形式呈长方形,建筑层数为地上六层带阁楼层,建筑物坡屋面檐口高度为。一层为商服,二层至阁楼层为住宅。 三、主要施工机械设备和现场照明用电根本情况列表序号设备名称数量每台容量 〔K W〕共 计 〔千瓦〕1塔吊12钢筋切断机13打桩机160604钢筋弯曲机1335插入式振捣器22.26木工电锯1447搅拌机2118电焊机110109钢筋调直机110暂设及现场照明1010合 计131.2〔KW〕 四、电源负荷计算: 施工现场临时用电电源在现场内,由建设单位提供施工现场临时用电为 315KW 变压器1台,现场施工机械设备及照明总用量为 131.2KW。 根据公式 : Pjs=K x×Pjs (kx需要系数取 0.8) Pjs=0.8×131.2=104.96 (KW) Qjs=Pjs×tgФ(tgФ 取 1.13) Qjs=104.96×1.13=118.6(Kvar) Sjs2=Pjs2+ Qjs2 Sjs=158.37〔KVA〕 Ijs=Sjs Ijs=158.37/1.732×0.38=240.6〔A〕 158.37<315KAV〔315KAV 是甲方提供的变压器容量〕,可见甲方提供的变压器容量可以满足施工现场临时用电需要。 式中 : Ps—设备容量总和 Pjs—有功功率 Qjs—无功功率 Sjs—视在功率 Ijs—计算电流 五、确定导线截面和电器类型、规格 1、施工用的机械设备的导线选择,主要是从用电设备的容量和导线的机械强度两方面考虑,由电流计算的导线引至现场临时用电总箱的电缆宜选为 Yc 3×25+1×16mm2。电缆直埋于室外自然地面-以下深处,由总配电箱引至分配电箱用电导线截面为 Yc 500V 3×4+1×2.5 mm2,由分配电箱引至开关箱的导线截面分别为: 至塔吊为:Yc500V 3×4+1×2.5 mm2 至打桩机为:Yc500V 3×4+1×2.5 mm2 至调直机为:Yc500V 3×4+1×2.5 mm2 至电焊机为:Yc500V 3×4+1×2.5 mm2 至搅拌机为:Yc500V 3×4+1×2.5 mm2 至弯曲机为:Yc500V 3×4+1×2.5 mm2 ...

1、当您付费下载文档后,您只拥有了使用权限,并不意味着购买了版权,文档只能用于自身使用,不得用于其他商业用途(如 [转卖]进行直接盈利或[编辑后售卖]进行间接盈利)。
2、本站所有内容均由合作方或网友上传,本站不对文档的完整性、权威性及其观点立场正确性做任何保证或承诺!文档内容仅供研究参考,付费前请自行鉴别。
3、如文档内容存在违规,或者侵犯商业秘密、侵犯著作权等,请点击“违规举报”。

碎片内容

临时用电施工组织设计方案

文旅传媒+ 关注
实名认证
内容提供者

传播文化,成就未来

确认删除?
VIP
微信客服
  • 扫码咨询
会员Q群
  • 会员专属群点击这里加入QQ群
客服邮箱
回到顶部