电脑桌面
添加小米粒文库到电脑桌面
安装后可以在桌面快捷访问

交通标志工程检验批质量验收记录

交通标志工程检验批质量验收记录_第1页
1/2
交通标志工程检验批质量验收记录_第2页
2/2
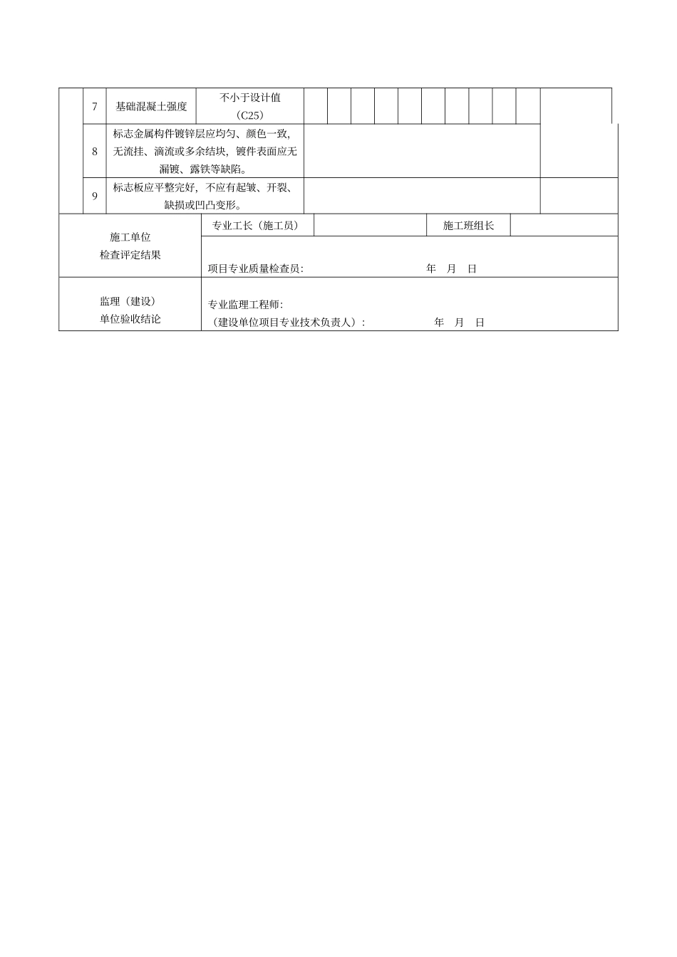
交通标志工程检验批质量验收记录 `单位工程名称贵阳市观山湖区奋进路~吉利路立交工程检验批序号分项工程名称交通安全设施验收部位K1+130-K1+845 道路北侧施工单位福建上河建筑工程有限公司项目经理汪强分包单位/分包项目经理/专业工长徐海财施工班组长施工执行标准名称及编号现行《路面标线涂料》(JT/T280)、《道路交通标志标线》(GB5768-2024)、JTG F71-2024施工质量验收法律规范的规定施工单位检查评定记录监理(建设)单位验收记录主控项目1交通标志的制作应符合 GB5768 和JT/T279 的规定符合法律规范要求2大型标志桩、梁的焊接部分应符合国家钢结构焊接法律规范的质量要求符合法律规范要求3标志板反光膜符合设计要求和 JT/T279 规定符合法律规范要求一般项目1标志板外形尺寸(mm)±5。当边长尺寸大于时允许偏差为边长的±%;三角形内角应为 60°±5°标志底板厚度(mm)不小于设计值(3mm)2标志汉字、数字、拉丁字的字体及尺寸(mm)应符合规定字体,基本字高不小于设计值3标志板下缘至路面净空高度及标志板哪缘距路边缘的间距(mm)+100,04立柱垂直度±35标志金属构件镀层厚度 um标志桩、横梁≥78紧固件≥506标志基础尺寸(mm)-50,+1007基础混凝土强度不小于设计值(C25)8标志金属构件镀锌层应均匀、颜色一致,无流挂、滴流或多余结块,镀件表面应无漏镀、露铁等缺陷。9标志板应平整完好,不应有起皱、开裂、缺损或凹凸变形。施工单位检查评定结果专业工长(施工员) 施工班组长 项目专业质量检查员: 年 月 日 监理(建设)单位验收结论 专业监理工程师: (建设单位项目专业技术负责人): 年 月 日

1、当您付费下载文档后,您只拥有了使用权限,并不意味着购买了版权,文档只能用于自身使用,不得用于其他商业用途(如 [转卖]进行直接盈利或[编辑后售卖]进行间接盈利)。
2、本站所有内容均由合作方或网友上传,本站不对文档的完整性、权威性及其观点立场正确性做任何保证或承诺!文档内容仅供研究参考,付费前请自行鉴别。
3、如文档内容存在违规,或者侵犯商业秘密、侵犯著作权等,请点击“违规举报”。

碎片内容

交通标志工程检验批质量验收记录

人从众+ 关注
实名认证
内容提供者

欢迎光临小店,本店以公文和教育为主,希望符合您的需求。

确认删除?
VIP
微信客服
  • 扫码咨询
会员Q群
  • 会员专属群点击这里加入QQ群
客服邮箱
回到顶部