电脑桌面
添加小米粒文库到电脑桌面
安装后可以在桌面快捷访问

原材料进场抽样检验专项方案

原材料进场抽样检验专项方案_第1页
1/15
原材料进场抽样检验专项方案_第2页
2/15
原材料进场抽样检验专项方案_第3页
3/15
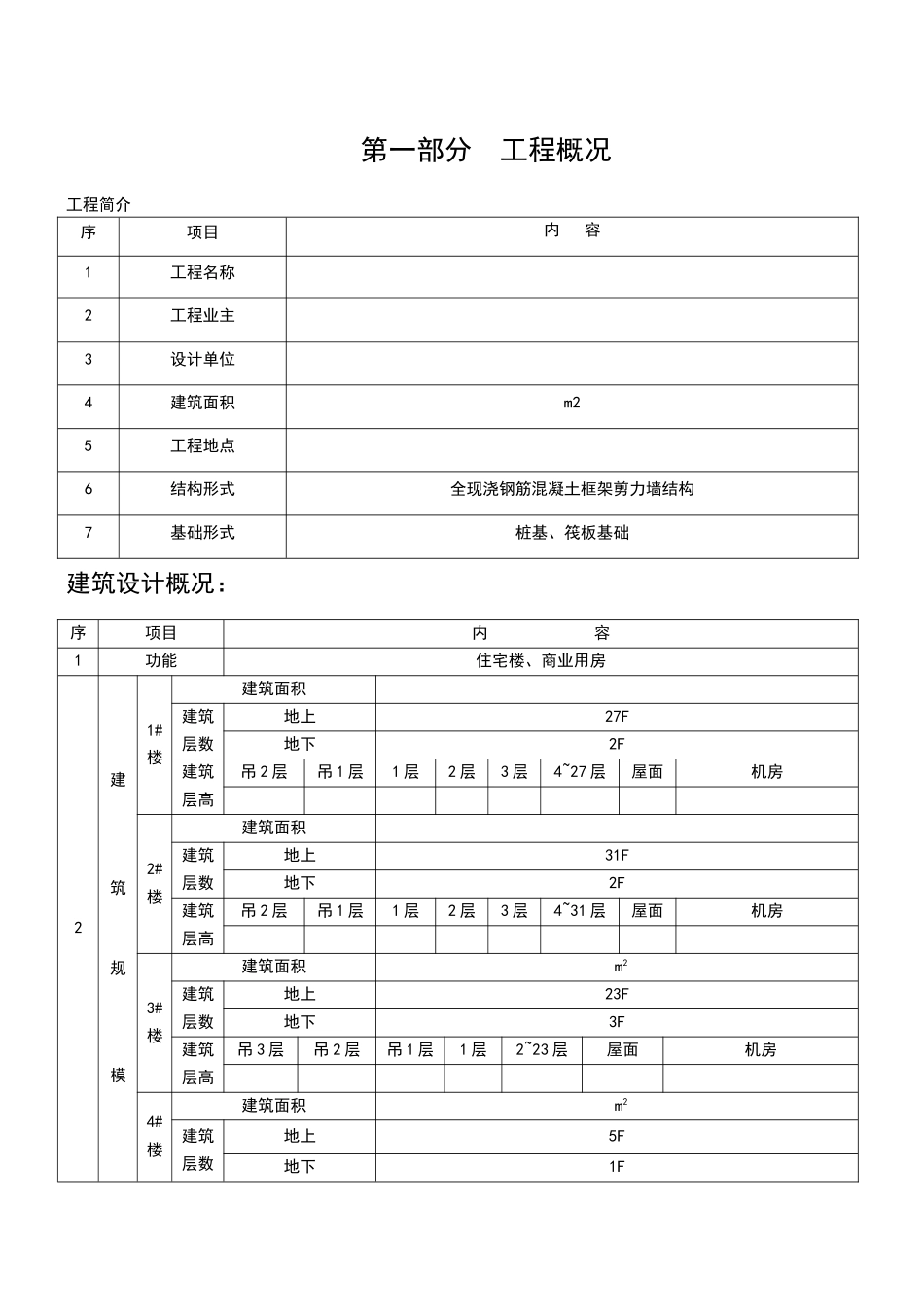
原材料进场抽样检验专项方案 编制: 审核: 审批: 编制单位: 编制时间: 年 月第一部分 工程概况 工程简介序项目内 容1工程名称2工程业主3设计单位4建筑面积m25工程地点6结构形式全现浇钢筋混凝土框架剪力墙结构7基础形式桩基、筏板基础建筑设计概况:序项目内 容1功能住宅楼、商业用房2建 筑规模1#楼建筑面积建筑层数地上27F地下2F建筑层高吊 2 层吊 1 层1 层2 层3 层4~27 层屋面机房2#楼建筑面积建筑层数地上31F地下2F建筑层高吊 2 层吊 1 层1 层2 层3 层4~31 层屋面机房3#楼建筑面积 m2建筑层数地上23F地下3F建筑层高吊 3 层吊 2 层吊 1 层1 层2~23 层屋面机房4#楼建筑面积 m2建筑层数地上5F地下1F建筑层高吊 1 层1~5 层屋面吊层及地下室建筑面积 m2建筑层数地上/地下4F建筑层高地下 1 层吊 3 层吊 2 层吊 1 层3建筑高度1#楼±相当于绝对标高基底标高建筑总高室内外高差2#楼±相当于绝对标高基底标高建筑总高室内外高差3#楼±相当于绝对标高基底标高建筑总高室内外高差4#楼±相当于绝对标高基底标高建筑总高室内外高差结构设计概况:基础类型桩基、筏板基础结构形式全现浇钢筋混凝土框架剪力墙结构抗震等级剪力墙二级抗震设防裂度七度框架二级混凝土强度等级混凝土垫层防水砼等级P6墙和柱梁和板其余构造柱C151#楼6 层及以下C45C307-11 层顶C40C3012-16 层顶C35C3016 层以上C30C302#楼6 层及以下C50C307-11 层顶C45C3012-16 层顶C40C3016 层以上C30C303#楼2 层及以下C45C353-7 层顶C40C308-12 层顶C35C3012 层以上C30C304#楼3 层及以下C40C304 层~屋面C35C30楼梯间屋面C30C30钢筋接头形式当 d≥Φ16 时,采纳搭接接头当 d<Φ16 时,采纳搭接接头钢筋类别Ⅲ 级钢:Φ6、8、10、12、14、16、18、20、22、25mm结构尺寸钢筋砼剪力墙楼 板筏板厚度1400~1600mm原材料进场抽样检验总则???????????? 为了有效地指导对各种原材料的检验工作,以使原材料的各类要求符合规定,确保 工程的质量,根据该工程特点,特制定本方案,主要对以下进场原材料材料做详细抽样检验办法。 抽样和检验程序建立1 项目部负责物资采购的归口管理工作, 物资进场后,负责协调监理公司和业主对本批材料的检查和监督做好材料进场的质量检验工作.。2 项目部从建设单位公司指定的认质认价的厂家中选择合格厂家并报建设单位审批后,在做大宗材料的进场准备工作。3 项目经理部负责物资的搬运、贮存、...

1、当您付费下载文档后,您只拥有了使用权限,并不意味着购买了版权,文档只能用于自身使用,不得用于其他商业用途(如 [转卖]进行直接盈利或[编辑后售卖]进行间接盈利)。
2、本站所有内容均由合作方或网友上传,本站不对文档的完整性、权威性及其观点立场正确性做任何保证或承诺!文档内容仅供研究参考,付费前请自行鉴别。
3、如文档内容存在违规,或者侵犯商业秘密、侵犯著作权等,请点击“违规举报”。

碎片内容

原材料进场抽样检验专项方案

确认删除?
VIP
微信客服
  • 扫码咨询
会员Q群
  • 会员专属群点击这里加入QQ群
客服邮箱
回到顶部