电脑桌面
添加小米粒文库到电脑桌面
安装后可以在桌面快捷访问

季节性安全隐患排查精选

季节性安全隐患排查精选_第1页
1/7
季节性安全隐患排查精选_第2页
2/7
季节性安全隐患排查精选_第3页
3/7
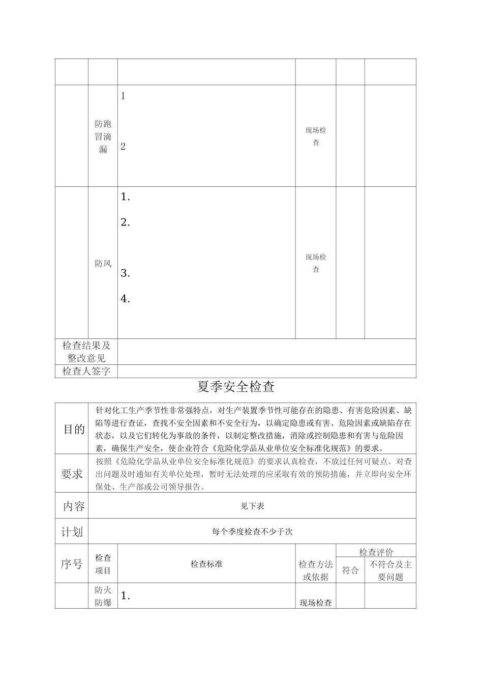
季节性安全检查检查时间:目的针对化工生产季节性非常强特点,对生产装置季节性可能存在的隐患、有害危险因素、缺陷等进行查证,查找不安全因素和不安全行为,以确定隐患或有害、危险因素或缺陷存在状态,以及它们转化为事故的条件,以制定整改措施,消除或控制隐患和有害与危险因素,确保生产安全,使企业符合《危险化学品从业单位安全标准化规范》的要求。要求按照《危险化学品从业单位安全标准化规范》的要求认真检查,不放过任何可疑点。对查出问题及时通知有关单位处理,暂时无法处理采取有效的预防措施,并立即向安全环保处、生产部或公司领导报告。内容见下表计划每个季度检查不少于一次序号检查项目检查标准检查方法或依据检查评价符合不符合及主要问题1春季安全检查春季安全大检查主要以防雷、防静电、防解冻跑、冒、滴、漏为重点,对生产及安全设施进行检查。检查各仪表阀门、管道的保温及有无结冻情况,如有异常,及时整改。现场检查2夏季安全检查夏季安全大检查以防暑降温、防洪防汛为重点对生产及安全设施进行检查。对本部门的风扇、空调、饮水机进行检查和维护,确保其顺利度夏。对易进水的配电室检查其防水设施的完好情况,对查出的不符合项,及时整改。现场检查3秋季安全检查秋季安全大检查应以防火、防冻、保温为重点。对防火设施如消防栓、消防箱、灭火器、消防通道的畅通、消防通讯的畅通等情况进行认真检查。确保各防火设施足以应付突发火警事件。检查各设备设施、管道、阀门的保温情况,对不符合项,及时整改。现场检查4冬季安全检查冬季安全大检查以防火、防爆、防中毒、防冻防凝、防滑为重点,检查消防设施的完好情况,数量配备情况,管道及阀门的保温和是否结冻等情况认真检查。对可燃气体报警仪、有毒气体报警仪的完好状况进行检查。检查防毒面具、空气呼吸器等气防设施的配备及完好情况。对密闭性较好的操作室、厂房的通风设施进行检查,防止有毒及易燃、易爆气体积聚。对设备管道及仪表伴热的保温情况进行检查,做好防冻防凝工作。检查各配电室防小动物入室措施的落实情况。查出不符合项,及时整改。现场检查检查结果及整改意见检查人签字检查人签字春季安全检查表目的针对化工生产季节性非常强特点,对生产装置季节性可能存在的隐患、有害危险因素、缺陷等进行查证,查找不安全因素和不安全行为,以确定隐患或有害、危险因素或缺陷存在状态,以及它们转化为事故的条件,以制定整改措施,消除或控制隐患和有害与危险因...

1、当您付费下载文档后,您只拥有了使用权限,并不意味着购买了版权,文档只能用于自身使用,不得用于其他商业用途(如 [转卖]进行直接盈利或[编辑后售卖]进行间接盈利)。
2、本站所有内容均由合作方或网友上传,本站不对文档的完整性、权威性及其观点立场正确性做任何保证或承诺!文档内容仅供研究参考,付费前请自行鉴别。
3、如文档内容存在违规,或者侵犯商业秘密、侵犯著作权等,请点击“违规举报”。

碎片内容

季节性安全隐患排查精选

确认删除?
VIP
微信客服
  • 扫码咨询
会员Q群
  • 会员专属群点击这里加入QQ群
客服邮箱
回到顶部