电脑桌面
添加小米粒文库到电脑桌面
安装后可以在桌面快捷访问

大楼装修及改造工程结构补强、加固施工组织设计方案

大楼装修及改造工程结构补强、加固施工组织设计方案_第1页
1/8
大楼装修及改造工程结构补强、加固施工组织设计方案_第2页
2/8
大楼装修及改造工程结构补强、加固施工组织设计方案_第3页
3/8
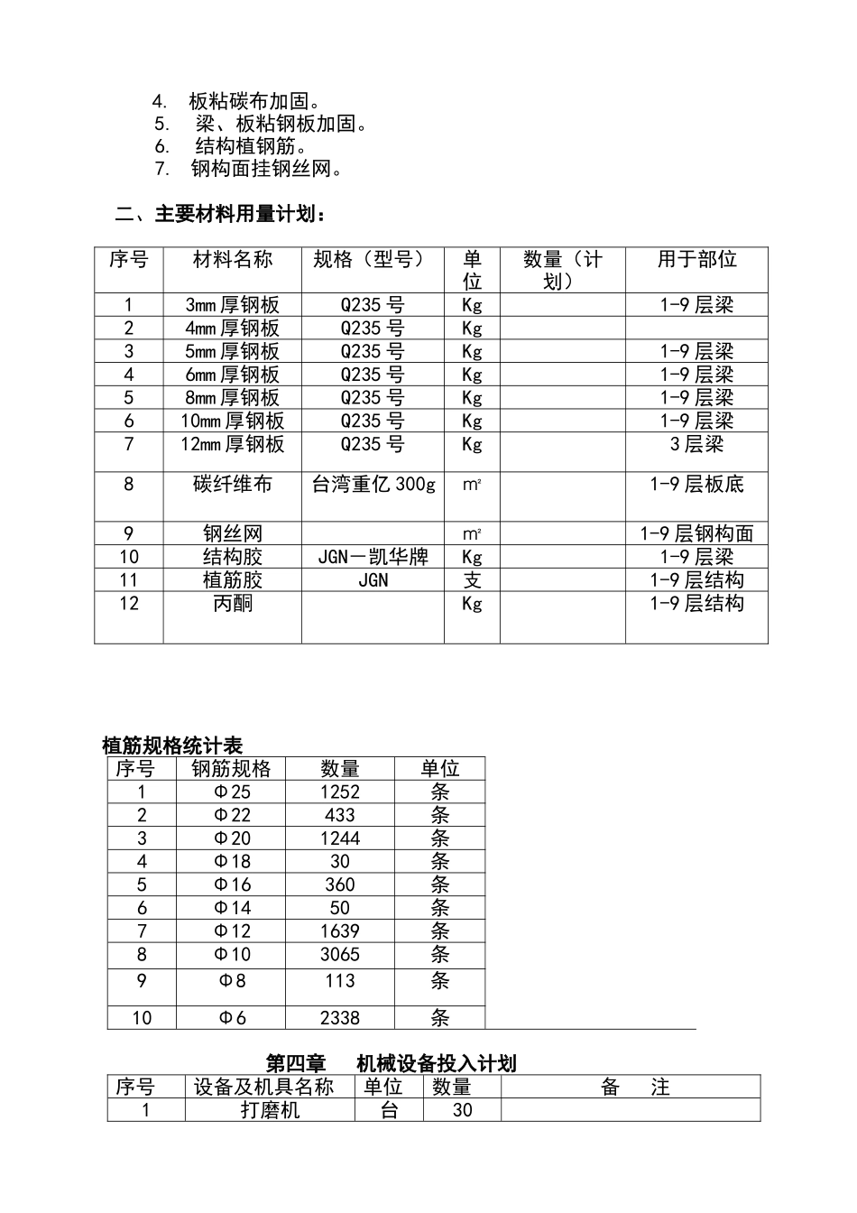
目 录第一章 总体概述1 .建筑设计概况2 .结构设计概况3. 现场施工条件4. 施工项目管理架构第二章 施工进度计划安排和保证措施1. 施工进度计划安排2. 施工工期保证措施第三章 劳动力和主要材料投入计划1. 劳动力安排2. 主要材料用量计划第四章 机械设备投入计划第五章 关键施工技术工艺及工程项目实施的重点难点和解决方法1. 钢板加固施工工艺及要求2. 碳纤维布加固施工工艺及要求3. 植筋施工工艺及要求第六章 防腐工程第七章 安全文明施工措施1. 工程项目部安全管理体系2. 安全保证措施第八章 工程验收附表、附图××××大楼装修及改造工程结构补强、加固施 工 组 织 设 计第一章 总体概述×××大楼装修及改造工程—结构补强、加固位于×××,由于建设单位在使用功能上的改变至使部份结构承载力不能满足要求,经设×××计院设计出该楼加固施工图纸,我司针对该楼加固施工图纸,编制该施工组织设计,组织施工。一、建筑设计概况:该楼外墙已装修完毕,为玻璃幕墙;内墙未装修。地下室层高为,首层层高为,二~五层层高为,六层层高为,七~九层层高为;开间跨度主要为、、和,进深跨度主要为、、和整个建筑物处于半装修未使用状态。二、结构设计概况(加固范围):该楼为九层混凝土框架结构,-1 层~九层结构采纳补强、加固方法有:构件外粘钢加固,构件外粘碳纤维布加固以及结构植筋加固方法。三、现场施工条件:该楼现已进入室内装修阶段,施工用水、电已经接入现场,具备现场施工条件;室内加固部分未装修,有充分的加固工作面,具备开工条件;提升机垂直运输设备(由总包方提供)已经安装就位可以使用,具备垂直运输条件。整个现场施工条件具备,可以组织施工。四、施工项目管理架构:根据该加固工程的现场作业情况,以及工作量的大小定出以下管理架构及流 程: 第二章 施工进度计划安排和保证措施一、施工进度计划安排:(总工期 60 天)1.开工后,首先用 17 天时间对结构粘钢、粘碳纤维布部位进行基层修复,打磨处理(同时粘结材料送检)。2.植筋工作同步进行(加大截面部份)。3.材料检测报告出具合格后(一般 15 天)开始粘贴钢板或碳纤维布加固,打磨组,继续同步进行(计划用 35 天时间)。4.在粘钢过程中,随后挂钢丝网与粘钢交错搭接进行,计划粘钢完成后4 天完成。5.进行现场工作场地清理工作及综合验收,计划用 8 天时间。二、施工工期保证措施:1.配备相应充分的劳动力,配备...

1、当您付费下载文档后,您只拥有了使用权限,并不意味着购买了版权,文档只能用于自身使用,不得用于其他商业用途(如 [转卖]进行直接盈利或[编辑后售卖]进行间接盈利)。
2、本站所有内容均由合作方或网友上传,本站不对文档的完整性、权威性及其观点立场正确性做任何保证或承诺!文档内容仅供研究参考,付费前请自行鉴别。
3、如文档内容存在违规,或者侵犯商业秘密、侵犯著作权等,请点击“违规举报”。

碎片内容

大楼装修及改造工程结构补强、加固施工组织设计方案

您可能关注的文档

确认删除?
VIP
微信客服
  • 扫码咨询
会员Q群
  • 会员专属群点击这里加入QQ群
客服邮箱
回到顶部