电脑桌面
添加小米粒文库到电脑桌面
安装后可以在桌面快捷访问

天煌自动生产线VIP专享

天煌自动生产线_第1页
1/37
天煌自动生产线_第2页
2/37
天煌自动生产线_第3页
3/37
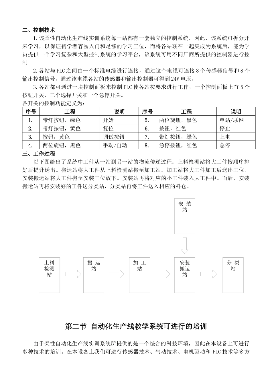
目 录第一章 网络型模块式柔性自动化生产线实训系统介绍................................2第一节 系统结构.............................................................2第二节 自动化生产线教学系统可进行的培训.....................................4第二章 网络控制方案............................................................5第一节 Profibus-DP 网络.....................................................5第三章 实训工程................................................................7第一节 STEP 7 MICROWIN 软件的使用...........................................7第二节 上料检测站〔第一站〕................................................9第三节 搬运站〔第二站〕...................................................10第四节 加工站〔第三站〕...................................................12第五节 安装站〔第四站〕...................................................14第六节 安装搬运站〔第五站〕...............................................16第七节 分类站〔第六站〕...................................................18第八节 六站联网...........................................................20第九节 触摸屏监控.........................................................30第十节 MCGS 组态监控.......................................................37第一章 网络型模块式柔性自动化生产线实训系统介绍第一节 系统结构柔性自动化生产线实训系统是我公司为提高学生动手能力和实践技能而设计、生产的一套有用性实训设备。该装置由六套各自独立而又紧密相连的工作站和一套监控站组成。这六站分别为:上料检测站、搬运站、加工站、安装站、安装搬运站和分类站。该实训装置的一大显著特点是:具有较好的柔性,即每站各有一套 PLC 控制系统独立控制。将六个模块分开培训可以容纳较多的学员同时学习。在根本单元模块培训完成以后,通过组建PLC 网络,又可以将相邻的两站、三站……直至六站连在一起,学习复杂系统的控制、编程、装配和调试技术。由于该系统囊括了机电一体化等专业学习中所涉及的诸如电机驱动、气动、PLC〔可编程控制器〕、传感器等多种技术,给学生提供了一个典型的综合操作平台,使学生将学过的各门专业知识在这里得到全面认识、...

1、当您付费下载文档后,您只拥有了使用权限,并不意味着购买了版权,文档只能用于自身使用,不得用于其他商业用途(如 [转卖]进行直接盈利或[编辑后售卖]进行间接盈利)。
2、本站所有内容均由合作方或网友上传,本站不对文档的完整性、权威性及其观点立场正确性做任何保证或承诺!文档内容仅供研究参考,付费前请自行鉴别。
3、如文档内容存在违规,或者侵犯商业秘密、侵犯著作权等,请点击“违规举报”。

碎片内容

天煌自动生产线

办公文档专营+ 关注
实名认证
内容提供者

大量办公文档,欢迎选择

确认删除?
VIP
微信客服
  • 扫码咨询
会员Q群
  • 会员专属群点击这里加入QQ群
客服邮箱
回到顶部