电脑桌面
添加小米粒文库到电脑桌面
安装后可以在桌面快捷访问

家具生产作业指导书汇编

家具生产作业指导书汇编_第1页
1/19
家具生产作业指导书汇编_第2页
2/19
家具生产作业指导书汇编_第3页
3/19
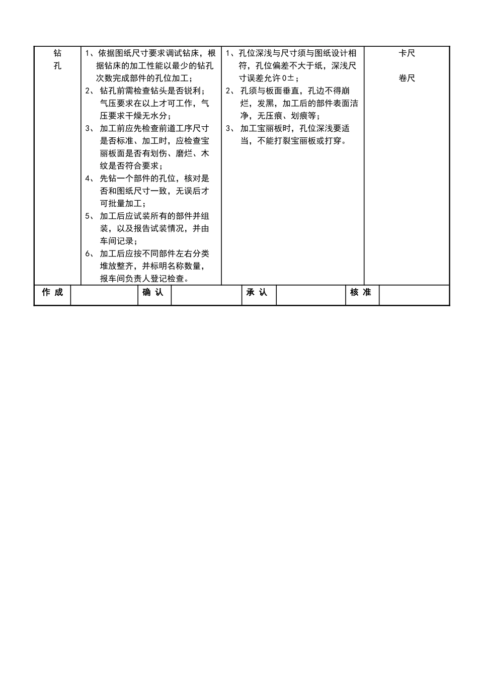
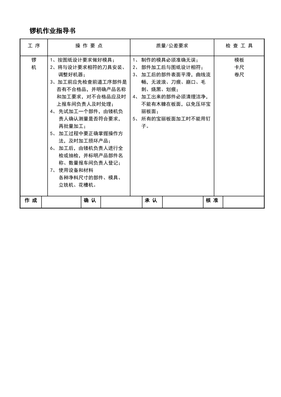
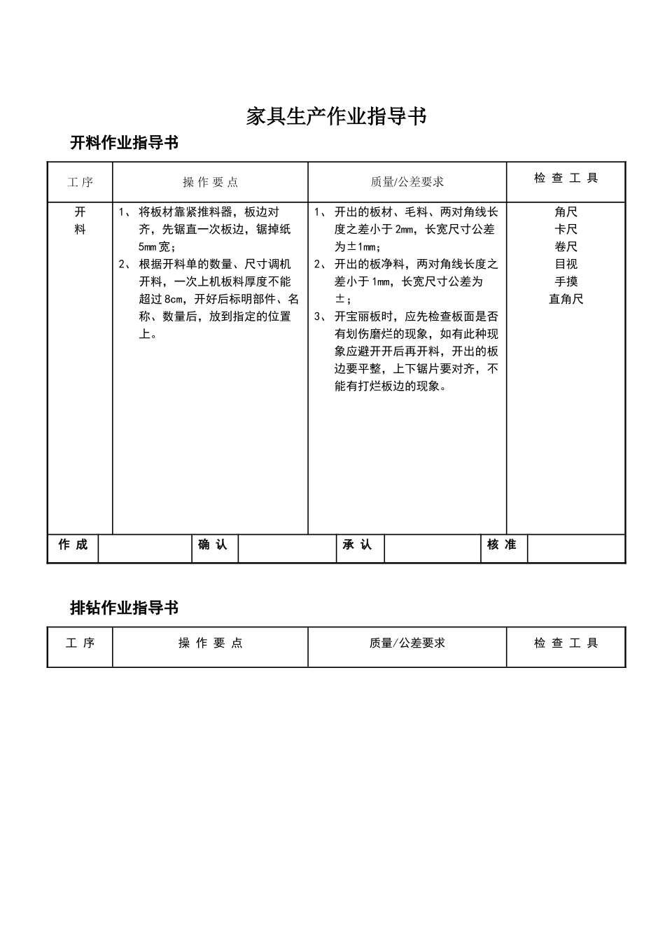
家具生产作业指导书开料作业指导书工 序操 作 要 点质量/公差要求检 查 工 具开料1、 将板材靠紧推料器,板边对齐,先锯直一次板边,锯掉纸5mm 宽;2、 根据开料单的数量、尺寸调机开料,一次上机板料厚度不能超过 8cm,开好后标明部件、名称、数量后,放到指定的位置上。1、 开出的板材、毛料、两对角线长度之差小于 2mm,长宽尺寸公差为±1mm;2、 开出的板净料,两对角线长度之差小于 1mm,长宽尺寸公差为±;3、 开宝丽板时,应先检查板面是否有划伤磨烂的现象,如有此种现象应避开开后再开料,开出的板边要平整,上下锯片要对齐,不能有打烂板边的现象。角尺卡尺卷尺目视手摸直角尺作 成确 认承 认核 准排钻作业指导书工 序操 作 要 点质量/公差要求检 查 工 具钻孔1、依据图纸尺寸要求调试钻床,根据钻床的加工性能以最少的钻孔次数完成部件的孔位加工;2、 钻孔前需检查钻头是否锐利;气压要求在以上才可工作,气压要求干燥无水分;3、 加工前应先检查前道工序尺寸是否标准、加工时,应检查宝丽板面是否有划伤、磨烂、木纹是否符合要求;4、 先钻一个部件的孔位,核对是否和图纸尺寸一致,无误后才可批量加工;5、 加工后应试装所有的部件并组装,以及报告试装情况,并由车间记录;6、 加工后应按不同部件左右分类堆放整齐,并标明名称数量,报车间负责人登记检查。1、孔位深浅与尺寸须与图纸设计相符,孔位偏差不大于纸,深浅尺寸误差允许 0±;2、 孔须与板面垂直,孔边不得崩烂,发黑,加工后的部件表面洁净,无压痕、划痕等;3、 加工宝丽板时,孔位深浅要适当,不能打裂宝丽板或打穿。卡尺卷尺作 成确 认承 认核 准锣机作业指导书工 序操 作 要 点质量/公差要求检 查 工 具锣机1、按图纸设计要求做好模具;2、将与设计要求相符的刀具安装、调整好机器;3、加工前应先检查前道工序部件是否有不合格品,并明确产品名称和加工要求,对不合格品应及时上报车间负责人及时处理;4、 先试加工一个部件,由镂机负责人确认测量是否符合要求,再批量加工;5、 加工过程中要正确掌握操作方法,及时加工损坏产品;6、 加工后,由镂机负责人进行全检或抽检,并标明产品部件名称、数量报车间负责人登记;7、 使用设备和材料各种净料尺寸的部件、模具、立铣机、花槽机。1、 制作的模具必须准确无误;2、 部件加工后与图纸设计相符;3、 加工后的部件表面平滑,曲线流畅,无波浪、刀痕、崩口、毛...

1、当您付费下载文档后,您只拥有了使用权限,并不意味着购买了版权,文档只能用于自身使用,不得用于其他商业用途(如 [转卖]进行直接盈利或[编辑后售卖]进行间接盈利)。
2、本站所有内容均由合作方或网友上传,本站不对文档的完整性、权威性及其观点立场正确性做任何保证或承诺!文档内容仅供研究参考,付费前请自行鉴别。
3、如文档内容存在违规,或者侵犯商业秘密、侵犯著作权等,请点击“违规举报”。

碎片内容

家具生产作业指导书汇编

您可能关注的文档

确认删除?
VIP
微信客服
  • 扫码咨询
会员Q群
  • 会员专属群点击这里加入QQ群
客服邮箱
回到顶部