电脑桌面
添加小米粒文库到电脑桌面
安装后可以在桌面快捷访问

岩土工程勘察基本技术方法

岩土工程勘察基本技术方法_第1页
1/19
岩土工程勘察基本技术方法_第2页
2/19
岩土工程勘察基本技术方法_第3页
3/19
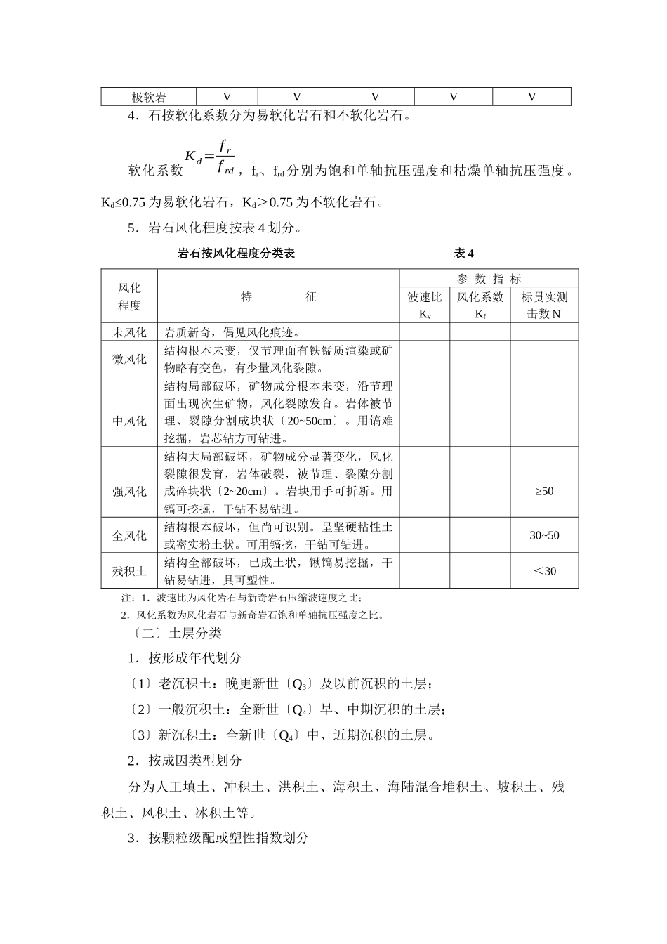
广东省地质勘查局“新进地质技术人员培训班〞讲课材料〔4-2〕岩土工程勘察根本技术方法广东省地质科学讨论所 魏德超 编写一、岩土工程地质分类各行业岩土工程地质分类不尽相同。这里综合介绍国标?岩土工程勘察标准?〔GB50021-2001〕、?建筑地基根底设计标准?〔GB5007-2024〕和省标?建筑地基根底设计标准?〔GBJ15-31-2024〕的岩土分类方法。其他行业的岩土分类大同小异。〔一〕岩石分类1.岩石坚硬程度划分如表 1。 岩石坚硬程度分类表 表 1坚硬程度分类坚硬岩较硬岩较软岩软岩极软岩饱和单轴抗压强度〔MPa〕fr>6060≥fr>3030≥fr>1515≥fr>5fr≤5r值时,可用点荷载强度指数换算,见国标?工程岩体分级标准?〔GB50218-94〕3.4.1 式;2.定性划分可参考?岩土工程勘察标准?〔GB50021-2001〕表 A.0.1。2.岩体完整程度划分如表 2。 岩体完整程度分类表 表 2完整程度完整较完善较破裂破裂极破裂完整性系数注:完整性指数为岩体压缩波速度与岩块压缩波速度之比的平方。应选代表性岩体、岩块测试。无波速测试资料时,可按?岩土工程勘察标准?〔GB50021-2001〕表 A.0.2 定性划分。3.按岩石坚硬程度和岩体完整程度,岩体根本质量等级分为 5 类,如表3。 岩体根本质量等级分类表 表 3完整程度坚硬程度完整较完整较破裂破裂极破裂坚硬岩IIIIIIIVV较硬岩IIIIIIVIVV较软岩IIIIVIVVV软岩IVIVVVV极软岩VVVVV4.石按软化系数分为易软化岩石和不软化岩石。软化系数Kd= f rf rd ,fr、frd分别为饱和单轴抗压强度和枯燥单轴抗压强度。Kd≤0.75 为易软化岩石,Kd>0.75 为不软化岩石。5.岩石风化程度按表 4 划分。 岩石按风化程度分类表 表 4风化程度特 征参 数 指 标波速比Kv风化系数Kf标贯实测击数 N’未风化岩质新奇,偶见风化痕迹。微风化结构根本未变,仅节理面有铁锰质渲染或矿物略有变色,有少量风化裂隙。中风化结构局部破坏,矿物成分根本未变,沿节理面出现次生矿物,风化裂隙发育。岩体被节理、裂隙分割成块状〔20~50cm〕。用镐难挖掘,岩芯钻方可钻进。强风化结构大局部破坏,矿物成分显著变化,风化裂隙很发育,岩体破裂,被节理、裂隙分割成碎块状〔2~20cm〕。岩块用手可折断。用镐可挖掘,干钻不易钻进。≥50全风化结构根本破坏,但尚可识别。呈坚硬粘性土或密实粉土状。可用镐挖,干钻可钻进。30~50残积土结构全部破坏,已成土状,锹镐易挖掘,干钻易钻进,具可塑性。<30注:1.波速比为风化岩石与新奇岩石压缩...

1、当您付费下载文档后,您只拥有了使用权限,并不意味着购买了版权,文档只能用于自身使用,不得用于其他商业用途(如 [转卖]进行直接盈利或[编辑后售卖]进行间接盈利)。
2、本站所有内容均由合作方或网友上传,本站不对文档的完整性、权威性及其观点立场正确性做任何保证或承诺!文档内容仅供研究参考,付费前请自行鉴别。
3、如文档内容存在违规,或者侵犯商业秘密、侵犯著作权等,请点击“违规举报”。

碎片内容

岩土工程勘察基本技术方法

范哲铺+ 关注
实名认证
内容提供者

想你所想,急你所急,你需要的都在店铺里可以找到。

相关文档

确认删除?
VIP
微信客服
  • 扫码咨询
会员Q群
  • 会员专属群点击这里加入QQ群
客服邮箱
回到顶部