电脑桌面
添加小米粒文库到电脑桌面
安装后可以在桌面快捷访问

衬砌钢筋技术交底

衬砌钢筋技术交底_第1页
1/9
衬砌钢筋技术交底_第2页
2/9
衬砌钢筋技术交底_第3页
3/9
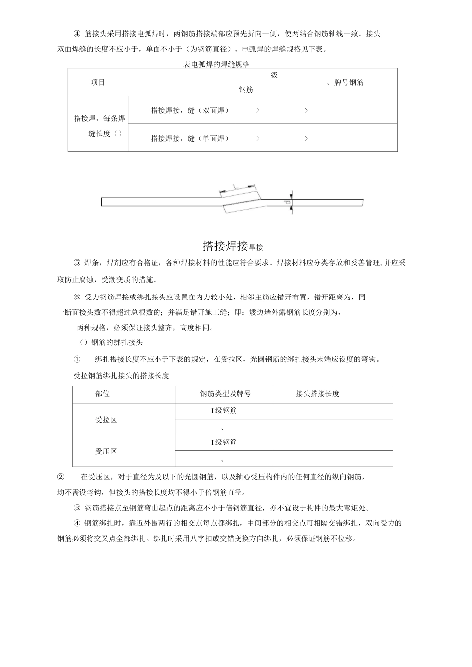
技术交底书技术交底书表格编号项目名称第页共页交底编号工程名称隧道设计文件图号两阶段施工图设计第四册施工部位衬砌钢筋交底日期技术交底内容:、技术交底范围;本交底适用范围:隧道衬砌类别车 III、车 IV、车 IV 围岩。、设计情况;钢筋采用和钢筋。二衬钢筋主筋采用①钢筋,间距,分布筋采用©钢筋,间距,勾筋采用©钢筋,间距;主筋保护层厚度内、外侧均为。、开始施工的条件及施工准备工作;组织技术人员认真学习实施性施工组织设计,阅读、审核施工图纸,澄清有关技术问题,熟悉规范和技术标准。制定施工安全保证措施,提出应急预案。对施工人员进行技术交底。对参加施工人员进行上岗前技术培训,考核合格后持证上岗。隧道防水板铺设完成后,测量组放样出隧道中线及路面高程。隧道主体二衬施工之前,组织召开二衬施工方案、施工交底会。将隧道主体二衬施工组织、施工方法、施工工艺、质量标准、安全措施等交底到班组,安质部、物机部等部门参加。对新进场的钢筋原材物机部、试验室等部门已报验合格。对成品钢筋的钢号、直径、形状、尺寸、数量等是否与图纸、交底相符。如有错漏,及时纠正。准备好绑扎使用的铁丝、绑扎工具(如钢筋钩、带扳口的撬棍)等,绑扎台架等。、施工工艺;该围岩范围隧道钢筋仰拱未设置,仅拱墙进行绑扎。根据施工设计图及规范要求,主筋采用焊接连接。焊接长度:双面焊不小于,单面焊不小于,接头错开距离不小于,分布筋采用绑扎连接。施工方法钢筋加工① 有加工好的钢筋,一律按规格、型号挂牌,分别存放,并做好防锈工作。设专人负责。② 钢筋用切断机切断,所有弯钩用弯曲机成型。③ 特殊部位的钢筋须放大样。钢筋连接及安装根据相关规范,保证高质量的连接接头,加快施工进度,可根据钢筋的不同直径、不同部位而采用焊接或绑扎相结合来施工,具体如下:① 二衬主筋连接形式为焊接连接,分布筋为绑扎连接,焊接接头连接区段错开长度为,绑扎接头错台具体不小于。② 钢筋接头设置在钢筋承受力较小处且应避开钢筋弯曲处,距弯曲点不小于。③ 钢筋安装位置应符合设计要求。误差应符合下表规定。钢筋位置允许偏差值()项次检查项目规定值或允许偏差主筋间距±两层钢筋间距±箍筋间距±钢筋长度满足设计要求钢筋保护层厚度④绑扎钢筋尽量减少现场焊接,焊接时应在防水板上面加垫木板或石棉板隔热层,以避免防水板被烧坏;钢筋与模板间应设置足够数量和强度的砼垫块,以确保钢筋的保护层厚度(主筋保护层...

1、当您付费下载文档后,您只拥有了使用权限,并不意味着购买了版权,文档只能用于自身使用,不得用于其他商业用途(如 [转卖]进行直接盈利或[编辑后售卖]进行间接盈利)。
2、本站所有内容均由合作方或网友上传,本站不对文档的完整性、权威性及其观点立场正确性做任何保证或承诺!文档内容仅供研究参考,付费前请自行鉴别。
3、如文档内容存在违规,或者侵犯商业秘密、侵犯著作权等,请点击“违规举报”。

碎片内容

衬砌钢筋技术交底

wxg+ 关注
实名认证
内容提供者

该用户很懒,什么也没介绍

确认删除?
VIP
微信客服
  • 扫码咨询
会员Q群
  • 会员专属群点击这里加入QQ群
客服邮箱
回到顶部