电脑桌面
添加小米粒文库到电脑桌面
安装后可以在桌面快捷访问

断路器基础改造施工方案

断路器基础改造施工方案_第1页
1/4
断路器基础改造施工方案_第2页
2/4
断路器基础改造施工方案_第3页
3/4
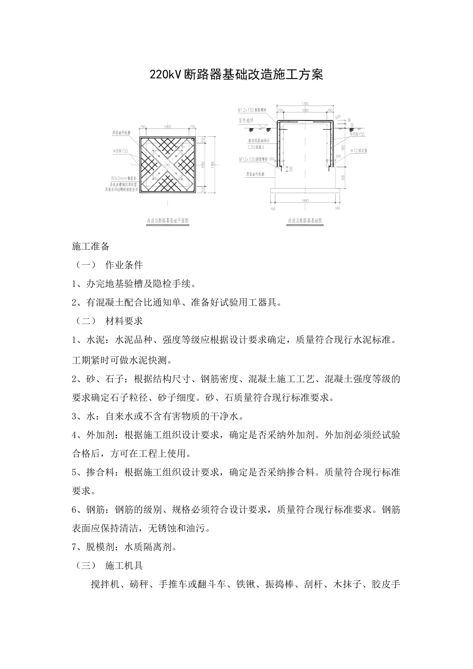
220kV 断路器基础改造施工方案施工准备(一) 作业条件1、办完地基验槽及隐检手续。2、有混凝土配合比通知单、准备好试验用工器具。(二) 材料要求1、水泥:水泥品种、强度等级应根据设计要求确定,质量符合现行水泥标准。工期紧时可做水泥快测。2、砂、石子:根据结构尺寸、钢筋密度、混凝土施工工艺、混凝土强度等级的要求确定石子粒径、砂子细度。砂、石质量符合现行标准要求。3、水:自来水或不含有害物质的干净水。4、外加剂:根据施工组织设计要求,确定是否采纳外加剂。外加剂必须经试验合格后,方可在工程上使用。5、掺合料:根据施工组织设计要求,确定是否采纳掺合料。质量符合现行标准要求。6、钢筋:钢筋的级别、规格必须符合设计要求,质量符合现行标准要求。钢筋表面应保持清洁,无锈蚀和油污。7、脱模剂:水质隔离剂。(三) 施工机具搅拌机、磅秤、手推车或翻斗车、铁锹、振捣棒、刮杆、木抹子、胶皮手套、串桶或溜槽、钢筋加工机械、木制井字架等。二、 质量标准(一)钢筋工程(二)模板工程(三)混凝土工程三、工艺流程基础施工步骤:1.基坑(槽)开挖 2.验槽 3.扎绑钢筋 4.支模板 5.混凝土浇筑、振捣 6.养护、拆模四、 操作工艺(一)清理及垫层浇灌地基验槽完成后,清除表层浮土及扰动土,不留积水,立即进行垫层混凝土施工,垫层混凝土必须振捣密实,表面平整,严禁晾晒基土。(二)钢筋绑扎垫层浇灌完成后,混凝土达到后,表面弹线进行钢筋绑扎,钢筋绑扎不允许漏扣,柱插筋弯钩部分必须与底板筋成 45°绑扎,连接点处必须全部绑扎,距底板 5cm 处绑扎第一个箍筋,距基础顶 5cm 处绑扎最后一道箍筋,作为标高控制筋及定位筋,柱插筋最上部再绑扎一道定位筋,上下箍筋及定位箍筋绑扎完成后将柱插筋调整到位并用井字木架临时固定,然后绑扎剩余箍筋,保证柱插筋不变形走样,两道定位筋在基础混凝±浇完后,必须进行更换。钢筋绑扎好后底面及侧面搁置保护层塑料垫块,厚度为设计保护层厚度,垫块间距不得大于 100mm,以防出现露筋的质量通病。注意对钢筋的成品保护,不得任意碰撞钢筋,造成钢筋移位。(三)模板钢筋绑扎及相关专业施工完成后立即进行模板安装,模板采纳小钢模或木模,利用架子管或木方加固。锥形基础坡度<30°时,采纳斜模板支护,利用螺栓与底板钢筋拉紧,防止上浮.模板上部设透气及振捣孔,坡度≤30°时,利用钢丝网(间距 30cm)防止混凝土下坠,上口设井字木控制钢筋位置。不得用重物...

1、当您付费下载文档后,您只拥有了使用权限,并不意味着购买了版权,文档只能用于自身使用,不得用于其他商业用途(如 [转卖]进行直接盈利或[编辑后售卖]进行间接盈利)。
2、本站所有内容均由合作方或网友上传,本站不对文档的完整性、权威性及其观点立场正确性做任何保证或承诺!文档内容仅供研究参考,付费前请自行鉴别。
3、如文档内容存在违规,或者侵犯商业秘密、侵犯著作权等,请点击“违规举报”。

碎片内容

断路器基础改造施工方案

您可能关注的文档

确认删除?
VIP
微信客服
  • 扫码咨询
会员Q群
  • 会员专属群点击这里加入QQ群
客服邮箱
回到顶部