电脑桌面
添加小米粒文库到电脑桌面
安装后可以在桌面快捷访问

普通快滤池计算

普通快滤池计算_第1页
1/12
普通快滤池计算_第2页
2/12
普通快滤池计算_第3页
3/12
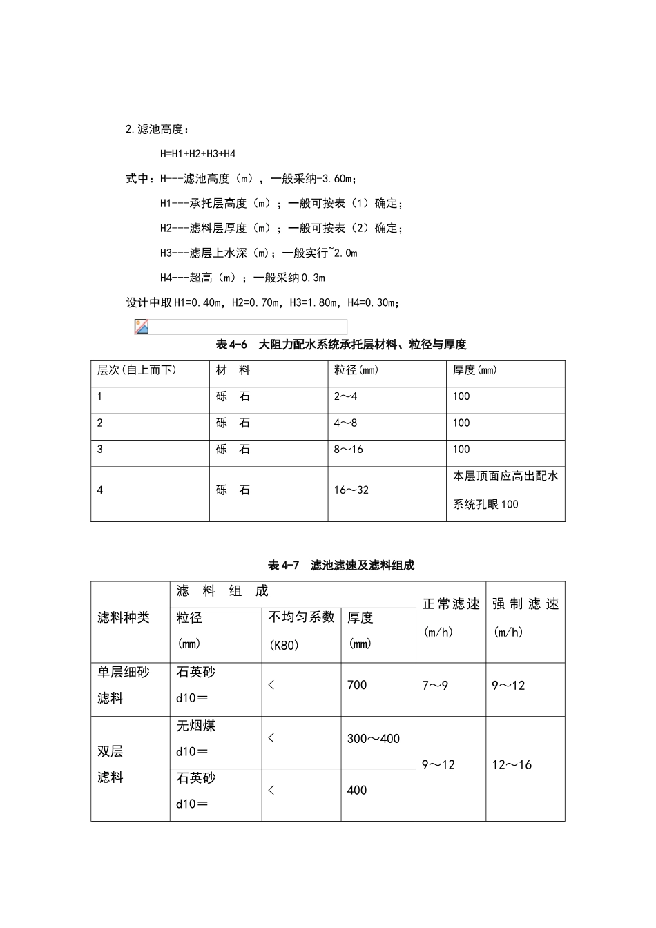
普通快滤池工艺设计与计算4.5.1.滤池面积和尺寸滤池工作时间为 24h,冲洗周期为 12h,滤池实际工作时间为:式中:代表反冲洗停留时间由于该水厂引用水库里面的水,其水质比较好,故该滤池采纳石英砂单层滤料,其设计滤速为8~10m/h,本设计取=10,滤池面积为: 根据设计法律规范,滤池个数不能少于 2 个,即 N≥2 个,根据法律规范中的表如下: 本设计采纳滤池个数为 4 个,其布置成对称单行排列。每个滤池面积为: 式中:f—每个滤池面积为(m2),N—滤池个数 N≥2 个,取 4 个F—滤池总面积(m2)设计中采纳滤池尺寸为:则 L=6m,B=6m,故滤池的实际面积为 6*6=36m2实际滤速 v1=3600**4*36)=10.41m/h,基本符合法律规范要求:滤速为 8~10m/h。校核强制流速为:当一座滤池检修时,其余滤池的强制滤速为,符合法律规范要求:强制滤速一般为 10~14 m/h2.滤池高度: H=H1+H2+H3+H4式中:H---滤池高度(m),一般采纳-3.60m; H1---承托层高度(m);一般可按表(1)确定; H2---滤料层厚度(m);一般可按表(2)确定; H3---滤层上水深(m);一般实行~2.0m H4---超高(m);一般采纳 0.3m设计中取 H1=0.40m,H2=0.70m,H3=1.80m,H4=0.30m; 表 4-6 大阻力配水系统承托层材料、粒径与厚度层次(自上而下)材 料粒径(mm)厚度(mm)1砾 石2~41002砾 石4~81003砾 石8~161004砾 石16~32本层顶面应高出配水系统孔眼 100表 4-7 滤池滤速及滤料组成滤料种类滤 料 组 成正常滤速(m/h)强 制 滤 速(m/h)粒径(mm)不均匀系数(K80)厚度(mm)单层细砂滤料石英砂d10=<7007~99~12双层滤料无烟煤d10=<300~4009~1212~16石英砂d10=<400三层滤料无烟煤d10=<45016~1820~24石英砂d10=<250重质矿石d10=<70均匀级配粗砂滤料石英砂d10=~<1200~15008~1010~13注:滤料的相对密度为:石英砂~;无烟煤~;重质矿石~。4.5.2 每个滤池的配水系统1、最大粒径滤料的最小流化态流速Vmf---最大粒径滤料的最小流化态流速(m/s);d---滤料粒径(m);---球度系数;---水的动力粘度[/m2]m0---滤料的孔隙率。设计中取 d=0.0012m,=,m0=,水温 200 时=/m2 2、反冲洗强度 q=10KVmfq---反冲洗强度[L/(s/m2)],一般采纳 12~15L/(s/m2);K---安全系数,一般采纳~.设计中取 K= q=14L3、反冲洗水流量qg=f·q式中 qg—反冲洗干管流量。qg=36 x 14=504L/s4、干管始端流速 式中 Vg—干管始端流速(m/s),一般采纳 1. 0-1...

1、当您付费下载文档后,您只拥有了使用权限,并不意味着购买了版权,文档只能用于自身使用,不得用于其他商业用途(如 [转卖]进行直接盈利或[编辑后售卖]进行间接盈利)。
2、本站所有内容均由合作方或网友上传,本站不对文档的完整性、权威性及其观点立场正确性做任何保证或承诺!文档内容仅供研究参考,付费前请自行鉴别。
3、如文档内容存在违规,或者侵犯商业秘密、侵犯著作权等,请点击“违规举报”。

碎片内容

普通快滤池计算

您可能关注的文档

津创媒+ 关注
实名认证
内容提供者

欢迎交流文创,小店资料希望满足您的需要。

确认删除?
VIP
微信客服
  • 扫码咨询
会员Q群
  • 会员专属群点击这里加入QQ群
客服邮箱
回到顶部