电脑桌面
添加小米粒文库到电脑桌面
安装后可以在桌面快捷访问

燃煤电厂改造成联合循环的可行性分析

燃煤电厂改造成联合循环的可行性分析_第1页
1/12
燃煤电厂改造成联合循环的可行性分析_第2页
2/12
燃煤电厂改造成联合循环的可行性分析_第3页
3/12
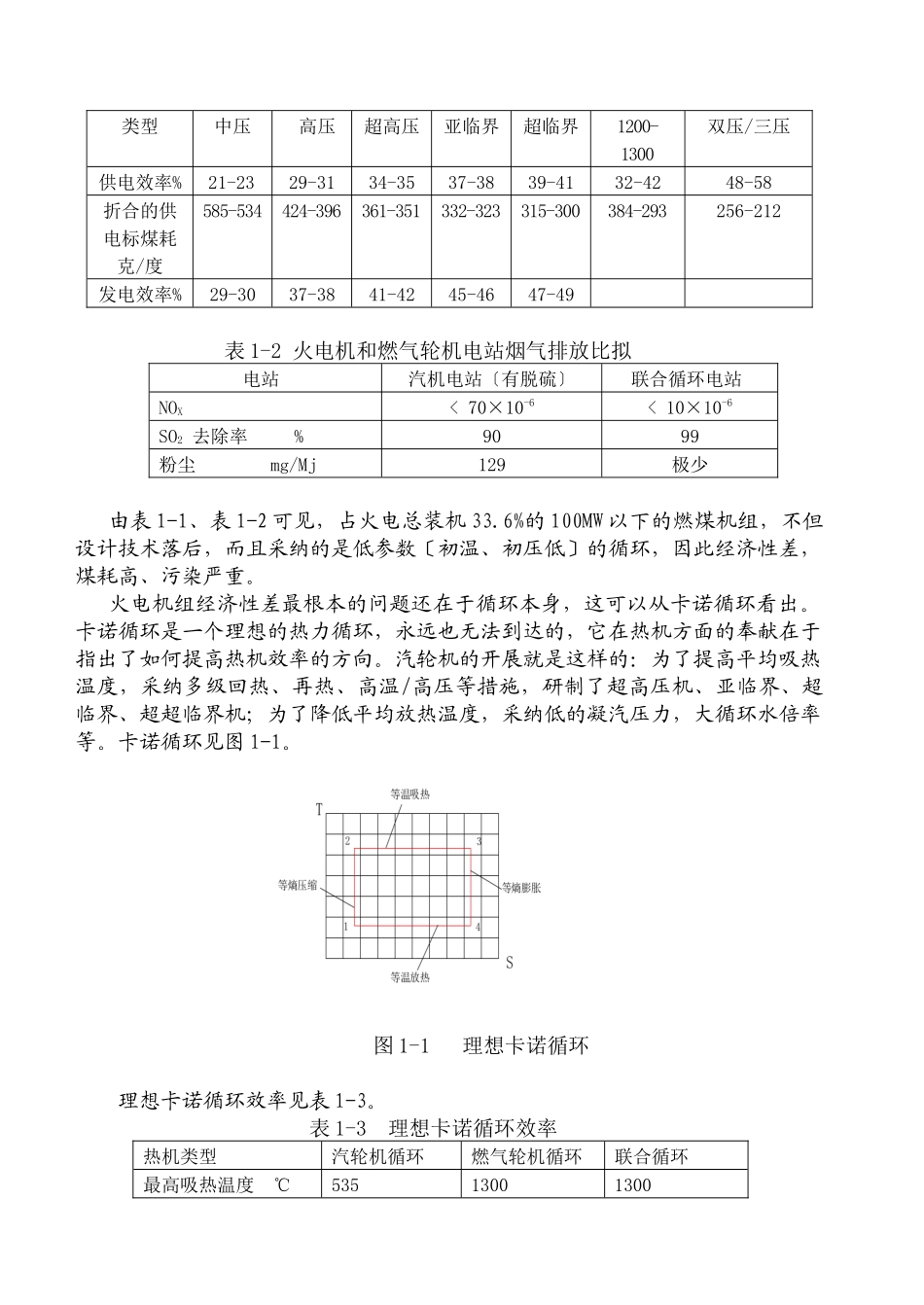
燃煤电厂改造成联合循环的可行性分析东方汽轮机厂 刘万琨E-mail:lwkyp@163 :0838-2823128-2441 :0838-2820803[内容摘要] 燃煤电厂,特别是小型的燃煤电厂,效率低、煤耗大、能源浪费,并产生大量的 SO2污染环境。大量的 CO2产生温室效应,使地球逐年变暖,这是危及人类生存、令人类担忧的问题。本文建议,将燃煤电厂改造成联合循环,是解决这个问题的最有效措施之一。提出了改造配置方案例,改造后的性能以及大约的投资费用。最后用技术-经济分析的方法确定改造方案的可行性和效益。[关 键 词] 燃煤电厂 联合循环 改造1 燃煤电厂经济性现状和原因分析1998 年,全国的电站装机总容量为 2.773 亿千瓦,其中火电机 2.1 亿千瓦,占总装机的 75.5%;水电 6507 万千瓦,占 23.5%;核电 210 万千瓦,占 0.8%。至1999 年,全国的电站装机总容量增加为 2.94 亿千瓦,年增长 6.1%。火电 300MW 及以上的燃煤机组〔亚临界机〕总共 6924 万千瓦,占火电总装机的 33.0%。300MW 以下〔不含 300MW〕的燃煤机组总共 14493 万千瓦,占火电总装机的 67.0%:其中高压 100MW 机 140 台,1400 万千瓦,占 6.67%;超高压 125MW机 134 台,1675 万千瓦,占 7.98%;超高压 200MW 机 179 台,3580 万千瓦,占17.05%;苏制超高压鲍曼级 210MW 机 17 台,357 万千瓦,占 1.7%。100MW 以下〔不含 100MW〕的高压、中压、低压参数机组,共 7060 万千瓦,占 33.6%。300MW 以下〔不含 300MW〕的燃煤机组,一般设计于 50 年代末至 70 年代初,但采纳的都是前苏联四十年代的汽轮机设计技术。经济性低、煤耗大,相应的SO2和 CO2的排放量也大,对环境产生较大污染。统计的供电效率和煤耗见表 1-1,电站烟气排放见表 1-2。表 1-1 火电机和燃气轮机电站效率比拟简单循环联合循环汽轮机电站燃机电站燃气-蒸汽电站类型中压高压超高压亚临界超临界1200-1300双压/三压供电效率%21-2329-3134-3537-3839-4132-4248-58折合的供电标煤耗克/度585-534424-396361-351332-323315-300384-293256-212发电效率%29-3037-3841-4245-4647-49表 1-2 火电机和燃气轮机电站烟气排放比拟电站汽机电站〔有脱硫〕联合循环电站NOX< 70×10-6< 10×10-6SO2 去除率 %9099粉尘 mg/Mj129极少 由表 1-1、表 1-2 可见,占火电总装机 33.6%的 100MW 以下的燃煤机组,不但设计技术落后,而且采纳的是低参数〔初温、初压低〕的...

1、当您付费下载文档后,您只拥有了使用权限,并不意味着购买了版权,文档只能用于自身使用,不得用于其他商业用途(如 [转卖]进行直接盈利或[编辑后售卖]进行间接盈利)。
2、本站所有内容均由合作方或网友上传,本站不对文档的完整性、权威性及其观点立场正确性做任何保证或承诺!文档内容仅供研究参考,付费前请自行鉴别。
3、如文档内容存在违规,或者侵犯商业秘密、侵犯著作权等,请点击“违规举报”。

碎片内容

燃煤电厂改造成联合循环的可行性分析

您可能关注的文档

确认删除?
VIP
微信客服
  • 扫码咨询
会员Q群
  • 会员专属群点击这里加入QQ群
客服邮箱
回到顶部