电脑桌面
添加小米粒文库到电脑桌面
安装后可以在桌面快捷访问

电子行业某汽车自动速器电气线路VIP专享

电子行业某汽车自动速器电气线路_第1页
1/34
电子行业某汽车自动速器电气线路_第2页
2/34
电子行业某汽车自动速器电气线路_第3页
3/34
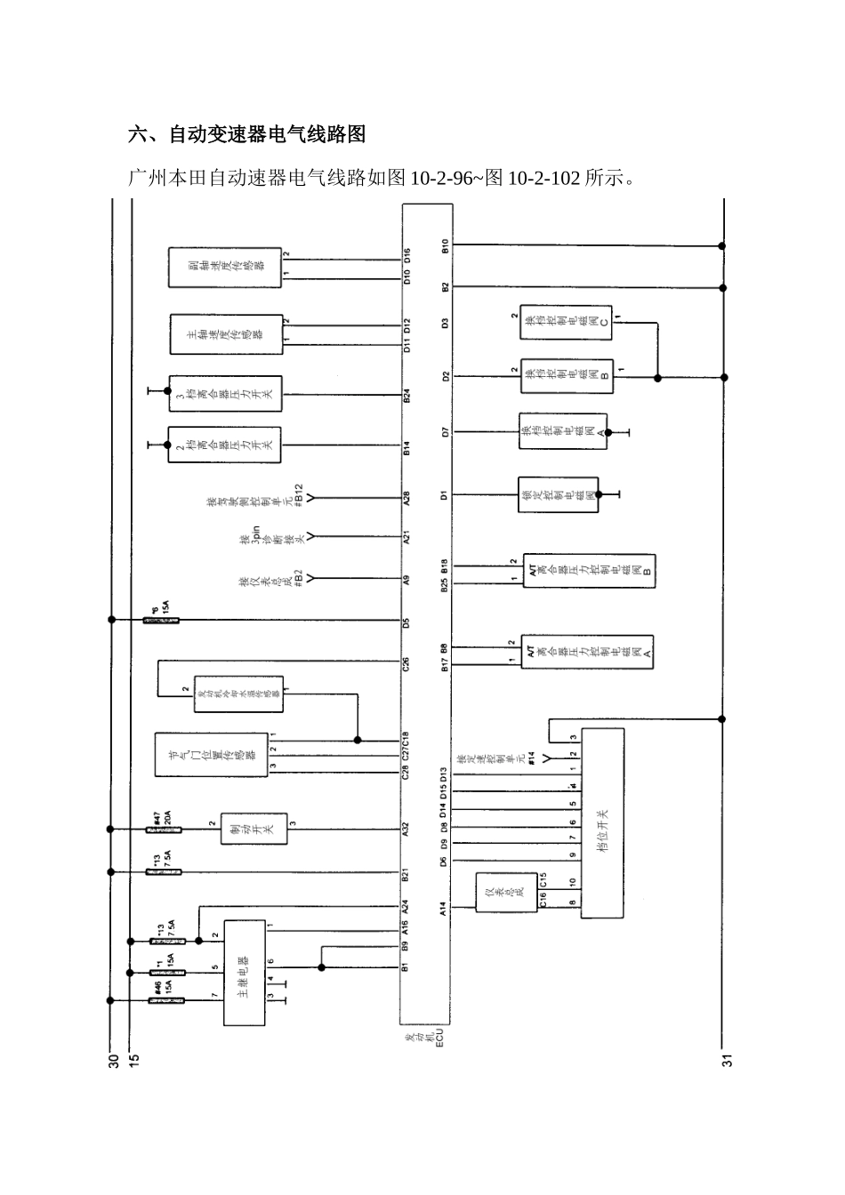
六、自动变速器电气线路图广州本田自动速器电气线路如图 10-2-96~图 10-2-102 所示。图 10-2-96 自动变速器系统电路全图图 10-2-97 自动变速器系统电路图〔1〕图 10-2-98 自动变速器系统电路图〔2〕图 10-2-99 自动变速器系统电路图〔3〕图 10-2-100 自动变速器系统电路图〔4〕图 10-2-101 自动变速器系统电路图〔5〕图 10-2-102 自动变速器系统电路图〔6〕七、ABS 系统电气线路图广州本田轿车 ABS 系统电气线路图如图 10-2-103~图 10-2-109 所示。图 10-2-103 ABS 系统电路全图图 10-2-104 ABS 系统电路图〔1〕图 10-2-105 ABS 系统电路图〔2〕图 10-2-106 ABS 系统电路图〔3〕图 10-2-107 ABS 系统电路图〔4〕图 10-2-108 ABS 系统电路图〔5〕图 10-2-109 ABS 系统电路图〔6〕八、空调系统电气线路图广州本田轿车空调系统电气线路图如图 10-2-110~图 10-2-123 所示。图 10-2-110 手动空调冷气系统电路全图图 10-2-111 手动空调冷气系统电路图〔1〕图 10-2-112 手动空调冷气系统电路图〔2〕图 10-2-113 手动空调冷气系统电路图〔3〕图 10-2-114 手动空调冷气系统电路图〔4〕图 10-2-115 手动空调冷气系统电路图〔5〕图 10-2-116 恒温空调冷气系统电路全图图 10-2-117 恒温空调冷气系统电路图〔1〕图 10-2-118 恒温空调冷气系统电路图〔2〕图 10-2-119 恒温空调冷气系统电路图〔3〕图 10-2-120 恒温空调冷气系统电路图〔4〕图 10-2-121 恒温空调冷气系统电路图〔5〕图 10-2-122 恒温空调冷气系统电路图〔6〕图 10-2-123 恒温空调冷气系统电路图〔7〕九、平安气囊与电动后视镜电气线路图广州本田轿车平安气囊与电动后视镜电气线路图如图 10-2-124~图10-2-129 所示。图 10-2-124 平安气囊系统电路全图图 10-2-125 平安气囊系统电路图〔1〕图 10-2-126 平安气囊系统电路图〔2〕

1、当您付费下载文档后,您只拥有了使用权限,并不意味着购买了版权,文档只能用于自身使用,不得用于其他商业用途(如 [转卖]进行直接盈利或[编辑后售卖]进行间接盈利)。
2、本站所有内容均由合作方或网友上传,本站不对文档的完整性、权威性及其观点立场正确性做任何保证或承诺!文档内容仅供研究参考,付费前请自行鉴别。
3、如文档内容存在违规,或者侵犯商业秘密、侵犯著作权等,请点击“违规举报”。

碎片内容

电子行业某汽车自动速器电气线路

一二三四传媒+ 关注
实名认证
内容提供者

大量资料供您选择,没有合适的可以联系小二。

确认删除?
VIP
微信客服
  • 扫码咨询
会员Q群
  • 会员专属群点击这里加入QQ群
客服邮箱
回到顶部