电脑桌面
添加小米粒文库到电脑桌面
安装后可以在桌面快捷访问

管道焊接质量验收评定表

管道焊接质量验收评定表_第1页
1/2
管道焊接质量验收评定表_第2页
2/2
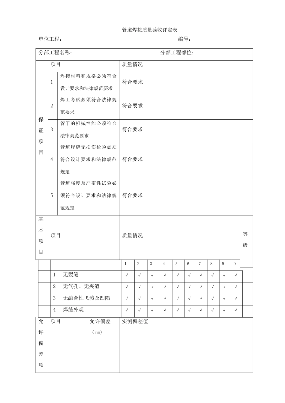
管道焊接质量验收评定表单位工程: 编号:分部工程名称:分部工程部位:保证项目项目质量情况1焊接材料和规格必须符合设计要求和法律规范要求符合要求2焊工考试必须符合法律规范要求符合要求3管子的机械性能必须符合法律规范要求符合要求4管道焊缝无损伤检验必须符合设计要求和法律规范规定符合要求5管道强度及严密性试验必须符合设计要求和法律规范规定符合要求基本项目项目质量情况等级12345678901无裂缝√√√√√√√√√√ 2无气孔、无夹渣√√√√√√√√√√ 3无融合性飞溅及凹陷√√√√√√√√√√ 4焊缝外观√√√√√√√√√√ 允许偏差项项目允许偏差(mm)实测偏差值目1234567890 1咬边深度≤0 2焊缝高度外 缝焊≤1+且≤4 内 缝焊≤1+且≤43 3错边深度≤21211211112 4错边长度<1/4 周长 1/9 1/8 1/9 1/9 1/8 1/9 1/9 1/9 1/8 1/9 5坡口角度±510001001-21 检查项目保证项目符合要求基本项目检查 4 项,其中优良 4 项,优良率 100%允许偏差项目实测 60 项,其中合格 60 项,合格率 100%评定等级质量检验员:工程负责人: 2024 年 月 日 核定等级监理工程师: 年 月 日

1、当您付费下载文档后,您只拥有了使用权限,并不意味着购买了版权,文档只能用于自身使用,不得用于其他商业用途(如 [转卖]进行直接盈利或[编辑后售卖]进行间接盈利)。
2、本站所有内容均由合作方或网友上传,本站不对文档的完整性、权威性及其观点立场正确性做任何保证或承诺!文档内容仅供研究参考,付费前请自行鉴别。
3、如文档内容存在违规,或者侵犯商业秘密、侵犯著作权等,请点击“违规举报”。

碎片内容

管道焊接质量验收评定表

元素商铺+ 关注
实名认证
内容提供者

欢迎挑选合适的文档

相关文档

确认删除?
VIP
微信客服
  • 扫码咨询
会员Q群
  • 会员专属群点击这里加入QQ群
客服邮箱
回到顶部