电脑桌面
添加小米粒文库到电脑桌面
安装后可以在桌面快捷访问

缺陷桩处理工程实例VIP专享

缺陷桩处理工程实例_第1页
1/8
缺陷桩处理工程实例_第2页
2/8
缺陷桩处理工程实例_第3页
3/8
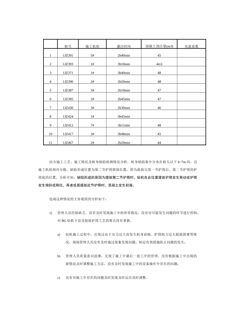
水下钻孔灌注桩缺陷的分析及处理工程实例我公司施工的某发电厂桩基 B 标,完成 1 号锅炉 φ1000 桩长 50m 的钻孔灌注桩 147 根。地层情况:第一层为素填土或粘土,层厚 2~3m 软塑状态,第二层为淤泥层 ,层厚 16~20m 流塑状态,下部为粘土和粉质粘土。根据地层情况我公司施工中成孔工艺采纳旋挖钻机成孔,泥浆护壁,上部淤泥层采纳下设长护筒〔15~21m〕护壁,防止孔壁坍塌。 1 号锅炉桩基施工用钻机自身下设、提拔护筒。由于钻机自身施工能力及现场施工人员经验缺乏 ,对此工艺施工钻孔灌注桩的最后一道工序提拔护筒控制不严格,造成了基坑开挖后,低应变检测发现 11根Ⅲ类桩。桩基检测由业主委托土木讨论所测试中心进行,对 1 号锅炉 φ1000 钻孔灌注桩进行低应变检测,共发现Ⅲ类桩11根,分别为1JZ393、1JZ390、1JZ391、1JZ371、1JZ387、1JZ467、1JZ417、1JZ430、1JZ424、1JZ412、1JZ490。Ⅲ类桩数量约占 1 号锅炉施工桩数的 7.5%。1)从土木讨论所测试中心低应变检测结果看,Ⅱ、Ⅲ类桩桩身缺陷分布在桩顶下 6~7m 间,且缺陷程度不同;2)缺陷桩在 1 号锅炉均匀分布,没有相对集中的现象;3)发现缺陷桩后,我公司组织力量对缺陷桩(Ⅲ 类桩)进行了钻芯取样,取出钻芯完整度>95%,没有发现明显桩身缺陷。由于地层上部为 20m 厚的流塑淤泥层,所以必须下设 20m 左右的钢护筒来防止孔壁坍塌,1 号锅炉钻孔灌注桩采纳的是 BG 钻机自身下护筒、自身提拔护筒的工艺,工艺介绍如下:该施工方法的根本原理是先利用钻机的护筒驱动器下设护筒至软弱覆盖层的层底,防止该层土塌孔,并以水平尺测定护筒的垂直度;然后用短螺旋钻头取土,并通过操作钻机上的纠偏液压油缸调整钻杆的垂直状况,以控制成孔精度。在钻至设计要求孔深后,用旋挖钻具去除孔底浮土,以提高桩的承载力,然后放入钢筋笼,进行混凝土浇注,最后钻机利用护筒驱动器拔出护筒。本工艺特点是充分利用 BG 钻机功率大、扭距大的特点,利用自身能力,完成护筒埋设及提拔,占用其它机械少。缺陷桩施工情况汇总如下:桩号施工机组灌注时间混凝土浇注量(m3)充盈系数11JZ3915#2h40min4521JZ3931#3h10min44.631JZ3711#3h40min4841JZ3902#2h20min4851JZ3875#2h10min4761JZ3855#2h45min4771JZ4303#2h30min4681JZ4241#3h45min91JZ4127#3h11min48101JZ4173#3h48min45111JZ4672#2h20min44结合施工工艺、施工情况及桩身缺陷检测情况分析,桩身缺陷集中分布在桩头以下...

1、当您付费下载文档后,您只拥有了使用权限,并不意味着购买了版权,文档只能用于自身使用,不得用于其他商业用途(如 [转卖]进行直接盈利或[编辑后售卖]进行间接盈利)。
2、本站所有内容均由合作方或网友上传,本站不对文档的完整性、权威性及其观点立场正确性做任何保证或承诺!文档内容仅供研究参考,付费前请自行鉴别。
3、如文档内容存在违规,或者侵犯商业秘密、侵犯著作权等,请点击“违规举报”。

碎片内容

缺陷桩处理工程实例

确认删除?
VIP
微信客服
  • 扫码咨询
会员Q群
  • 会员专属群点击这里加入QQ群
客服邮箱
回到顶部