电脑桌面
添加小米粒文库到电脑桌面
安装后可以在桌面快捷访问

通用螺杆机控制器.安装使用手册.

通用螺杆机控制器.安装使用手册._第1页
1/15
通用螺杆机控制器.安装使用手册._第2页
2/15
通用螺杆机控制器.安装使用手册._第3页
3/15
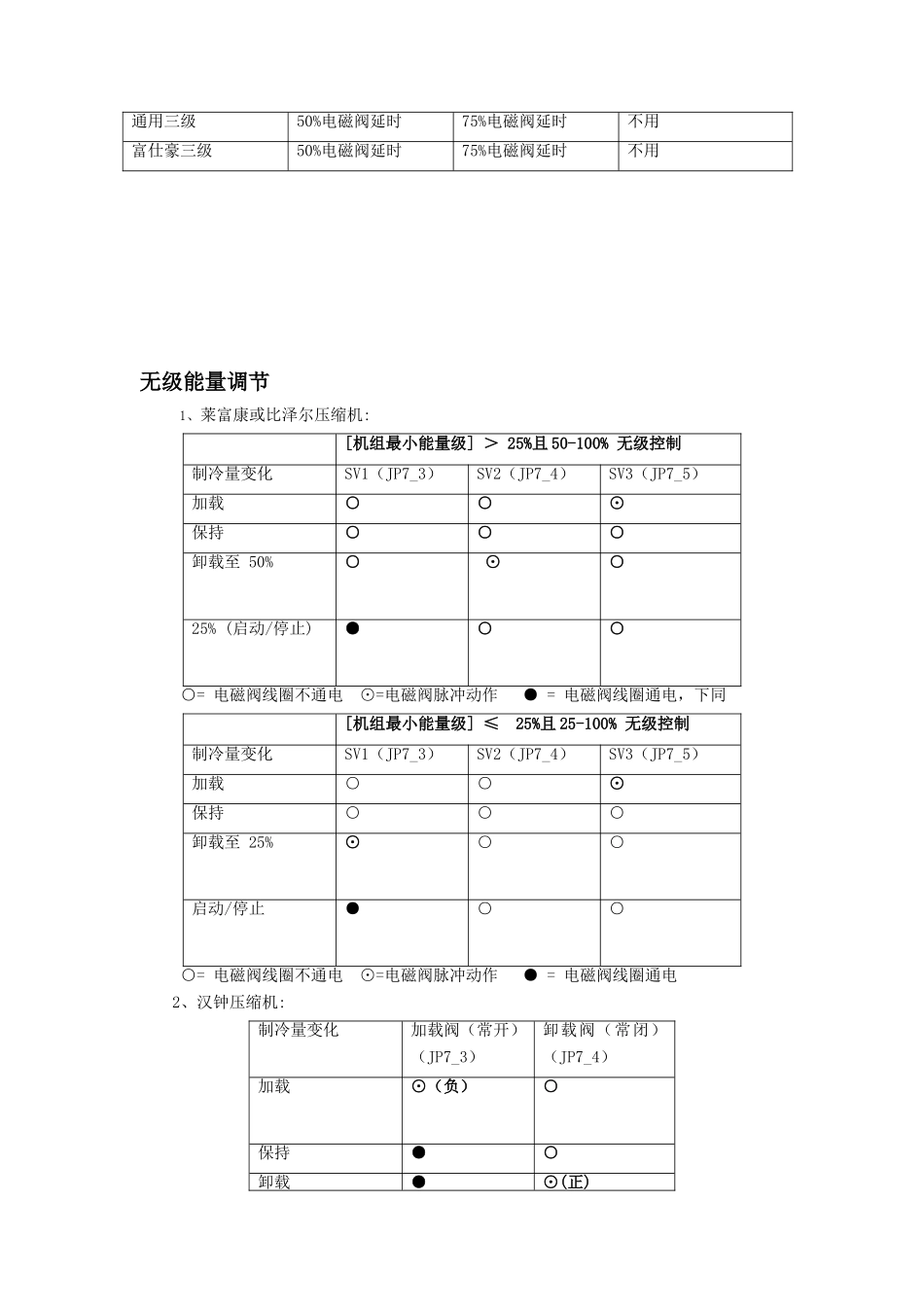
SC12.通用螺杆机控制器.安装使用手册.简易版.161009TP 系列真彩触摸屏显示器外型尺寸型号: TP070(7 寸)、TP100(10 寸)分辨率:800*480产品外观及尺寸(单位:mm)型号ABCDEFGHIJKTP070TP100ZY100 外型尺寸用户设置界面在运行主界面下按[用户设置]键,输入正确密码后进入用户设置界面。如下图所示。点击相应的按钮则可进入相应的设置项,详见用户设置。密码默认为“20110918”。机器设置界面在运行主界面点击左上角隐藏按钮,弹出输入密码键盘,输入正确密码后进入机器设置界面如下图所示。只有空调厂家和调试人员才有权限进行操作。密码默认为“”。厂家设置在运行主界面中按“软件版本”按钮,进入软件版本界面后,点击界面左上角弹出密码框,输入正确的厂家密码后进入厂家设置界面,如下图所示。只有空调厂家才有权设置所有参数。厂家设置包括:厂家参数设置、系统参数初始 化 、 系 统 维 护 设 置 、 系 统 时 钟 设 置 和 修 改 厂 家 密 码 。 密 码 默 认 为“20110918”。有级能量调节电磁阀动作与能量级对应如下表所示。接线方法SV1(JP7_3)SV2(JP7_4)SV3(JP7_5)通用四级负荷25%电磁阀50%电磁阀75%电磁阀25%●○○50%○●○75%○○●100%○○○RB10 三级负荷33%电磁阀66%电磁阀备用33%●○--66%○●--100%○○--富士豪三级负荷备用CR1 电磁阀CR2 电磁阀33%--○○66%--●○100%--●●说明:●为电磁阀通电,○为电磁阀断电。能量级时间参数如下表所示。能量级参数通用四级25%电磁阀延时50%电磁阀延时100%电磁阀延时通用三级50%电磁阀延时75%电磁阀延时不用富仕豪三级50%电磁阀延时75%电磁阀延时不用无级能量调节 1、莱富康或比泽尔压缩机:[机组最小能量级] > 25%且 50-100% 无级控制制冷量变化SV1(JP7_3)SV2(JP7_4)SV3(JP7_5)加载○○⊙保持○○○卸载至 50%○⊙○25% (启动/停止)●○○○= 电磁阀线圈不通电 ⊙=电磁阀脉冲动作 ● = 电磁阀线圈通电,下同[机组最小能量级] ≤ 25%且 25-100% 无级控制制冷量变化SV1(JP7_3)SV2(JP7_4)SV3(JP7_5)加载○○⊙保持○○○卸载至 25%⊙○○启动/停止●○○○= 电磁阀线圈不通电 ⊙=电磁阀脉冲动作 ● = 电磁阀线圈通电2、汉钟压缩机:制冷量变化加载阀(常开)(JP7_3)卸载阀(常闭)(JP7_4)加载⊙(负)○保持●○卸载●⊙(正)启动/停止●●3、复盛压缩机:[机组最小能量级] ≤ 25%且 25-100% 无级控制制冷...

1、当您付费下载文档后,您只拥有了使用权限,并不意味着购买了版权,文档只能用于自身使用,不得用于其他商业用途(如 [转卖]进行直接盈利或[编辑后售卖]进行间接盈利)。
2、本站所有内容均由合作方或网友上传,本站不对文档的完整性、权威性及其观点立场正确性做任何保证或承诺!文档内容仅供研究参考,付费前请自行鉴别。
3、如文档内容存在违规,或者侵犯商业秘密、侵犯著作权等,请点击“违规举报”。

碎片内容

通用螺杆机控制器.安装使用手册.

办公文档专营+ 关注
实名认证
内容提供者

大量办公文档,欢迎选择

确认删除?
VIP
微信客服
  • 扫码咨询
会员Q群
  • 会员专属群点击这里加入QQ群
客服邮箱
回到顶部