电脑桌面
添加小米粒文库到电脑桌面
安装后可以在桌面快捷访问

通风技术交底VIP专享

通风技术交底_第1页
1/9
通风技术交底_第2页
2/9
通风技术交底_第3页
3/9
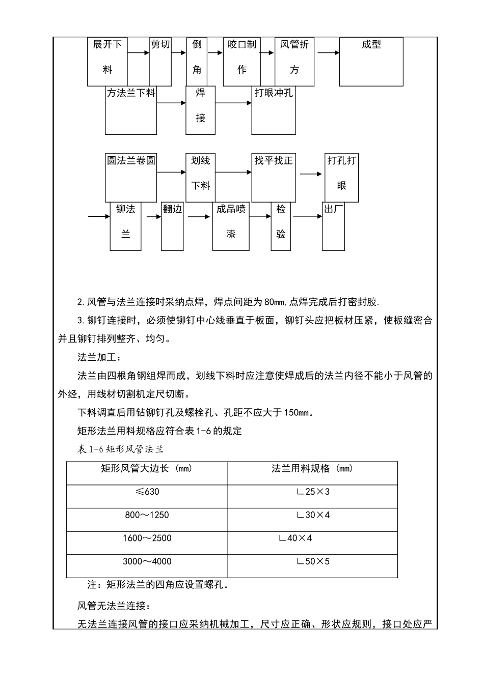
技术交底记录 编号工程名称警苑 3#住宅楼消防系统安装工程交底日期施工单位河北东林消防工程有限公司分项工程名称通风排烟系统交底提要通风排烟系统安装相关材料、机具准备、质量要求及施工工艺交底内容:一、材料要求1.镀锌钢板(带)应符合国家标准《连续热镀锌薄钢板和钢带》GB2518 的要求,其性能宜选用机械咬口类。采纳 100 号以上的镀锌层,其三点试验平均值(双面)应不小于100g/。2. 各种材料应具有出厂合格证明书或质量鉴定文件。3. 除上述文件外,应进行外观检查,各种板材表面应平整,厚度均匀,无明显伤痕,并不得有裂纹、锈蚀等质量缺陷。型材应等型、均匀、无裂纹及严重锈蚀等情况。4. 风机设备、材料的名称、型号和规格与图纸要求一致。5.其他安装时伸用的相关材料不得有质量缺陷。 二、主要机具、设备1.机械:剪板机、冲剪机、薄钢板法兰成型机、切角机、咬口机、压筋机、折方机、合缝机、振动式曲线剪板机、型钢切割机、卷圆机、圆弯头咬口机、角(扁)钢卷圆机、冲孔机、插条法兰机、螺旋卷管机、台钻、电气焊设备、空气压缩机等。2.工具:手用电动剪、手电钻、油漆喷枪、液压铆钉钳、拉铆枪、划针、冲子、铁锤、木锤及钢卷尺、钢直尺、角尺、量角器、划规等。三、作业条件1.现场加工场地应洁净、地面平整、不潮湿,并能防雨雪、大风且结构牢固,有充足的照明设施。2.作业地点要有相应加工工艺的基本机具、设施及电源和可靠的安全防护装置,并配有消防器材。3.编制施工组织设计,并己进行技术、质量、安全交底。4.风管制作应有批准的图纸、经审查的大样图、系统图。四、操作工艺送风镀锌铁板风管制作安装风管制作1.连接风管工艺流程:展开下料剪切倒角咬口制作风管折方成型方法兰下料焊 接打眼冲孔圆法兰卷圆划线下料找平找正打孔打眼铆法兰翻边成品喷漆检验出厂2.风管与法兰连接时采纳点焊,焊点间距为 80mm,点焊完成后打密封胶.3.铆钉连接时,必须使铆钉中心线垂直于板面,铆钉头应把板材压紧,使板缝密合并且铆钉排列整齐、均匀。法兰加工:法兰由四根角钢组焊而成,划线下料时应注意使焊成后的法兰内径不能小于风管的外经,用线材切割机定尺切断。下料调直后用钻铆钉孔及螺栓孔、孔距不应大于 150mm。矩形法兰用料规格应符合表 1-6 的规定 表 1-6 矩形风管法兰 矩形风管大边长 (mm)法兰用料规格 (mm)≤630∟25×3800~1250∟30×41600~2500∟40×43000~4000∟50×5 注:矩形法兰的四角应设置螺孔。...

1、当您付费下载文档后,您只拥有了使用权限,并不意味着购买了版权,文档只能用于自身使用,不得用于其他商业用途(如 [转卖]进行直接盈利或[编辑后售卖]进行间接盈利)。
2、本站所有内容均由合作方或网友上传,本站不对文档的完整性、权威性及其观点立场正确性做任何保证或承诺!文档内容仅供研究参考,付费前请自行鉴别。
3、如文档内容存在违规,或者侵犯商业秘密、侵犯著作权等,请点击“违规举报”。

碎片内容

通风技术交底

确认删除?
VIP
微信客服
  • 扫码咨询
会员Q群
  • 会员专属群点击这里加入QQ群
客服邮箱
回到顶部