电脑桌面
添加小米粒文库到电脑桌面
安装后可以在桌面快捷访问

防护棚、安全通道制作工艺

防护棚、安全通道制作工艺_第1页
1/12
防护棚、安全通道制作工艺_第2页
2/12
防护棚、安全通道制作工艺_第3页
3/12
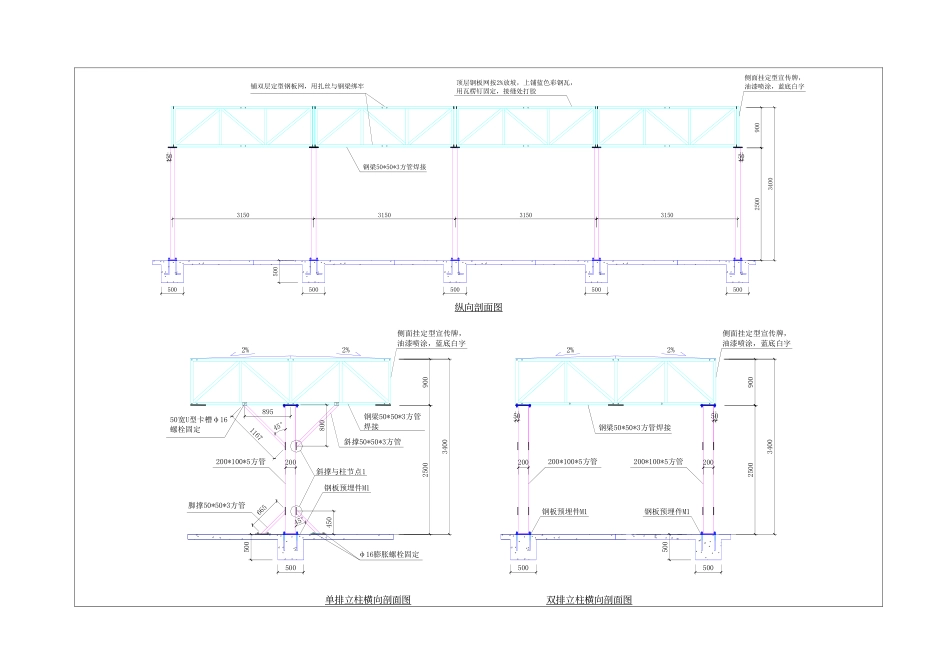
第一节 防护棚1.1 钢筋加工棚做法说明图 示 钢筋棚可采纳单排立柱,和双排立柱。立 柱 采 纳 200*100*5方 管 , 上 下 端 焊300*200*10 钢板,钢板四角打?20 圆孔,每 个 立 柱 下 设500*500*500 C20 混凝土基础,预埋 4 根?18 螺栓与立柱连接。钢筋棚由标准单元组合而成,钢梁由 50*3方管焊接而成,梁与柱用 4 根?18 螺栓连接,梁与梁用 4 根?16螺栓连接。钢梁上铺双层定型钢板网,顶层钢板网向两侧放坡2%,并加铺蓝色彩钢瓦。顶棚侧面挂定型宣传牌,宣传牌由钢筋和镀锌铁皮焊接而成 , 并 喷 涂 宣 传 标语,底色为蓝色,标语为白色。所有钢构件均涂防锈漆进行防腐。 钢筋棚构件也可用于搭设安全通道、及钢梁1钢梁1钢梁1钢梁1钢梁1钢梁2钢梁2钢梁2钢梁2钢梁2钢梁2钢梁2钢梁2钢梁3钢梁3钢梁3钢梁3钢梁3钢梁3钢梁3钢梁3钢梁2钢梁2钢梁2钢梁2标准单元315038001900190015751575505031501575157531501575157531501575157512600柱梁节点1100100250250100100100100100100100100250250250250250250250250双排立柱平面图钢梁1钢梁1钢梁1钢梁1钢梁1钢梁2钢梁2钢梁2钢梁2钢梁2钢梁2钢梁2钢梁2钢梁3钢梁3钢梁3钢梁3钢梁3钢梁3钢梁3钢梁3钢梁2钢梁2钢梁2钢梁2100100150100100100100100100100100150150 150150 150150150 150150标准单元315038001900190015751575505031501575157531501575157531501575157512600柱梁节点2单排立柱平面图其它防护棚。 各构件加工与安装时应考虑实际尺寸误差自行调整。铺双层定型钢板网,用扎丝与钢梁绑牢顶层钢板网按2%放坡,上铺蓝色彩钢瓦,用瓦楞钉固定,接缝处打胶5050315031503150315090034002500侧面挂定型宣传牌,油漆喷涂,蓝底白字钢梁50*50*3方管焊接500500500500500500纵向剖面图200*100*5方管钢板预埋件M150宽U型卡槽φ16螺栓固定斜撑与柱节点1斜撑50*50*3方管脚撑50*50*3方管200*100*5方管90034002500侧面挂定型宣传牌,油漆喷涂,蓝底白字钢梁50*50*3方管焊接500500200钢板预埋件M1200*100*5方管500200钢板预埋件M150502%2%2%2%φ16膨胀螺栓固定45090034002500侧面挂定型宣传牌,油漆喷涂,蓝底白字45°895800116745°665钢梁50*50*3方管焊接500500200单排立柱横向剖面图 双排立柱横向剖面图3150380019001900157515755018255018255050152550152550梁节点1梁节点1梁节点1梁节点2梁节点2梁节点2梁节点2钢梁1钢梁1钢梁3钢梁3钢梁2钢梁2钢梁25050梁与梁用φ16螺栓连接梁...

1、当您付费下载文档后,您只拥有了使用权限,并不意味着购买了版权,文档只能用于自身使用,不得用于其他商业用途(如 [转卖]进行直接盈利或[编辑后售卖]进行间接盈利)。
2、本站所有内容均由合作方或网友上传,本站不对文档的完整性、权威性及其观点立场正确性做任何保证或承诺!文档内容仅供研究参考,付费前请自行鉴别。
3、如文档内容存在违规,或者侵犯商业秘密、侵犯著作权等,请点击“违规举报”。

碎片内容

防护棚、安全通道制作工艺

确认删除?
VIP
微信客服
  • 扫码咨询
会员Q群
  • 会员专属群点击这里加入QQ群
客服邮箱
回到顶部