电脑桌面
添加小米粒文库到电脑桌面
安装后可以在桌面快捷访问

雨水管道及配件安装工程检验批质量验收记录表

雨水管道及配件安装工程检验批质量验收记录表_第1页
1/4
雨水管道及配件安装工程检验批质量验收记录表_第2页
2/4
雨水管道及配件安装工程检验批质量验收记录表_第3页
3/4
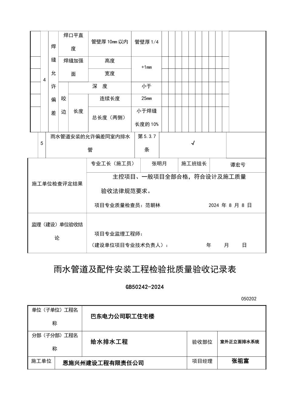
雨水管道及配件安装工程检验批质量验收记录表GB50242-2024050202单位(子单位)工程名称巴东电力公司职工住宅楼分部(子分部)工程名称给水排水工程验收部位室外背立面排水系统施工单位 恩施兴州建设工程有限责任公司项目经理张祖富分包单位/分包项目经理/施工执行标准名称及编号《建筑给水排水及采暖工程施工质量验收法律规范》GB50242-2024施工质量验收法律规范的规定施工单位检查评定记录监理(建设)单位验收记录主控项目1室内雨水管道灌水试验第 5.3.1 条√2塑料雨水管安装伸缩节第 5.3.2 条√3地下埋设雨水管道最小坡度(1)50mm20‰(2)75mm15‰(3)100mm8‰(4)125mm6‰(5)150mm5‰(6)200~400mm4‰(7)悬吊雨水管最小坡度≤5‰一般项目1雨水管不得与生活污水管相连接第 5.3.4 条√2雨水斗安装第 5.3.5 条√3悬吊前检查口间距≤150 ≯15mm 698574≥200 ≯20mm 26987424焊缝允许偏差焊口平直度管壁厚 10mm 以内管壁厚 1/4焊缝加强面高度+1mm宽度咬边深 度小于长度连续长度25mm总长度(两侧)小于焊缝长度的 10%5雨水管道安装的允许偏差同室内排水管第 5.3.7条√施工单位检查评定结果专业工长(施工员)张明月施工班组长谭宏亏主控项目、一般项目全部合格,符合设计及施工质量验收法律规范要求。项目专业质量检查员:范朝林 2024 年 8 月 8 日监理(建设)单位验收结论项目专业监理工程师: (建设单位项目专业技术负责人): 年 月 日雨水管道及配件安装工程检验批质量验收记录表GB50242-2024050202单位(子单位)工程名称巴东电力公司职工住宅楼分部(子分部)工程名称给水排水工程验收部位室外正立面排水系统施工单位 恩施兴州建设工程有限责任公司项目经理张祖富分包单位/分包项目经理/施工执行标准名称及编号《建筑给水排水及采暖工程施工质量验收法律规范》GB50242-2024施工质量验收法律规范的规定施工单位检查评定记录监理(建设)单位验收记录主控项目1室内雨水管道灌水试验第 5.3.1 条√2塑料雨水管安装伸缩节第 5.3.2 条√3地下埋设雨水管道最小坡度(1)50mm20‰(2)75mm15‰(3)100mm8‰(4)125mm6‰(5)150mm5‰(6)200~400mm4‰(7)悬吊雨水管最小坡度≤5‰一般项1雨水管不得与生活污水管相连接第 5.3.4 条√2雨水斗安装第 5.3.5 条√3悬吊前检查口间距≤150 ≯15mm 698574≥200 ≯20mm 26987424焊缝允许偏焊口平直度管壁厚 10mm 以内管壁厚 1/4焊缝加强面高度+1...

1、当您付费下载文档后,您只拥有了使用权限,并不意味着购买了版权,文档只能用于自身使用,不得用于其他商业用途(如 [转卖]进行直接盈利或[编辑后售卖]进行间接盈利)。
2、本站所有内容均由合作方或网友上传,本站不对文档的完整性、权威性及其观点立场正确性做任何保证或承诺!文档内容仅供研究参考,付费前请自行鉴别。
3、如文档内容存在违规,或者侵犯商业秘密、侵犯著作权等,请点击“违规举报”。

碎片内容

雨水管道及配件安装工程检验批质量验收记录表

人从众+ 关注
实名认证
内容提供者

欢迎光临小店,本店以公文和教育为主,希望符合您的需求。

相关文档

确认删除?
VIP
微信客服
  • 扫码咨询
会员Q群
  • 会员专属群点击这里加入QQ群
客服邮箱
回到顶部