电脑桌面
添加小米粒文库到电脑桌面
安装后可以在桌面快捷访问

专业设备三定四化管理实施细则

专业设备三定四化管理实施细则_第1页
1/10
专业设备三定四化管理实施细则_第2页
2/10
专业设备三定四化管理实施细则_第3页
3/10
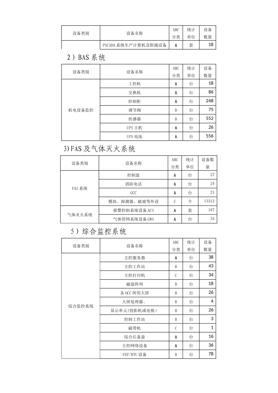
专业设备三定四化管理实施细则依据《生产设备管理制度》 第 10。3.3 条,各单位为保证检修质量,须将“三定四化记名修”制度作为常态化管理,对设备特别是行车关键设备做到检修责任到人,将设备的检修质量“包干到人",特制定本实施细则。专业包含自修专业:综合监控系统、机电设备监控系统、电力监控系统;委外修专业:防灾报警系统、气体自动灭火系统.一、目的贯彻 “三定四化记名修”制度,落实关键设备的检修责任,检修质量包干到人。本实施细则,将细化主体检修责任以及委外监管责任,明确“两个责任”的管理办法与实施细则.二、范围本实施细则管理范围包括自动化专业设备预防性维修一级保养二级保养、小修修程,以及上述修程委外实施的管理。三、定义1、设备分类依据《生产设备管理制度》的设备分类,定义 A 类设备为关键设备,由专人包保负责。定义 B、C 类为一般设备,由班组包保负责。各线设备数量如下表:1)SCADA 系统设备类别设备名称ABC分类统计单位设备数量PSCADA 系统变电所 PSCADA 系统站级设备A套21PSCADA 系统 UPSA台2设备类别设备名称ABC分类统计单位设备数量PSCADA 系统生产计算机及附属设备A套182)BAS 系统设备类别设备名称ABC分类统计单位设备数量机电设备监控工控机A台18交换机A台86控制柜A台248调节阀B台75传感器B台552UPS 主机A台26UPS 电池A台556 3)FAS 及气体灭火系统设备类别设备名称ABC分类统计单位设备数量FAS 系统控制盘A台27消防电话A台24GCCA台21模块、探测器、破玻等外设C个13312气体灭火系统报警控制系统设备 ACSA套187气体管网系统设备 GWSA台34 5)综合监控系统设备类别设备名称ABC分类统计单位设备数量综合监控系统主控服务器A台38主控工作站B台43主控打印机C台34磁盘阵列B台18各 OCC 所用大屏B台26大屏处理器、B台4显示单元(投影机或电视)B台26控制工作站B台3磁带机C台1综合后备盘A台16主控网络设备A台36FEP/RTU 设备B台78设备类别设备名称ABC分类统计单位设备数量主控 UPSB台182、三定四化记名修名称定义解析执行标准三定定设备设备设施根据分部、工班间管理接口划分,明确各分部、各班组设备管辖范围及分界点,防止漏检漏修.分部及以上单位生产维修接口管理规定与设备管理办法。定人或班组设备设施维护和检修落实到人或班组,同时明确各级人员对设备管理和检修的职责及要求。1。A 类设备统一张贴责任铭牌 2。分部制定设备管理责任台账 3.《三定四化责任管理细则》定检修周...

1、当您付费下载文档后,您只拥有了使用权限,并不意味着购买了版权,文档只能用于自身使用,不得用于其他商业用途(如 [转卖]进行直接盈利或[编辑后售卖]进行间接盈利)。
2、本站所有内容均由合作方或网友上传,本站不对文档的完整性、权威性及其观点立场正确性做任何保证或承诺!文档内容仅供研究参考,付费前请自行鉴别。
3、如文档内容存在违规,或者侵犯商业秘密、侵犯著作权等,请点击“违规举报”。

碎片内容

专业设备三定四化管理实施细则

确认删除?
VIP
微信客服
  • 扫码咨询
会员Q群
  • 会员专属群点击这里加入QQ群
客服邮箱
回到顶部