电脑桌面
添加小米粒文库到电脑桌面
安装后可以在桌面快捷访问

临时施工用电方案

临时施工用电方案_第1页
1/4
临时施工用电方案_第2页
2/4
临时施工用电方案_第3页
3/4
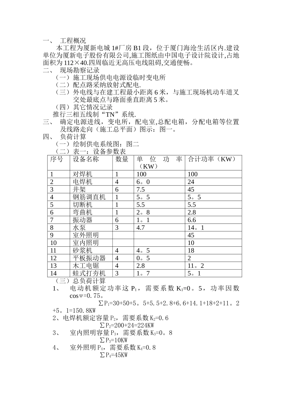
一、 工程概况本工程为厦新电城 1#厂房 B1 段,位于厦门海沧生活区内.建设单位为厦新电子股份有限公司,施工图纸由中国电子设计院设计,占地面积为 112×40.四周临近无高压电线阻碍,交通便畅。二、 现场勘察记录(一)施工现场供电电源设临时变电所(二)配点路采纳放射式配电.(三)外电线与在建工程最小距离 6 米,与施工现场机动车道叉交处最底点与路面垂直距离 5 米。(四)其它情况记录推行三相五线制“TN”系统.三、 确定电源进线,变电所,配电室,总配电箱,分配电箱等位置及线路走向(施工总平面)图示:图一。四、 负荷计算(一)绘制供电系统图:图二(二)表一:设备参数表序号设备名称数量单位功率(KW)合计功率(KW)1对焊机11001002电焊机46。0243井架67.5454钢筋调直机15。55。55切断机15.55.56弯曲机12。82.87振动器61。16.68水泵34.714。19室外照明4510室内照明1011砂浆机44。51812平板振动器40。5213木工电锯42.811。214蛙式打夯机31。75。1(三)总负荷计算1、电动机额定功率这 P1,需要系数 K1=0。5,功率因数cosΨ=0.75。 ∑P1=30+50+5。5+5.5+2.8+6.6+14.1+18+2+11。2+5。1=150.8KW2、电焊机额定容量 P2,需要系数 K2=0.6∑P2=200+24=224KW3、室内照明容量 P3,需要系数 K3=0。8∑P3=10KW 4、室外照明 P4,需要系数 K4=0.8∑P4=45KW∑P=1。05×(0.5×150.8/0。75+0。6×100+0。8×10+0.8×45)=214.2KW五、 选择变压器容量,导线截面和电器的类型规格。(一)选择 250KVA 变压器(二)选择导线(干线)截面型号。1、选择 1 号二级开关箱导线,用电设备见系统图:sj=1.05×0.6×36。4/0。75+0.6×(100+24)=114.6KVAIj=0。75×1000×114。6/(3×380×0.75)=100。52A选择 BX 型 25mm 铜芯导线2、选择 2 号开关箱导线,用电设备见系统图:Sj=1。05×0。6×88.6/0。75+0.6×20=106。4KVAIj=0。75×106。4×1000/(3×380×0。75)=161。7A3、选择 3 号二级开关箱导线,用电设备见前系统图:Sj=1。05×0。6×37。5+10+0。6×37。6=46.185Ij=0。75×46。185×1000/(3×380×0。75)=40.5A选用 BX 型号 10MM 铜芯橡皮线.(三)选择电器规格、型号、配电线、配电箱、开关箱主要电器规格、型号.1、选择配电箱,开关箱主要电器规格,型号名称:技术数据总开关:HD400二级配电箱开关:HD2002、主要设备,配电线。设备名称 开关型号 熔断丝 导线截面对焊机 HD200 200A BX 铜 35mm六、 绘制...

1、当您付费下载文档后,您只拥有了使用权限,并不意味着购买了版权,文档只能用于自身使用,不得用于其他商业用途(如 [转卖]进行直接盈利或[编辑后售卖]进行间接盈利)。
2、本站所有内容均由合作方或网友上传,本站不对文档的完整性、权威性及其观点立场正确性做任何保证或承诺!文档内容仅供研究参考,付费前请自行鉴别。
3、如文档内容存在违规,或者侵犯商业秘密、侵犯著作权等,请点击“违规举报”。

碎片内容

临时施工用电方案

雏圣文化+ 关注
实名认证
内容提供者

欢迎光临,大量办公文档供您挑选。

确认删除?
VIP
微信客服
  • 扫码咨询
会员Q群
  • 会员专属群点击这里加入QQ群
客服邮箱
回到顶部