电脑桌面
添加小米粒文库到电脑桌面
安装后可以在桌面快捷访问

临时施工用电计算

临时施工用电计算_第1页
1/7
临时施工用电计算_第2页
2/7
临时施工用电计算_第3页
3/7
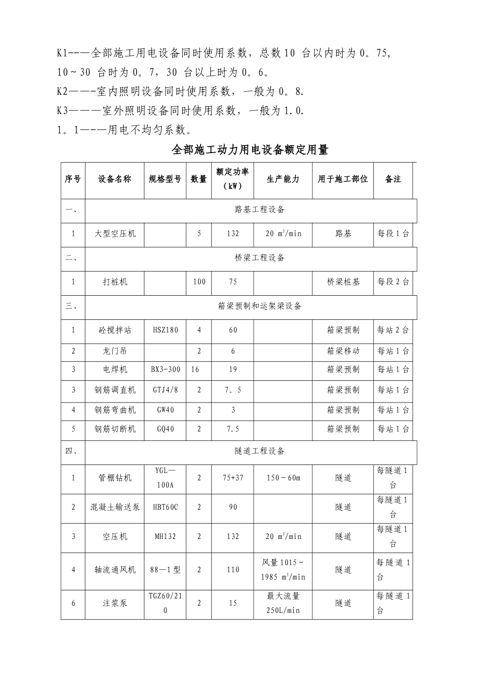
望东长江公路大桥五标段施工临时用电方案2024 年 3 月目 录一。工程概况┄┄┄┄┄┄┄┄┄┄┄┄┄┄┄┄┄┄┄03二.编制依据┄┄┄┄┄┄┄┄┄┄┄┄┄┄┄┄┄┄┄04三。编制范围┄┄┄┄┄┄┄┄┄┄┄┄┄┄┄┄┄┄┄04四.主要工程数量┄┄┄┄┄┄┄┄┄┄┄┄┄┄┄┄┄04五。施工场地临时施工用电计算采纳方法┄┄┄┄┄┄┄┄┄05六.施工场地临时用电布置方法┄┄┄┄┄┄┄┄┄┄┄┄┄09一. 工程概况(一)线路概况1. 安徽省望东长江公路大桥第五标段,本标段起讫里程为 K23+313~K29+900,全长 6。587km。主要工作内容包括改移道路、“三电"迁改、路基、桥涵、隧道、相应的大临、配合辅助工程。2。主要技术标准公路等级:双向四车道高速公路设计速度:100km/h(二)施施工场地区特征1。气象特征项目所在区域位于北亚热带湿润季风气候区,具有季风显著、四季分明、光温同步、雨热同季、气候温柔、雨量充沛、光照充足、无霜期长等气候特点,但由于冷暖气团活动和交锋频繁以及地形复杂多样等因素,常有旱涝风雹等自然灾害发生。区内多年平均气温 16。1~16。6℃,项目区域内初霜在 10 月下旬至 11 月中旬,终霜期 3 月 8 日至 4 月 3 日不等,无霜期 220~254 天。区域内日照时数 2024。8~2083。9 小时,山岭区日照时数较沿江、平原区少。一般 7、8 月份日照时数最大。项目区域内降水量 1319~1535mm,具有南部大于北部的特点。四季降水量依夏、春、秋、冬递减。梅雨期一般在 6 月下旬~7 月中旬,梅雨期间湿度大、日照少、风力小、降水频繁,易发生水涝.沿线光热水资源丰富,但灾害性天气较为频繁,尤其是洪水灾害最为严重,每年的 6~9 月多为暴雨,降雨量较大,连续降雨数天,发生强暴雨的几率大,期间多使河流水位陡涨.2。现有电力线路状况沿线电力供应多数采纳永临结合方案,部分地段就近从地方 10kV 线路“T"接供电方式。对于桥、隧等主要构筑物、制梁场、混凝土集中拌和站、填料集中拌和站等大型临时设施采纳就近“T”接电源供应,自发电作为备用电源。路基加固及防护工程的圬工用电、中小桥涵及其它比较分散工点的施工用电采就近利用配电站供电,距离较远时采纳自发电.二. 编制依据(一)建设单位颁布的指导性施工组织设计。(二)设计技术交底施工设计文件。(三)部颁有关法律规范、规则、定额及与建设单位签订的有关协议、纪要等.(四)施工调查资料.(五)集团公司有关文件.三。 编制范围K23+313~K29+...

1、当您付费下载文档后,您只拥有了使用权限,并不意味着购买了版权,文档只能用于自身使用,不得用于其他商业用途(如 [转卖]进行直接盈利或[编辑后售卖]进行间接盈利)。
2、本站所有内容均由合作方或网友上传,本站不对文档的完整性、权威性及其观点立场正确性做任何保证或承诺!文档内容仅供研究参考,付费前请自行鉴别。
3、如文档内容存在违规,或者侵犯商业秘密、侵犯著作权等,请点击“违规举报”。

碎片内容

临时施工用电计算

文旅传媒+ 关注
实名认证
内容提供者

传播文化,成就未来

相关文档

确认删除?
VIP
微信客服
  • 扫码咨询
会员Q群
  • 会员专属群点击这里加入QQ群
客服邮箱
回到顶部