电脑桌面
添加小米粒文库到电脑桌面
安装后可以在桌面快捷访问

临时用水电施工方案

临时用水电施工方案_第1页
1/9
临时用水电施工方案_第2页
2/9
临时用水电施工方案_第3页
3/9
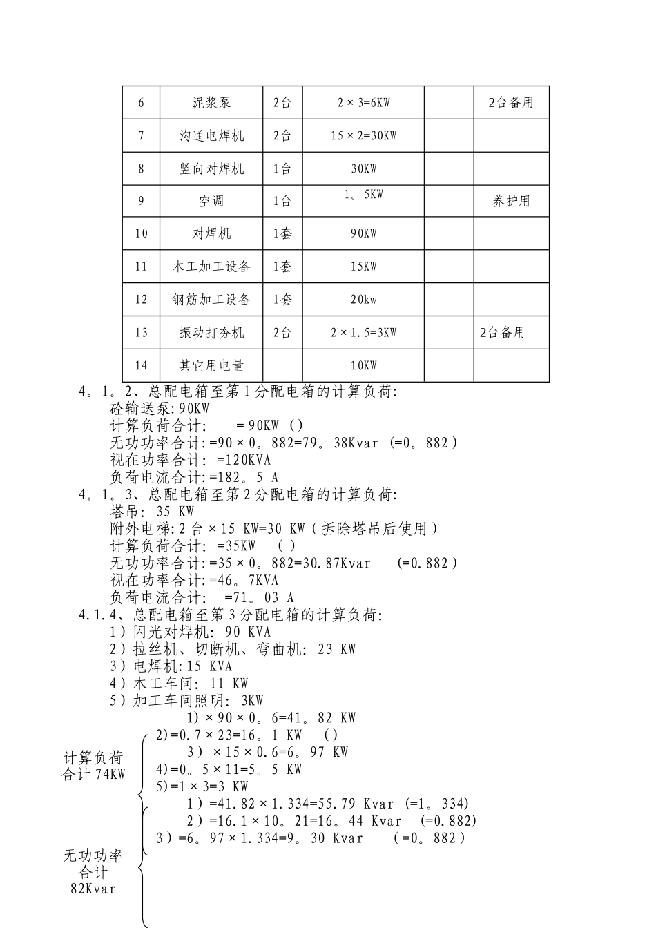
湖南省纪委办案用房改建工程临时用电施工方案编 制 人:审 核 人:湖南省第二工程有限公司省纪委办案用房项目部2OO9年3月20日一、工程概况:本工程为湖南省纪委办案用房改建工程,工程总用地面积 6156。3 平方米,建筑总面积 11845。9 平方米。建筑层数为地下二层地上六层,建筑总高23.7 米.工期 300 天。采纳商品砼。二、施工方案:1、设计依据:设计依据主要按以下规程法律规范及资料进行设计:a.《建设工程施工现场供用电安全法律规范》GB50194—93;b.《施工现场临时用电安全技术法律规范》JGJ46-2024;c。甲方提供的现场电源资料;f。现场临时用电设备负荷和配置资料.2、现场勘测:电源情况:施工场地施工用电的电源由甲方变电所提供,电源的电压为380v/220v,现场实际负荷容量为 327kw,电源进线由甲方提供并送入施工场地配电间。现场配电间、施工用电设备的位置见《施工组织总设计》施工现场总平面布置图。3.配电输电方式:本施工现场场地不大,进户线和总配电源箱至各分配电箱的导线均采纳塑料电缆(VV),按法律规范要求进行架空敷设。4、用电负荷计算:4。1、各分路用电设备容量及计算负荷4.1。1、施工设备功率统计表: 序号机械设备名称数量额定功率生产能力备注1塔吊1台35KWR=35m2砼输送泵1台90KW60m3/h3砂浆拌合机2台2×15=30KW0。2m34混凝土振捣器2台2×1。5=3Kw2台备用5混凝土振捣器2台2×3=6KW6泥浆泵2台2×3=6KW2台备用7沟通电焊机2台15×2=30KW8竖向对焊机1台30KW9空调1台1。5KW养护用10对焊机1套90KW11木工加工设备1套15KW12钢筋加工设备1套20kw13振动打夯机2台2×1.5=3KW2台备用14其它用电量10KW4。1。2、总配电箱至第 1 分配电箱的计算负荷:砼输送泵:90KW计算负荷合计: =90KW ()无功功率合计:=90×0。882=79。38Kvar (=0。882)视在功率合计:=120KVA负荷电流合计:=182。5 A4。1。3、总配电箱至第 2 分配电箱的计算负荷:塔吊:35 KW附外电梯:2 台×15 KW=30 KW(拆除塔吊后使用)计算负荷合计:=35KW ()无功功率合计:=35×0。882=30.87Kvar (=0.882)视在功率合计:=46。7KVA负荷电流合计: =71。03 A4.1.4、总配电箱至第 3 分配电箱的计算负荷:1)闪光对焊机:90 KVA2)拉丝机、切断机、弯曲机:23 KW3)电焊机:15 KVA4)木工车间:11 KW5)加工车间照明:3KW1)×90×0。6=41。82 KW2)=0.7×23=16。1 KW ()3)×15×0.6=6。97 KW4)=0。5×11=5。5 KW5)=1×3=3 KW1)=41.82×1.334=55...

1、当您付费下载文档后,您只拥有了使用权限,并不意味着购买了版权,文档只能用于自身使用,不得用于其他商业用途(如 [转卖]进行直接盈利或[编辑后售卖]进行间接盈利)。
2、本站所有内容均由合作方或网友上传,本站不对文档的完整性、权威性及其观点立场正确性做任何保证或承诺!文档内容仅供研究参考,付费前请自行鉴别。
3、如文档内容存在违规,或者侵犯商业秘密、侵犯著作权等,请点击“违规举报”。

碎片内容

临时用水电施工方案

一帆文传+ 关注
实名认证
内容提供者

欢迎光临店铺,各类公文供您挑选。

确认删除?
VIP
微信客服
  • 扫码咨询
会员Q群
  • 会员专属群点击这里加入QQ群
客服邮箱
回到顶部