电脑桌面
添加小米粒文库到电脑桌面
安装后可以在桌面快捷访问

临时用电施工方案.

临时用电施工方案._第1页
1/5
临时用电施工方案._第2页
2/5
临时用电施工方案._第3页
3/5
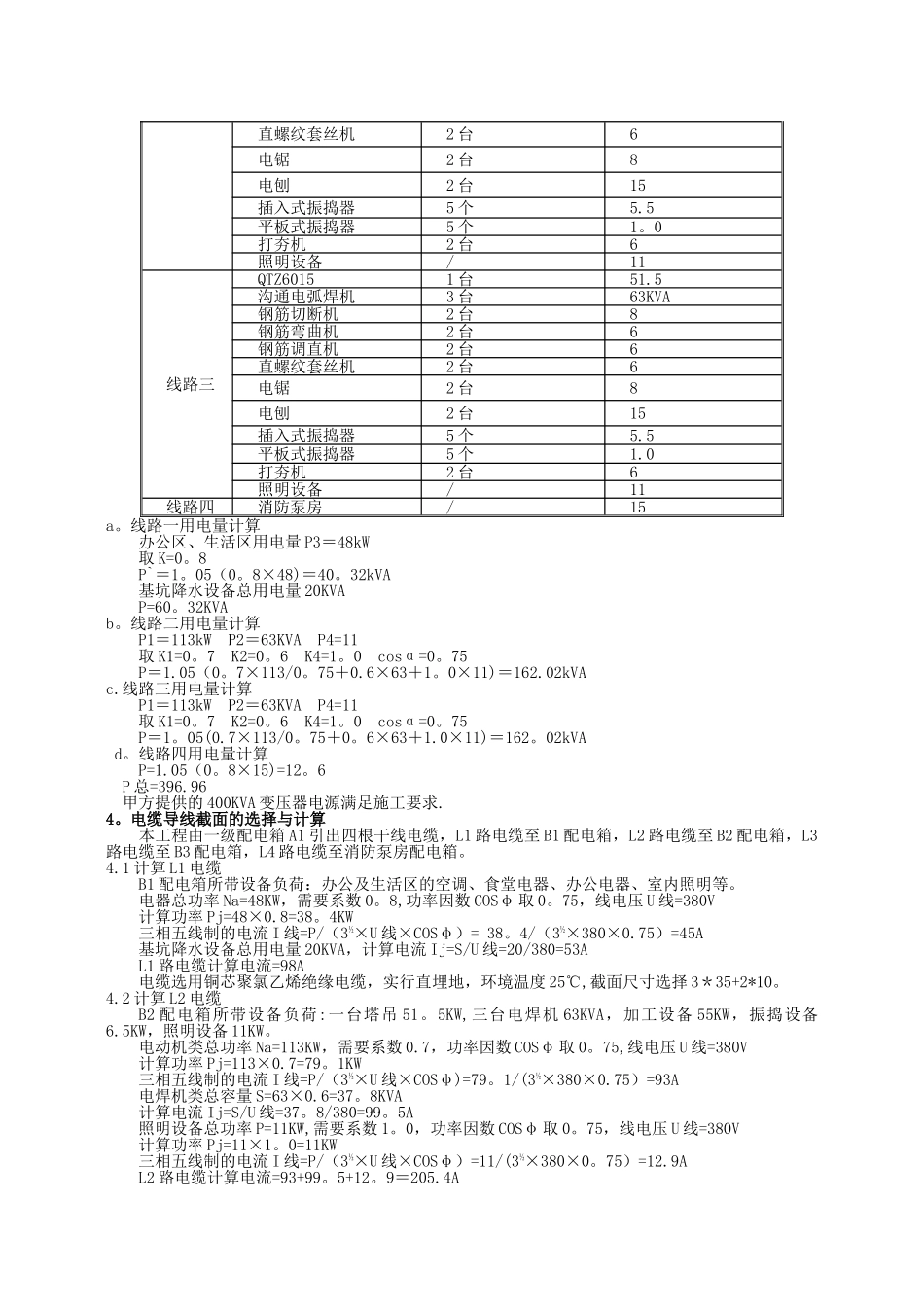
1。施工现场概况1.1 施工现场简要介绍:马坊新村一期 B35 号会所及地下车库位于北京海淀区清河宝盛里,北临永泰庄北路,南临南马坊北路,东临河北村西路,西临南马坊东路。总体占地面积 15000m2,地下车库建筑面积 14558.54m2,会所建筑面积 2642.88m2。地下车库为地下一层的大型汽车库,有一个双车道出入口及两个单车道出入口,地下车库有七个出地面的人员出入口(另有 1#~5#、1a~6a 出地面竖井),1#、2#出入口与会所共用(1#设置电梯间),3#~7#为独立出入口地上一层。会所位于地下车库的 10~17 轴/D~G 轴位置,由车库顶板向上为地下一层,地上二层,地下一层为设备间,首层及二层为活动室、办公室。本工程结构形式为全现浇钢筋混凝土框架结构。1。2 本工程总电源(变压器)位于现场西北角围挡边,电源总容量 400KVA。1.3 本工程因现场较大,分为东西两个主要施工加工场地。办公区位于现场西北角,工人生活区位于现场西侧及北侧围墙边。2.施工部署2.1 现场勘测:本工程地下车库北侧紧邻已建的 B12、13、14、16 号住宅楼(结构封顶,脚手架未拆除)。车库西北角外墙距离 B12 号楼 4.6m,西北侧外墙距离 B13 号楼 4.4m~11。30m;东北侧外墙距离B14 号楼最近处为 23.0m,距离 B16 号楼 5。7m~7.0m。车库 10~19 轴北侧紧邻规划的幼儿园场地,距车库结构外墙 4m;西南侧有紧邻准备施工的 6 层住宅楼 B17 号楼,由项目部负责,距车库结构外墙 4.9m,槽底标高-5.0 左右。正南、东南侧紧邻规划的 B20、B21 号楼场地,距车库结构外墙分别为 4m、3m。东西两侧无已建或待建建筑物.场区内无地下障碍物,上空及周遍无高压线等阻碍施工的设施.施工场地内暂设和机械设备布置位置详见施工平面布置图。2。2 现场用电设备表机械用电量序号机具名称型号功率 KW数量总功率 KW1塔式起重机QTZ601551.521032沟通电弧焊机BX3-350—12151053降水20KVA4钢筋切断机QJ40-144165钢筋弯曲机WJ4034126钢筋调直机/34127直螺纹套丝机XWD-534128电锯MJ10444169电刨MB1067。543010插入式振捣器ZX501。1101111平板式振捣器ZB50。54212打夯机MW603412照明用电量序号设备名称功率 KW数量总功率 KW1钠灯3。5517。52碘钨灯155办公、生活区用电量序号设备名称功率 KW数量总功率 KW1空调1。512182蒸箱201203食堂及其他//54电脑及办公设备//5消防泵房15/152。3 现场配电箱的设置2.3。1 分级设置:现场配电箱分三级配电。总电源下设置配电室,...

1、当您付费下载文档后,您只拥有了使用权限,并不意味着购买了版权,文档只能用于自身使用,不得用于其他商业用途(如 [转卖]进行直接盈利或[编辑后售卖]进行间接盈利)。
2、本站所有内容均由合作方或网友上传,本站不对文档的完整性、权威性及其观点立场正确性做任何保证或承诺!文档内容仅供研究参考,付费前请自行鉴别。
3、如文档内容存在违规,或者侵犯商业秘密、侵犯著作权等,请点击“违规举报”。

碎片内容

临时用电施工方案.

人从众+ 关注
实名认证
内容提供者

欢迎光临小店,本店以公文和教育为主,希望符合您的需求。

相关文档

确认删除?
VIP
微信客服
  • 扫码咨询
会员Q群
  • 会员专属群点击这里加入QQ群
客服邮箱
回到顶部