电脑桌面
添加小米粒文库到电脑桌面
安装后可以在桌面快捷访问

临时用电用水专项施工方案

临时用电用水专项施工方案_第1页
1/4
临时用电用水专项施工方案_第2页
2/4
临时用电用水专项施工方案_第3页
3/4
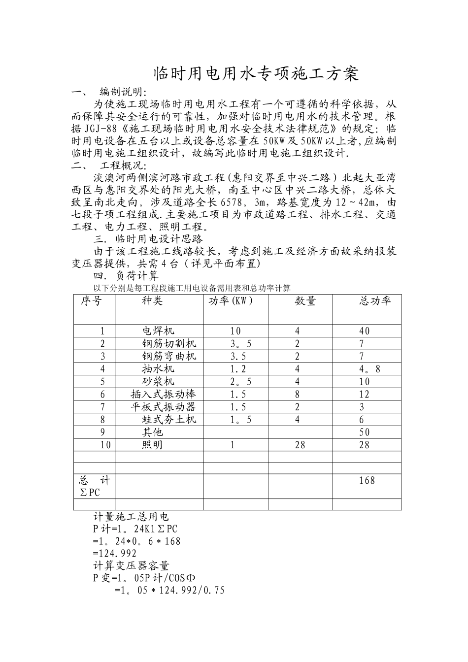
临时用电用水专项施工方案一、 编制说明:为使施工现场临时用电用水工程有一个可遵循的科学依据,从而保障其安全运行的可靠性,加强对临时用电用水的技术管理。根据 JGJ-88《施工现场临时用电用水安全技术法律规范》的规定:临时用电设备在五台以上或设备总容量在 50KW 及 50KW 以上者,应编制临时用电施工组织设计,故编写此临时用电施工组织设计.二、 工程概况:淡澳河两侧滨河路市政工程(惠阳交界至中兴二路)北起大亚湾西区与惠阳交界处的阳光大桥,南至中心区中兴二路大桥,总体大致呈南北走向。涉及道路全长 6578。3m,路基宽度为 12~42m,由七段子项工程组成.主要施工项目为市政道路工程、排水工程、交通工程、电力工程、照明工程。三.临时用电设计思路由于该工程施工线路较长,考虑到施工及经济方面故采纳报装变压器提供,共需 4 台(详见平面布置)四.负荷计算以下分别是每工程段施工用电设备需用表和总功率计算序号种类功率(KW)数量总功率1电焊机104402钢筋切割机3。5273钢筋弯曲机3.5274抽水机1.244。85砂浆机2。54106插入式振动棒1.58127平板式振动器1.5238蛙式夯土机1。5469其他5010照明12828总计∑PC168计量施工总用电P 计=1。24K1∑PC=1。24*0。6*168=124.992计算变压器容量P 变=1。05P 计/COSΦ =1。05*124.992/0.75=174.991。05-功率损失系数COSΦ-用电设备功率因子,一般建筑施工现场取 0。75业主提供的变压器容量为 200KUA>174.99KUA,可满足要求确定配电导线截图为安全起见,选用 BXR 型橡皮绝缘铜导线,那么该路的工作电流为:I 线=K1∑PC*1000/1。732*U 线* COSΦ=0。6*124。99*1000/1。732*380*0.75=152A查《临时用电法律规范》工作电流为 152A 时导线标称截面为 60平方毫米四.配电线路设计由于该工程道路线路长,切电路的驳接点处在每工段工程的中间,故整个临时用电线路采纳东西走向.线路根据《施工现场临时用电安全法律规范》,采纳“TN—S”三相五线制线路主要采纳架空及部分部位埋地线路埋地时埋深应不小于 0.6 米,严格沿地面明敷,并应避开机械损害和介质腐蚀对穿越建筑物,道路,易受机械损伤的场所及电缆引出地面从2 的高度至地下 0.2 米处,必须架设防护套管架空线路必须采纳绝缘 BV—60*3+25 铝线,不先允许有老化,破损现象,街头和包扎都必须符合规定,严禁使用裸线,严格根据规定架设五.配电箱与开关箱的设计本工程所有的配电箱及开关箱均采纳 1.5MM 后的标准...

1、当您付费下载文档后,您只拥有了使用权限,并不意味着购买了版权,文档只能用于自身使用,不得用于其他商业用途(如 [转卖]进行直接盈利或[编辑后售卖]进行间接盈利)。
2、本站所有内容均由合作方或网友上传,本站不对文档的完整性、权威性及其观点立场正确性做任何保证或承诺!文档内容仅供研究参考,付费前请自行鉴别。
3、如文档内容存在违规,或者侵犯商业秘密、侵犯著作权等,请点击“违规举报”。

碎片内容

临时用电用水专项施工方案

您可能关注的文档

确认删除?
VIP
微信客服
  • 扫码咨询
会员Q群
  • 会员专属群点击这里加入QQ群
客服邮箱
回到顶部