电脑桌面
添加小米粒文库到电脑桌面
安装后可以在桌面快捷访问

临近既有线防护施工作业指导书..

临近既有线防护施工作业指导书.._第1页
1/16
临近既有线防护施工作业指导书.._第2页
2/16
临近既有线防护施工作业指导书.._第3页
3/16
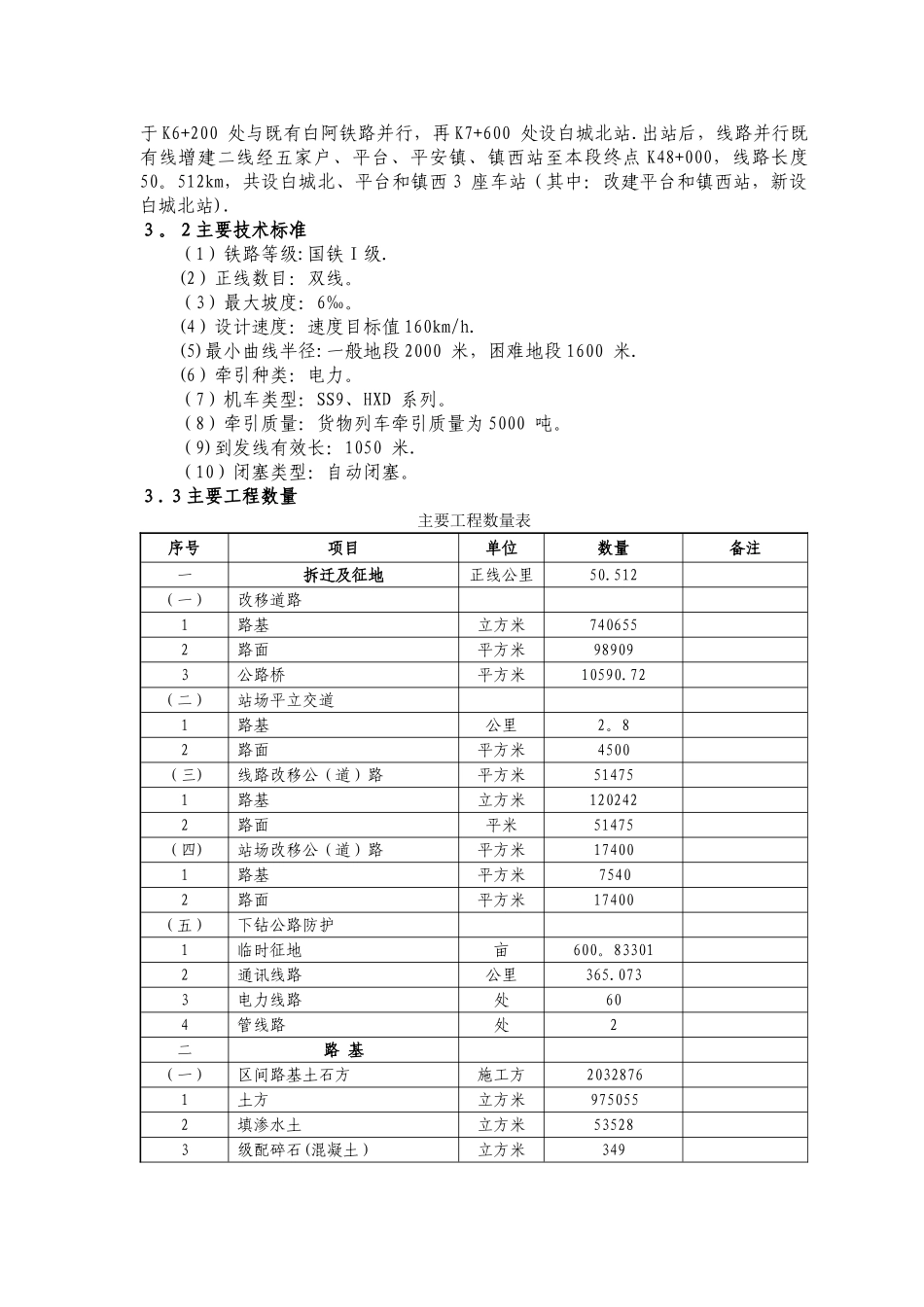
既有线施工防护作业指导书 单 位:中铁二十三局二公司白阿铁路白城 至镇西段扩能改造工程项目经理部编 制: 审 核: 批 准: 2024 年 8 月 1 日发布 2024 年 8 月 05 日实施白阿铁路白城至镇西段扩能改造工程既有线施工防护作业指导书一、编制依据1)上铁院合蚌客运专线铁路工程设计文件;2)《客运专线铁路桥涵工程施工技术指南》(TZ213~2024);3)《客运专线铁路桥涵工程施工质量验收暂行标准》(铁建设[ 2024]160号);4)《铁路混凝土工程施工质量验收补充标准》;5)《铁路营业线施工安全管理办法》(铁办[2024]190 号);6)《上海铁路局营业线施工安全管理实施细则》(上铁运发〔2024〕316号);7)《上海铁路局营业线施工安全管理实施细则有关内容进行修订的通知》(上铁运函〔2024〕603 号);8)《关于进一步加强施工安全管理的通知》(上铁运函〔2024〕409 号);9)《改建既有线和增建第二线铁路工程施工技术暂行规定》(铁建设[2024]14 号);10)《铁路工程施工安全技术规程》(TB10401。1~2024)。11)《上海铁路局建设工程营业线施工安全管理实施细则》(上铁运发〔2024〕83 号);12)《铁路工务安全规则》;13)《铁路线路维修规则》。14)2024 年上海铁路局长“1 号令"。二、编制原则1、严格执行铁道部、上海局颁发的安全操作规程及管理办法。2、以人为本,安全第一。3、一切以保障既有线行车安全为第一。三、工程概况3.1概况本段铁路是白阿线的一部分。白阿铁路位于吉林省的西部以及内蒙古自治区的东部地区.白阿铁路由平齐线上白城站外引出,线路沿洮儿河和归流河河谷,翻越大兴安岭山脉后,沿阿尔善河河谷而下,最后终止于伊尔施站,线路总长度354。7km。白阿铁路白城至镇西段扩能改造工程的线路自白城站外 PQK355+000 引出,出站后双线绕行跨越平齐线,自东风中学与白城市预备役炮兵旅培训基地之间穿过 ,于 K6+200 处与既有白阿铁路并行,再 K7+600 处设白城北站.出站后,线路并行既有线增建二线经五家户、平台、平安镇、镇西站至本段终点 K48+000,线路长度50。512km,共设白城北、平台和镇西 3 座车站(其中:改建平台和镇西站,新设白城北站).3。2主要技术标准(1)铁路等级:国铁Ⅰ级.(2)正线数目:双线。(3)最大坡度:6‰。(4)设计速度:速度目标值 160km/h.(5)最小曲线半径:一般地段 2000 米,困难地段 1600 米.(6)牵引种类:电力。(7)机车类型:SS9、HXD 系列。(8)牵...

1、当您付费下载文档后,您只拥有了使用权限,并不意味着购买了版权,文档只能用于自身使用,不得用于其他商业用途(如 [转卖]进行直接盈利或[编辑后售卖]进行间接盈利)。
2、本站所有内容均由合作方或网友上传,本站不对文档的完整性、权威性及其观点立场正确性做任何保证或承诺!文档内容仅供研究参考,付费前请自行鉴别。
3、如文档内容存在违规,或者侵犯商业秘密、侵犯著作权等,请点击“违规举报”。

碎片内容

临近既有线防护施工作业指导书..

您可能关注的文档

确认删除?
VIP
微信客服
  • 扫码咨询
会员Q群
  • 会员专属群点击这里加入QQ群
客服邮箱
回到顶部