电脑桌面
添加小米粒文库到电脑桌面
安装后可以在桌面快捷访问

交通标志施工方案

交通标志施工方案_第1页
1/10
交通标志施工方案_第2页
2/10
交通标志施工方案_第3页
3/10
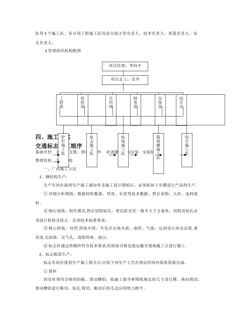
交通标志施工方案一、工程概况本 工 程 为 广 乐 高 速 公 路 坪 石 至 樟 市 段 交 通 安 全 设 施 及 环 保 工 程 , 桩 号 里 程 为K0+000~K64+160.本合同段共有 3 个互通:坪石西互通、梅花北互通、乐昌互通;2 个服务区:梅花北服务区、乐昌服务区,共 64。160 公里。本工程内容包括交通标志 476 个,其中单悬臂式标志 85 个,双悬臂式标志 3 个,门架式标志 6 个,单柱式标志 142 个,双柱式标志 53个,附着式标志 69 个。本工程要求工期为主线在 2024 年 9 月底全部贯穿。二、投入计划本分项工程计划施工工期为 13 个月,安排施工人员 30 人,现场安排施工技术管理人员4 人,施工队设三个作业班组:即基础开挖班组、混凝土浇筑班组、标志安装班组。各作业班组配备相应的施工机械设备,各司其职.项目部对标志牌板面和钢结构的生产、运输以及整个工程的材料、机械设备、施工人员、施工进度等进行统一调配.金属构件和标志牌板面在我司下属加工工厂生产制作。金属构件全部根据设计图纸要求进行热浸镀锌防腐处理。标志基础混凝土采纳定点搅拌(选几个工程量集中的位置作搅拌场)。我司拥有完整的标志牌生产线和足够的金属构件加工及施工设备,标志牌生产能力1500m2/月,金属构件加工能力在 120t/月以上,并有与之配套的附件生产设备.所有产品的生产和安装工程都严格按预定的施工程序及技术法律规范要求进行。全过程生产及施工采纳流水、平行以及顺序综合作业法.人员、施工机械和资金投入详见情况附表一、附表二、附表三三、组织机构我公司将把本工程作为公司创优工程、重点工程、精品工程,组建强有力的项目经理部。 1 项目经理部组成机构:为了便于组织施工,管理好工程质量,确保各分项工程按计划如期、安全、高效地完成,我公司在本合同段的乐昌位置设立广乐高速公路交通安全设施施工项目经理部。项目经理部负责质检、测量、试验、计划统计、合同计量、安全生产、档案资料管理和财务、机械管理、后勤保障等相应的职能工作。根据工程项目的实际情况和合同文件的要求,我部设项目经理 1 名、项目总工 1 名,组成项目领导层,项目经理部下设五部一室:工程技术部、质检部、合同计量部、财务部、安保部、后勤办公室,下设标志施工队、标线施工队、护栏施工队、隔离栅施工队、综合施工队等 5 个施工队。各分项工程施工队均设全面主管负责人、技术负责人、质量负责人、安全负责人。2 管理...

1、当您付费下载文档后,您只拥有了使用权限,并不意味着购买了版权,文档只能用于自身使用,不得用于其他商业用途(如 [转卖]进行直接盈利或[编辑后售卖]进行间接盈利)。
2、本站所有内容均由合作方或网友上传,本站不对文档的完整性、权威性及其观点立场正确性做任何保证或承诺!文档内容仅供研究参考,付费前请自行鉴别。
3、如文档内容存在违规,或者侵犯商业秘密、侵犯著作权等,请点击“违规举报”。

碎片内容

交通标志施工方案

您可能关注的文档

确认删除?
VIP
微信客服
  • 扫码咨询
会员Q群
  • 会员专属群点击这里加入QQ群
客服邮箱
回到顶部