电脑桌面
添加小米粒文库到电脑桌面
安装后可以在桌面快捷访问

人工挖孔桩施工工艺标准VIP专享

人工挖孔桩施工工艺标准_第1页
1/4
人工挖孔桩施工工艺标准_第2页
2/4
人工挖孔桩施工工艺标准_第3页
3/4
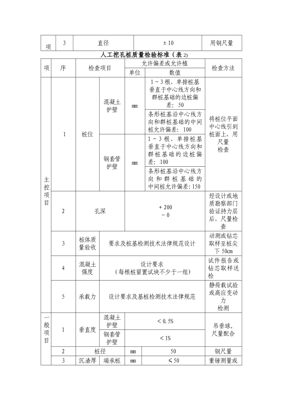
人工挖孔桩施工工艺标准FJEJ/QBSJ—010406—20241 使用范围:人工挖孔桩使用于地下水以上人工填土层、粘土层、粉土层、砂质粘土层、淤泥粘土层和风化岩层.使用性较强,但对涌水量大,存在承压含水层等复杂水文地质条件时,需实行有效的防范措施,否则不宜采纳。 2 编制参考依据:2。1《建筑工程施工质量验收统一标准》〔GB50300—2001〕2。2《建筑地基基础工程施工质量验收法律规范》〔GB50202—2024〕2.3《混凝土结构工程施工质量验收法律规范》〔GB50204-2024〕2.4《建筑桩基技术法律规范》〔JGJ94—94〕3 施工准备:3.1 技术准备.3.1。1 具备详细的地质勘察报告。3.1.2 组织施工图自审和会审,编制桩基工程施工方案。3。1.3 在施工前对操作人员进行技术交底。3.1。4 建筑物角点及轴线放样复核,施工场地自然地面标高测量.3。2 材料要求3.2.1 钢筋、水泥、粗细骨料等原材料:应符合《混凝土结构工程施工质量验收法律规范》〔GB50204-2024〕等有关法律规范规定。3。3 主要机具3.3.1 卷扬机、提土桶、吊笼。3.3.2 软爬梯.3。3.3 潜水泵、鼓风机和送风管,防毒面具.3。3.4 镐、锹、土筐等挖土机具,若遇岩层、弧石,还需准备空压机、风镐、风钻等嵌岩工具。 3。3.5 混凝土搅拌机及相应计量装置、串筒、插入式振动器。3.3.6 经纬仪、水准仪、试模、钢卷尺及线锤. 3.4 作业条件3。4。1 确认作业土层中不含对人体有害的气体。3。4.2 施工前场地地表层障碍物已清理,施工场地已平整并有排水措施.3。4。3 施工用水、电、道路及临时设施已畅通与就绪。3.4。4 桩位放样、标高引测完毕,并经有关单位签证认可。4 操作工艺4.1 基本原理人工挖孔灌注桩是以桩位为中心,利用混凝土或钢护筒做护壁,采纳人工挖掘方法(或桩端扩大),然后安放钢筋笼灌注混凝土而成的基桩。4.2 单桩施工工艺流程 (见下图) 4.3 施工工艺要点 4.3。1 定桩位:清除场地内障碍物,将场地平整,然后进行放样,设置龙门桩、龙门板,按施工图要求,定桩位。 4。3。2 孔桩开挖① 第一节开挖高度以 0。8 米为宜(第一节混凝土护壁宜高出地面 0。2米便于挡水、挡土)挖土次序先中间后周边.② 弃土装入箩筐内,由在孔口的一个安装的支架,用卷扬机或电动葫芦提升,弃土堆放应离孔口 2 米处之外,当天清运。③ 扩大头部分实行先挖桩身圆柱体后再按设计要求的尺寸从上到下削土而成。4.3.3 护壁支模① 模板高度一般为 1 米,用松木板或钢模板拼装成 90°...

1、当您付费下载文档后,您只拥有了使用权限,并不意味着购买了版权,文档只能用于自身使用,不得用于其他商业用途(如 [转卖]进行直接盈利或[编辑后售卖]进行间接盈利)。
2、本站所有内容均由合作方或网友上传,本站不对文档的完整性、权威性及其观点立场正确性做任何保证或承诺!文档内容仅供研究参考,付费前请自行鉴别。
3、如文档内容存在违规,或者侵犯商业秘密、侵犯著作权等,请点击“违规举报”。

碎片内容

人工挖孔桩施工工艺标准

确认删除?
VIP
微信客服
  • 扫码咨询
会员Q群
  • 会员专属群点击这里加入QQ群
客服邮箱
回到顶部