电脑桌面
添加小米粒文库到电脑桌面
安装后可以在桌面快捷访问

人民路管道钢桁架拆除吊装施工方案

人民路管道钢桁架拆除吊装施工方案_第1页
1/9
人民路管道钢桁架拆除吊装施工方案_第2页
2/9
人民路管道钢桁架拆除吊装施工方案_第3页
3/9
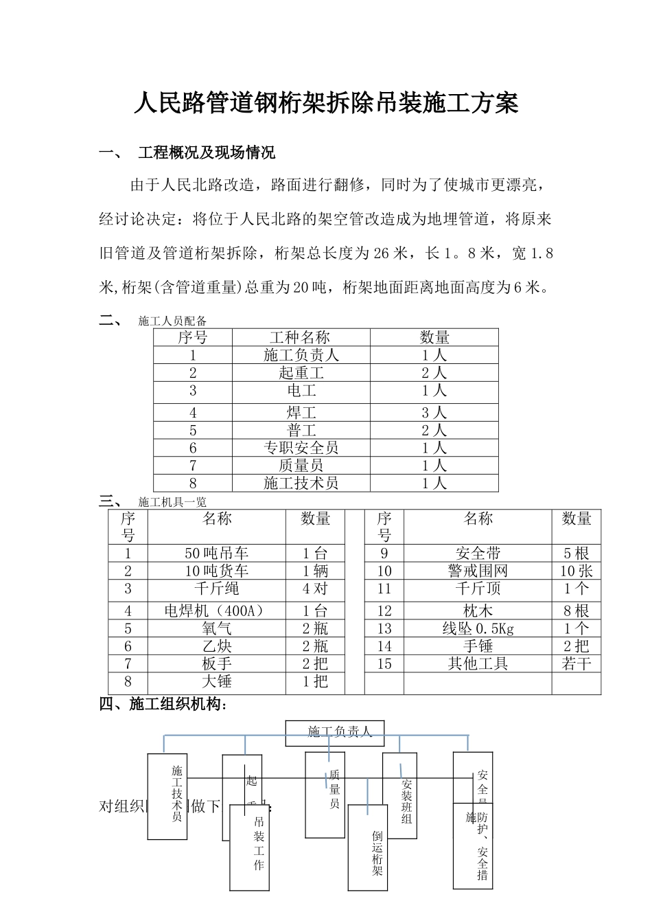
专业施工组织设计/重大施工技术方案报审表 表号: 编号:江苏协联热电集团有限公司人民路热网管道钢桁架拆除工程名称江苏协联热电集团有限公司人民路管道钢桁架拆除吊装施工方案合同编号 致 江苏协联热电集团有限公司 生产技术部: 现提出 人民路管道钢桁架拆除吊装施工方案 专业施工组织设计/重大施工技术方案,请予审批。 承包商(章) 技术负责人: 2024 年 7 月 26 日甲方审核意见: 审核: 年 月 日 批准: 年 月 日施工方案江苏天目建设集团有限公司2024 年 8 月人民路管道钢桁架拆除吊装施工方案一、 工程概况及现场情况由于人民北路改造,路面进行翻修,同时为了使城市更漂亮,经讨论决定:将位于人民北路的架空管改造成为地埋管道,将原来旧管道及管道桁架拆除,桁架总长度为 26 米,长 1。8 米,宽 1.8米,桁架(含管道重量)总重为 20 吨,桁架地面距离地面高度为 6 米。二、 施工人员配备序号工种名称数量1施工负责人1 人2起重工2 人3电工1 人4焊工3 人5普工2 人6专职安全员1 人7质量员1 人8施工技术员1 人三、 施工机具一览序号名称数量序号名称数量150 吨吊车1 台9安全带5 根210 吨货车1 辆10警戒围网10 张3千斤绳4 对11千斤顶1 个4电焊机(400A)1 台12枕木8 根5氧气2 瓶13线坠 0.5Kg1 个6乙炔2 瓶14手锤2 把7板手2 把15其他工具若干8大锤1 把四、施工组织机构:对组织网络图做下述说明:施工负责人安装班组 安 全 员 质 量 员倒运桁架起 重防护、安全措施 吊 装 工 作 施工技术员施工负责人:全面负责吊装工作专职安全员:为各班组提供施工安全方面的服务及监督质量员:负责安装工作的质量施工技术员:负责吊装工作技术保证等工作安装班组:负责安装、找正等项工作起重工班组:负责吊装、移位、搬迁等方面工作五、 施工示意图(附图一)六、施工要求和施工前准备1、了解安装、吊装现场的平面布置。2、了解钢桁架的重量、外型尺寸及施工要求。3、熟悉施工现场及钢桁架的堆放场地.4、准备施工工具、机具、材料及施工电源。5、做好施工方案、技术交底(包括质量、安全措施),组织技术人员及骨干人员熟悉施工中的各项技术要求。6、及时与甲方联系,密切合作,及时消除影响工作开展的各种不利因素:如:(1)施工区车辆进出道路的平整,障碍物的清除。(2)施工场地的平整及地耐力要求。七、吊装施工技术方案1、用警戒围栏先将人民北路的吊装区域围起来,将人民北路...

1、当您付费下载文档后,您只拥有了使用权限,并不意味着购买了版权,文档只能用于自身使用,不得用于其他商业用途(如 [转卖]进行直接盈利或[编辑后售卖]进行间接盈利)。
2、本站所有内容均由合作方或网友上传,本站不对文档的完整性、权威性及其观点立场正确性做任何保证或承诺!文档内容仅供研究参考,付费前请自行鉴别。
3、如文档内容存在违规,或者侵犯商业秘密、侵犯著作权等,请点击“违规举报”。

碎片内容

人民路管道钢桁架拆除吊装施工方案

确认删除?
VIP
微信客服
  • 扫码咨询
会员Q群
  • 会员专属群点击这里加入QQ群
客服邮箱
回到顶部