电脑桌面
添加小米粒文库到电脑桌面
安装后可以在桌面快捷访问

地砖工程检验批质量验收记录表

地砖工程检验批质量验收记录表_第1页
1/4
地砖工程检验批质量验收记录表_第2页
2/4
地砖工程检验批质量验收记录表_第3页
3/4
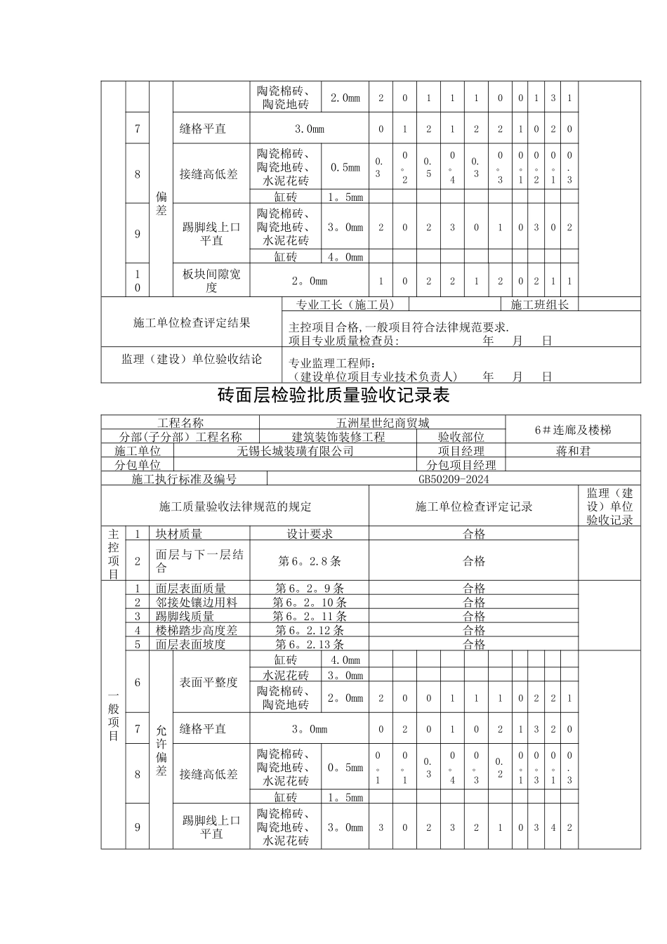
砖面层检验批质量验收记录表工程名称五洲星世纪商贸城3#连廊及楼梯分部(子分部)工程名称建筑装饰装修工程验收部位施工单位无锡长城装璜有限公司项目经理蒋和君分包单位分包项目经理施工执行标准及编号GB50209—2024施工质量验收法律规范的规定施工单位检查评定记录监理(建设)单位验收记录主控项目1块材质量设计要求合格2面层与下一层结合第 6。2.8 条合格一般项目1面层表面质量第 6。2。9 条合格2邻接处镶边用料第 6。2.10 条合格3踢脚线质量第 6。2.11 条合格4楼梯踏步高度差第 6。2。12 条合格5面层表面坡度第 6。2.13 条合格6允许偏差表面平整度缸砖4。0mm水泥花砖3.0mm陶瓷棉砖、陶瓷地砖2.0mm10201202317缝格平直3。0mm02310214208接缝高低差陶瓷棉砖、陶瓷地砖、水泥花砖0。5mm0。20。10。50。40.30。50.10。30.10。3缸砖1。5mm9踢脚线上口平直陶瓷棉砖、陶瓷地砖、水泥花砖3.0mm3023210342缸砖4.0mm10板块间隙宽度2.0mm2012120211施工单位检查评定结果专业工长(施工员)施工班组长主控项目合格,一般项目符合法律规范要求。项目专业质量检查员: 年 月 日监理(建设)单位验收结论专业监理工程师:(建设单位项目专业技术负责人) 年 月 日砖面层检验批质量验收记录表工程名称五洲星世纪商贸城4#连廊及楼梯分部(子分部)工程名称建筑装饰装修工程验收部位施工单位无锡长城装璜有限公司项目经理蒋和君分包单位分包项目经理施工执行标准及编号GB50209—2024施工质量验收法律规范的规定施工单位检查评定记录监理(建设)单位验收记录主1块材质量设计要求合格控项目2面层与下一层结合第 6。2。8 条合格一般项目1面层表面质量第 6。2。9 条合格2邻接处镶边用料第 6。2.10 条合格3踢脚线质量第 6。2。11 条合格4楼梯踏步高度差第 6.2.12 条合格5面层表面坡度第 6。2.13 条合格6允许偏差表面平整度缸砖4。0mm水泥花砖3.0mm陶瓷棉砖、陶瓷地砖2。0mm21201201207缝格平直3.0mm01320312208接缝高低差陶瓷棉砖、陶瓷地砖、水泥花砖0.5mm0.20.20.30.40。30。50.20。30。10。2缸砖1。5mm9踢脚线上口平直陶瓷棉砖、陶瓷地砖、水泥花砖3.0mm2120210332缸砖4。0mm10板块间隙宽度2。0mm0022120221施工单位检查评定结果专业工长(施工员)施工班组长主控项目合格,一般项目符合法律规范要求。项目专业质量检查员: 年 月 日监理(建设)单位验收结论专业监理工程师:(建设单位项目专业技术负责人) 年 月 日砖面层检验...

1、当您付费下载文档后,您只拥有了使用权限,并不意味着购买了版权,文档只能用于自身使用,不得用于其他商业用途(如 [转卖]进行直接盈利或[编辑后售卖]进行间接盈利)。
2、本站所有内容均由合作方或网友上传,本站不对文档的完整性、权威性及其观点立场正确性做任何保证或承诺!文档内容仅供研究参考,付费前请自行鉴别。
3、如文档内容存在违规,或者侵犯商业秘密、侵犯著作权等,请点击“违规举报”。

碎片内容

地砖工程检验批质量验收记录表

津创媒+ 关注
实名认证
内容提供者

欢迎交流文创,小店资料希望满足您的需要。

相关文档

确认删除?
VIP
微信客服
  • 扫码咨询
会员Q群
  • 会员专属群点击这里加入QQ群
客服邮箱
回到顶部