电脑桌面
添加小米粒文库到电脑桌面
安装后可以在桌面快捷访问

地铁车站道路恢复施工方案

地铁车站道路恢复施工方案_第1页
1/13
地铁车站道路恢复施工方案_第2页
2/13
地铁车站道路恢复施工方案_第3页
3/13
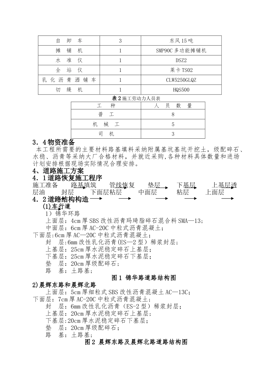
目录1、编制依据 12 、工程概况 1 3 、施工准备 1 3 . 1 技术准备 1 3 . 2 施工场地准备 1 3 . 3 人员、机械准备 1 3 . 4 物资准备 2 4 、道路施工方案 2 4 . 1 道路恢复施工程序 2 4 . 2 道路结构构造 2 4 . 4 管线恢复施工方案 4 4 . 5 道路垫层施工方案 4 4 . 6 道路基层施工方案 6 4 . 7 道路面层施工方案 7 4 。 8 人行道板、残疾人无障碍通道、路缘石等铺设施工 10 5 、冬季施工保证措施 11 5 。 1 路基 11 5. 2 沥青面层 11 6 、质量、安全保证措施 11 6 。 1 安全、质量目标 11 6. 2 质量保证措施 11 6 。 3 安全保证措施 12 7 、文明、环保施工措施 12 1、编制依据(1)《城市道路路基工程施工及验收法律规范》 (CJJ44—91)(2)《城镇道路工程施工与质量验收法律规范》 (CJJ1-2024)(3)《公路沥青路面施工技术法律规范》(CTGF40-2024)(4)《沥青路面施工及验收法律规范》 (GB 50092-96)(5)《给水排水管道工程施工及验收法律规范》 (GB 50268—2024)(6)《成都市建设工程质量监督站关于加强地铁工程道路恢复质量管理的通知》(7)其他现行的有关工程技术、施工验收标准及法律规范.2、工程概况车站沿晨辉东路东、西方向设置,东端头位于晨辉东路与晨辉北路交叉路口,西端头位于晨辉东路与锦华路交叉路口。道路恢复设计起点 00+00,设计终点为 04+27。85,道路恢复全长为 427。85 米,主要恢复道路 00+00~00+20 位于晨辉东路上,00+20~00+80 位于锦华路上,00+80~04+27。85 位于晨辉东路上。3、施工准备3.1 技术准备(1)施工前,应对路基填料进行天然含水量、液限、塑限、标准击实、CBR 试验,必要时应做颗粒分析、有机质含量、易溶盐含量等实验;(2)施工之前组织技术人员进行测量,布置测量桩位,并设明显标志和完整记录以备查用;(3)熟悉图纸及法律规范要求,对路基填筑及路面结构层施工分别进行技术交底;(4)对应恢复的管线,及时联系业主及管线产权单位,统筹管线恢复工作。3.2 施工场地准备(1)清理施工现场剩余砖块、水泥袋等杂物,并将顶板低洼处积水排除、疏干,保证现场满足路基填筑条件;(2)施工前,应根据车站目前的场地情况,修筑临时施工道路,方便施工机械进入场地。3.3 人员、机械准备机械设备配备情况详见表 1《主要施工机械设备计划一览表》。并根据配备的机械设备数量配备相...

1、当您付费下载文档后,您只拥有了使用权限,并不意味着购买了版权,文档只能用于自身使用,不得用于其他商业用途(如 [转卖]进行直接盈利或[编辑后售卖]进行间接盈利)。
2、本站所有内容均由合作方或网友上传,本站不对文档的完整性、权威性及其观点立场正确性做任何保证或承诺!文档内容仅供研究参考,付费前请自行鉴别。
3、如文档内容存在违规,或者侵犯商业秘密、侵犯著作权等,请点击“违规举报”。

碎片内容

地铁车站道路恢复施工方案

您可能关注的文档

确认删除?
VIP
微信客服
  • 扫码咨询
会员Q群
  • 会员专属群点击这里加入QQ群
客服邮箱
回到顶部