电脑桌面
添加小米粒文库到电脑桌面
安装后可以在桌面快捷访问

工程建筑泥浆处理技术说明

工程建筑泥浆处理技术说明_第1页
1/8
工程建筑泥浆处理技术说明_第2页
2/8
工程建筑泥浆处理技术说明_第3页
3/8
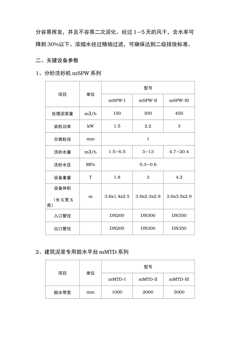
建筑泥浆处理技术说明一、工艺方案简介工艺流程如图一所示。由建筑工地运送来的泥浆,含有大量的砂石,首先通过分砂洗砂机,将粒径在 1mm 以上的砂石分离出来,并且用清水高压清洗,可获得较干净的砂石,便于再利用。泥浆进入储泥池,因泥浆的来源不同,在较大的储泥池中存放,可以起到均质的作用。储泥池的泥浆由泥浆泵泵送到专用脱水平台脱水。脱水平台中集成了细沙分离装置、药剂混合调理装置、絮凝混合装置、浓缩装置以及压榨脱水装置。泥浆的调理通过清水的稀释,使其保持一定的浓度范围,在激活剂、改性剂的调质下,使其便于后续的絮凝。经过双元絮凝剂的作用,被调质后的泥浆经过浓缩装置,将泥浆中大部分的游离水分离,这部分分离出的水质较清澈,通常情况下已经达到国家污水综合排放二级标准,为确保其指标合格,后续经精细过滤机进一步过滤。浓缩后的泥浆进入专用高效带式脱水机脱水,在特制的高效脱水滤带作用下,获得含水率低的泥饼,压滤水和清洗滤带水返回到储泥池。清水池的清水作为溶药水、调质稀释水、滤带清洗水和洗砂水使用。建筑泥浆的体积通常是实土方的 4 倍,即实土方和加入的水体积比比例为 1:3,泥浆的浓度通常在 150〜220g/L 之间。泥浆中通常含有约5〜10%的砂石。分离后砂石的含水率小于 20%。脱水泥饼的含水率 50%左右,不同的土质含水率差别较大,但是脱水泥饼可直接装车运输,不滴水。由于脱水泥饼经过调质,透水性好,内部水分容易挥发,并且不容易二次泥化。经过 1〜5 天的风干,含水率可降到 30%以下。浓缩水经过精细过滤,可确保达到二级排放标准。二、关键设备参数1、分砂洗砂机 mSPW 系列项目单位型号mSPW-ImSPW-IImSPW-III处理泥浆量m3/h150300450装机功率kW1.52.23分离粒径mm1洗砂水量m3/h1.5〜6.53〜134.7〜20.4洗砂水压MPa0.3〜0.6设备重量T1.834.2设备体积(长 X 宽 X高)m3.6x1.4x2.53.6x2.3x2.93.6x3.5x2.9入口管径DN200DN300DN350出口管径DN200DN300DN3502、建筑泥浆专用脱水平台 mMTD 系列项目单位型号mMTD-ImMTD-IImMTD-III脱水带宽mm1000200030003、精密过滤机 mDF 系列项目单位型号mDF-ImDF-IImDF-III处理水量m3/h75150225装机功率kW1.52.23设备重量T2.23.24.5设备体积(长 X 宽 X高)m4.2xl.4x2.54.2x2.3x2.94.2x3.5x2.9入口管径DN125DN200DN250出口管径 DN125DN200DN250三、单套 mMTD-II 型系统配置参数1. 分砂洗砂机 mSPW-I,装机功率 2.2kW。2. 泥浆泵:流量 ...

1、当您付费下载文档后,您只拥有了使用权限,并不意味着购买了版权,文档只能用于自身使用,不得用于其他商业用途(如 [转卖]进行直接盈利或[编辑后售卖]进行间接盈利)。
2、本站所有内容均由合作方或网友上传,本站不对文档的完整性、权威性及其观点立场正确性做任何保证或承诺!文档内容仅供研究参考,付费前请自行鉴别。
3、如文档内容存在违规,或者侵犯商业秘密、侵犯著作权等,请点击“违规举报”。

碎片内容

工程建筑泥浆处理技术说明

您可能关注的文档

确认删除?
VIP
微信客服
  • 扫码咨询
会员Q群
  • 会员专属群点击这里加入QQ群
客服邮箱
回到顶部