电脑桌面
添加小米粒文库到电脑桌面
安装后可以在桌面快捷访问

基坑降水井施工方案

基坑降水井施工方案_第1页
1/9
基坑降水井施工方案_第2页
2/9
基坑降水井施工方案_第3页
3/9
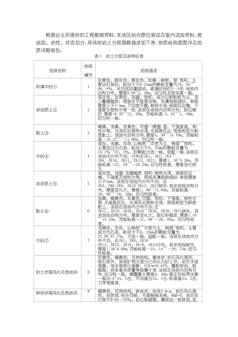
平潭综合实验区金井湾跨境电商物流园区(1#仓库)降水施工方案编制:审核:批准:2024 年 7 月目 录一、编制依据 2二、工程概况 21、工程概述 22、工程地质及水文地质 2三、基坑降水设计及井点布置 41、基坑降水目的 42、基坑降水设计 4四、降水施工 61、降水构造及降水设施 62、降水施工 6五、安全文明施工 10降 水 施 工 方 案一、编制依据1、平潭综合实验区金井湾跨境电商物流园区(1#仓库)工程相关设计资料、合同文件、招标文件及投标文件;2、本标段工程地质勘测资料、现场调查资料及我公司在深基坑施工方面的丰富经验;3、国家现行有关施工及验收法律规范、规则、质量技术标准,以及广州地区在安全文明施工、环境保护、交通组织等方面的规定;二、工程概况1、工程概述本工程位于平潭综合实验区金井湾片区内,场地原属于盐场。本工程总建筑面积11407。58㎡(计容面积:21770。96㎡),包括1#仓库10904㎡,及室外工程等;建筑主体层数为1层,建筑主体高度为9。3m. 抗震设防烈度:7度. 本工程建筑类耐火等级为:二级;建筑防火分类:单层丙二类仓库.主要结构类型为:钢结构类型。设计等级:建筑设计等级为二级。2、工程地质及水文地质2.1 工程地质根据业主所提供的工程勘测资料,本场区结合原位测试及室内试验资料,按成因、岩性、状态划分,将场地岩土分层简略描述如下表.地质纵剖面图详见地质详勘报告。表 1 岩土分层及其特征表地层名称地层编号地层描述吹填中砂①1灰黄色、暗灰色、黄灰色,松散—稍密,湿-饱和。主要由石英砂,粒径大于0.25mm的颗粒含量为76。2%~90。8%,未完成自重固结。堆填时间约3—5年.场地内均有分布,厚度0.60~2。40m。均匀性及密实度一般。淤泥质土②2深灰色、灰黑色、流塑,饱和。成分以粉粘粒为主,含少量腐植质。局部水平层理发育,夹薄层粉细砂,单层厚度小于2-3mm.刀切面平整,稍有光泽,摇振反应慢,干强度及韧性中等—低.该层在场地内均有分布,层位稳定,厚度10.30~15。20m,顶板标高-2。01~1。40m。均匀性一般。黏土③3褐黄、浅黄、灰黄色,可塑—硬塑,湿。干强度高、韧性中等,光泽反应稍有光泽,无摇振反应,局部相变为粉质黏土。场地内均有分布,厚度4。30~14.70m,顶板标高—16.22~—11.06m。均匀性一般。中砂④4深灰、浅黄、灰色,以稍密~中密为主,稍湿~饱和。主要成分为石英,粒径大于0。25mm的颗粒含量为54.3%~82。5%,砂颗粒分选一般,级配一般.该层在场地内分布不均,分...

1、当您付费下载文档后,您只拥有了使用权限,并不意味着购买了版权,文档只能用于自身使用,不得用于其他商业用途(如 [转卖]进行直接盈利或[编辑后售卖]进行间接盈利)。
2、本站所有内容均由合作方或网友上传,本站不对文档的完整性、权威性及其观点立场正确性做任何保证或承诺!文档内容仅供研究参考,付费前请自行鉴别。
3、如文档内容存在违规,或者侵犯商业秘密、侵犯著作权等,请点击“违规举报”。

碎片内容

基坑降水井施工方案

您可能关注的文档

确认删除?
VIP
微信客服
  • 扫码咨询
会员Q群
  • 会员专属群点击这里加入QQ群
客服邮箱
回到顶部