电脑桌面
添加小米粒文库到电脑桌面
安装后可以在桌面快捷访问

大门施工方案

大门施工方案_第1页
1/22
大门施工方案_第2页
2/22
大门施工方案_第3页
3/22
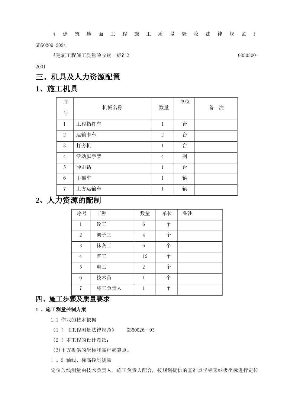
目 录一 、 工 程 概 况 2二 、 编 制 依 据 1 三 、 机 具 及 人 力 资 源 配 置 2 1 、施工机具 2 2 、人力资源的配制 2 四 、 施 工 步 骤 及 质 量 要 求 2 1 、施工测量控制方案 2 2 、土方开挖施工方案 3 3 、回填土施工方案 3 4 、模板工程施工方法 4 5 、砼工程施工方法 6 6 、钢筋工程 8 7 、双排外脚手架安装工程 10 8 、屋面及防水工程 15 9 、装饰工程 17 10 、电动伸缩门的安装 19 11 、电气安装 20 五 、 工 程 安 全 保 证 措 施 21 1 、项目 HSE 保证体系 21 2 、安全管理制度 21 3 、安全管理工作 22 4 、消防保安措施 22 5 、环境保护措施 22 6 、文明施工措施 22 一、工程概况安装成县站大门电动伸缩门一部,建设门卫综合值班室一座,以及配套的电气、建筑、装饰工程施工.二、编制依据《工程测量法律规范》 GB50026-93《建筑地基基础工程施工质量验收法律规范》 GB50202—2024《混凝土结构工程施工质量验收法律规范》 GB50204-2024《混凝土质量控制标准》 GB50164—92《建筑装饰装修工程质量验收法律规范》 GB50210—2001《建筑地面工程施工质量验收法律规范》 GB50209-2024《建筑工程施工质量验收统一标准》 GB50300-2001三、机具及人力资源配置1、施工机具序号机械名称数量单位备 注1工程指挥车1台2运输卡车2台3打夯机1台4活动脚手架4副5冲击钻1台6手推车1辆7土方运输车1辆2、人力资源的配制序号工种数量单位备注1砼工6个2架子工4个3抹灰工6个4普工12个5电工2个6技术员1个7施工负责人1个四、施工步骤及质量要求1 、施工测量控制方案1.1 作业的技术依据(1 )《工程测量法律规范》 GB50026—93(2 )本工程的设计图纸;(3)甲方提供的坐标和高程起算点。1 。2 轴线、标高控制测量定位放线测量由技术负责人、施工负责人配合, 按规划提供的基准点坐标采纳极坐标进行定位放线,公司技术部复核,设立定位控制桩点, 并加以妥善保护.本建筑物的平面控制,拟布设成矩形控制网,采纳导线法进行测定和平差计算,并规划到设计点位上。本工程平面轴线控制采纳内、外双控法进行平面控制点的布设。具体方案是:在定位放线完成后,在建筑物各个大角处各设2 个主轴线设控制桩,并加标识妥善保护, 以便引测。控制桩作为永久性标志保护. 为了便于投测,外控点应距主轴线5m左右,共18个控制点, 组成闭合导线...

1、当您付费下载文档后,您只拥有了使用权限,并不意味着购买了版权,文档只能用于自身使用,不得用于其他商业用途(如 [转卖]进行直接盈利或[编辑后售卖]进行间接盈利)。
2、本站所有内容均由合作方或网友上传,本站不对文档的完整性、权威性及其观点立场正确性做任何保证或承诺!文档内容仅供研究参考,付费前请自行鉴别。
3、如文档内容存在违规,或者侵犯商业秘密、侵犯著作权等,请点击“违规举报”。

碎片内容

大门施工方案

确认删除?
VIP
微信客服
  • 扫码咨询
会员Q群
  • 会员专属群点击这里加入QQ群
客服邮箱
回到顶部