电脑桌面
添加小米粒文库到电脑桌面
安装后可以在桌面快捷访问

安全专项施工方案(总体方案)

安全专项施工方案(总体方案)_第1页
1/39
安全专项施工方案(总体方案)_第2页
2/39
安全专项施工方案(总体方案)_第3页
3/39
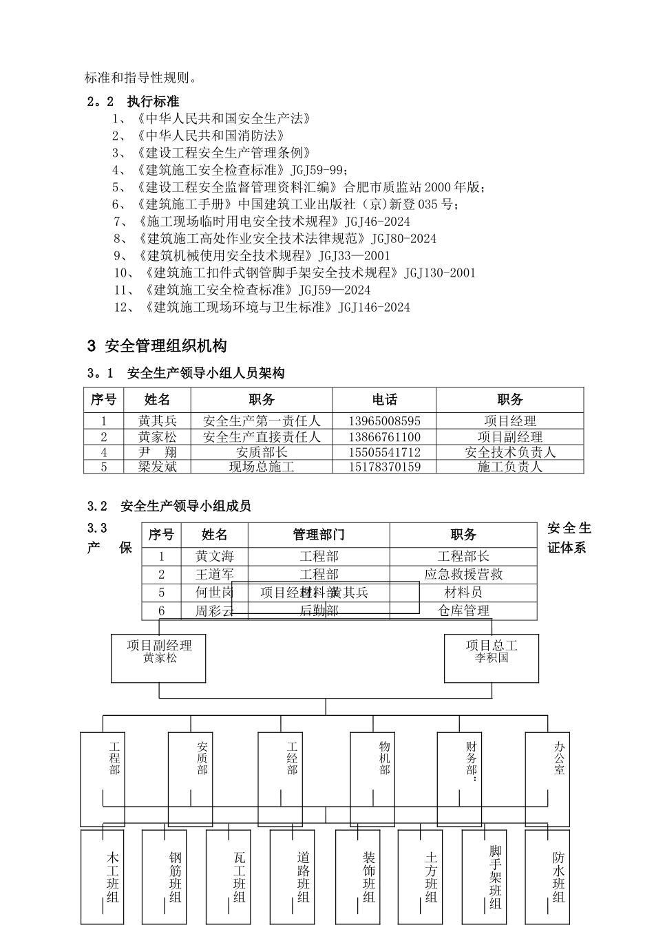
目录1 工程概况 12 编制依据及执行标准 1 3 安全管理组织机构 2 4 安全管理目标 3 5 安全生产责任制 3 6 安全目标责任和管理制度 6 7 专项安全技术措施 7 8 安全标志、消防设施布置图 16 9 安全技术交底 17 10 安全生产检查制度 17 11 现场安全管理制度及管理规定 18 12 施工现场临时用电安全管理规定 22 13 消防安全管理规定 27 14 文明卫生管理 31 15 环境保护措施 35 16 安全生产、文明施工奖罚制度 36 安全专项方案1 工程概况中科院(合肥)技术创新工程院先期建设研发楼项目,占地面积 17018㎡,总建筑面积 23807.46㎡,分主楼和附楼,主楼地上十二层、地下一层,建筑面积 20247.46㎡,辅楼地上二层,建筑面积 3760㎡,工程内容包含建筑、装饰、给排水、电气、消防、暖通、室外配套及绿化景观等工程.质量标准:合格,确保创省级以上(含省级)质量奖。工期要求:计划开工日期:2024 年 07 月 16 日.计划竣工日期:2024 年 9 月 8 日工期总日历天数:420 天安全文明要求:必须确保安全文明施工,国家现行相关规定。2 编制依据及执行标准2.1 编制依据安全控制的目的是保证项目施工中没有危险,不出事故,不造成人身伤亡和财产损失。安全是为质量服务的,质量要以安全作保证,在质量控制的同时,必须加强安全控制,工程质量和施工安全同是工程建设两大永恒主题.由于建筑施工安全控制的难点多,劳保责任重,施工项目安全控制处在企业安全控制的大环境中,施工现场是企业安全控制的重点.因此,建立本工程的安全管理体系、安全责任制、安全技术措施、安全保证措施,作为本工程施工安全过程中实施安全工作的道路班组 标准和指导性规则。2。2 执行标准1、《中华人民共和国安全生产法》2、《中华人民共和国消防法》3、《建设工程安全生产管理条例》4、《建筑施工安全检查标准》JGJ59-99;5、《建设工程安全监督管理资料汇编》合肥市质监站 2000 年版;6、《建筑施工手册》中国建筑工业出版社(京)新登 035 号; 7、《施工现场临时用电安全技术规程》JGJ46-2024 8、《建筑施工高处作业安全技术法律规范》JGJ80-2024 9、《建筑机械使用安全技术规程》JGJ33—2001 10、《建筑施工扣件式钢管脚手架安全技术规程》JGJ130-2001 11、《建筑施工安全检查标准》JGJ59—2024 12、《建筑施工现场环境与卫生标准》JGJ146-20243 安全管理组织机构3。1 安全生产领导小组人员架构3.2 安全生产...

1、当您付费下载文档后,您只拥有了使用权限,并不意味着购买了版权,文档只能用于自身使用,不得用于其他商业用途(如 [转卖]进行直接盈利或[编辑后售卖]进行间接盈利)。
2、本站所有内容均由合作方或网友上传,本站不对文档的完整性、权威性及其观点立场正确性做任何保证或承诺!文档内容仅供研究参考,付费前请自行鉴别。
3、如文档内容存在违规,或者侵犯商业秘密、侵犯著作权等,请点击“违规举报”。

碎片内容

安全专项施工方案(总体方案)

范哲铺+ 关注
实名认证
内容提供者

想你所想,急你所急,你需要的都在店铺里可以找到。

确认删除?
VIP
微信客服
  • 扫码咨询
会员Q群
  • 会员专属群点击这里加入QQ群
客服邮箱
回到顶部