电脑桌面
添加小米粒文库到电脑桌面
安装后可以在桌面快捷访问

安全奖发放管理规定

安全奖发放管理规定_第1页
1/2
安全奖发放管理规定_第2页
2/2
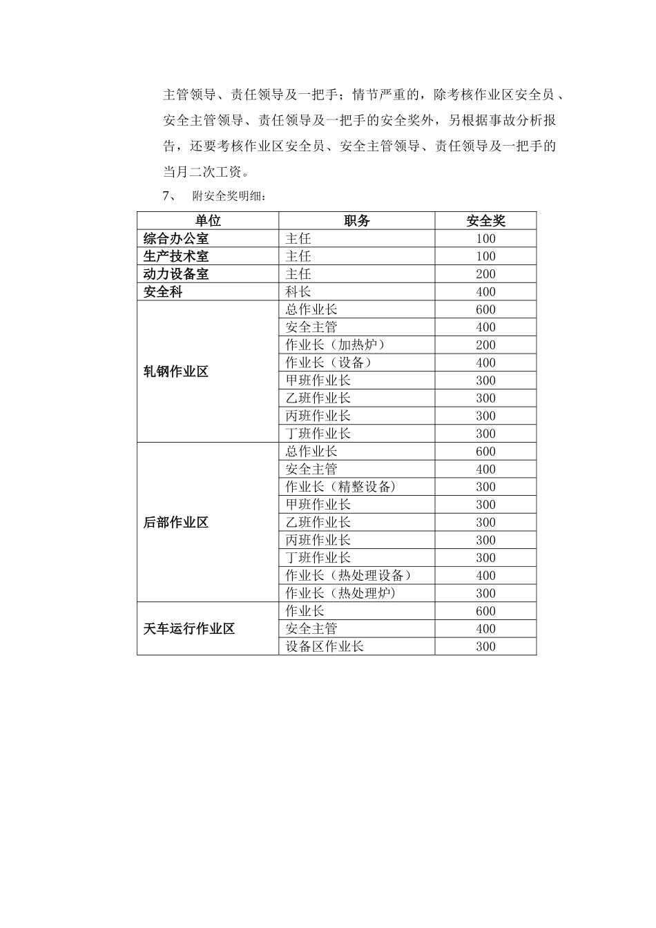
控制号:编号:WG/CM0430—15A舞阳钢铁有限责任公司编制单位:安全科WGISCO页数:第 1 页 共 2 页安全生产责任制度批准日期:2024。11。18安全奖发放管理规定 生效日期:2024.11.18_____________________________________________________________________________1、目的和适用范围: 1.1 目的为贯彻落实《中华人民共和国安全生产法》,进一步明确安全生产责任,切实做好安全生产管理,防止和减少生产安全事故,保护职工的生命和财产安全,推动公司及厂的安全生产工作更好地服务于生产经营活动,制定本制度.1。2 适用范围:厂属各单位。2、管理规定实行安全奖惩制度,应坚持精神鼓舞与物质奖励相结合、思想教育与经济处罚相结合的原则,结合我厂实际情况,制定安全奖发放管理规定如下:1、 公司考核低于五个主体厂的平均数,安全科不承担连带考核.2、 公司考核超过该平均数,安全奖考核安全科科长 30%,安全员15%。3、 公司考核低于该平均数的 80%,奖励安全科科长 200 元,安全员100 元;低于该平均数的 50%,奖励安全科科长 400 元,安全员 200元。4、 公司检查作业区没有考核,奖励相应作业区安全员 50 元、安全主管领导 50 元、作业区一把手 50 元,公司未检查,则不奖励.5、 公司检查作业区有考核情况发生,安全奖考核相应作业区安全员的 15%,安全主管领导 15%,责任领导 15%,一把手 15%.6、 作业区出现轻伤事故,安全奖考核作业区安全员 100%、安全主管领导 100%,责任领导 100%、一把手 100%;出现险肇事故的,根据事故分析报告,安全奖根据 50%—100%考核作业区安全员、安全主管领导、责任领导及一把手;情节严重的,除考核作业区安全员 、安全主管领导、责任领导及一把手的安全奖外,另根据事故分析报告,还要考核作业区安全员、安全主管领导、责任领导及一把手的当月二次工资。7、附安全奖明细:单位职务安全奖综合办公室主任100生产技术室主任100动力设备室主任200安全科科长400轧钢作业区总作业长600安全主管400作业长(加热炉)200作业长(设备)400甲班作业长300乙班作业长300丙班作业长300丁班作业长300后部作业区总作业长600安全主管400作业长(精整设备)300甲班作业长300乙班作业长300丙班作业长300丁班作业长300作业长(热处理设备)400作业长(热处理炉)300天车运行作业区作业长600安全主管400设备区作业长300

1、当您付费下载文档后,您只拥有了使用权限,并不意味着购买了版权,文档只能用于自身使用,不得用于其他商业用途(如 [转卖]进行直接盈利或[编辑后售卖]进行间接盈利)。
2、本站所有内容均由合作方或网友上传,本站不对文档的完整性、权威性及其观点立场正确性做任何保证或承诺!文档内容仅供研究参考,付费前请自行鉴别。
3、如文档内容存在违规,或者侵犯商业秘密、侵犯著作权等,请点击“违规举报”。

碎片内容

安全奖发放管理规定

您可能关注的文档

确认删除?
VIP
微信客服
  • 扫码咨询
会员Q群
  • 会员专属群点击这里加入QQ群
客服邮箱
回到顶部