电脑桌面
添加小米粒文库到电脑桌面
安装后可以在桌面快捷访问

安全标识清单

安全标识清单_第1页
1/3
安全标识清单_第2页
2/3
安全标识清单_第3页
3/3
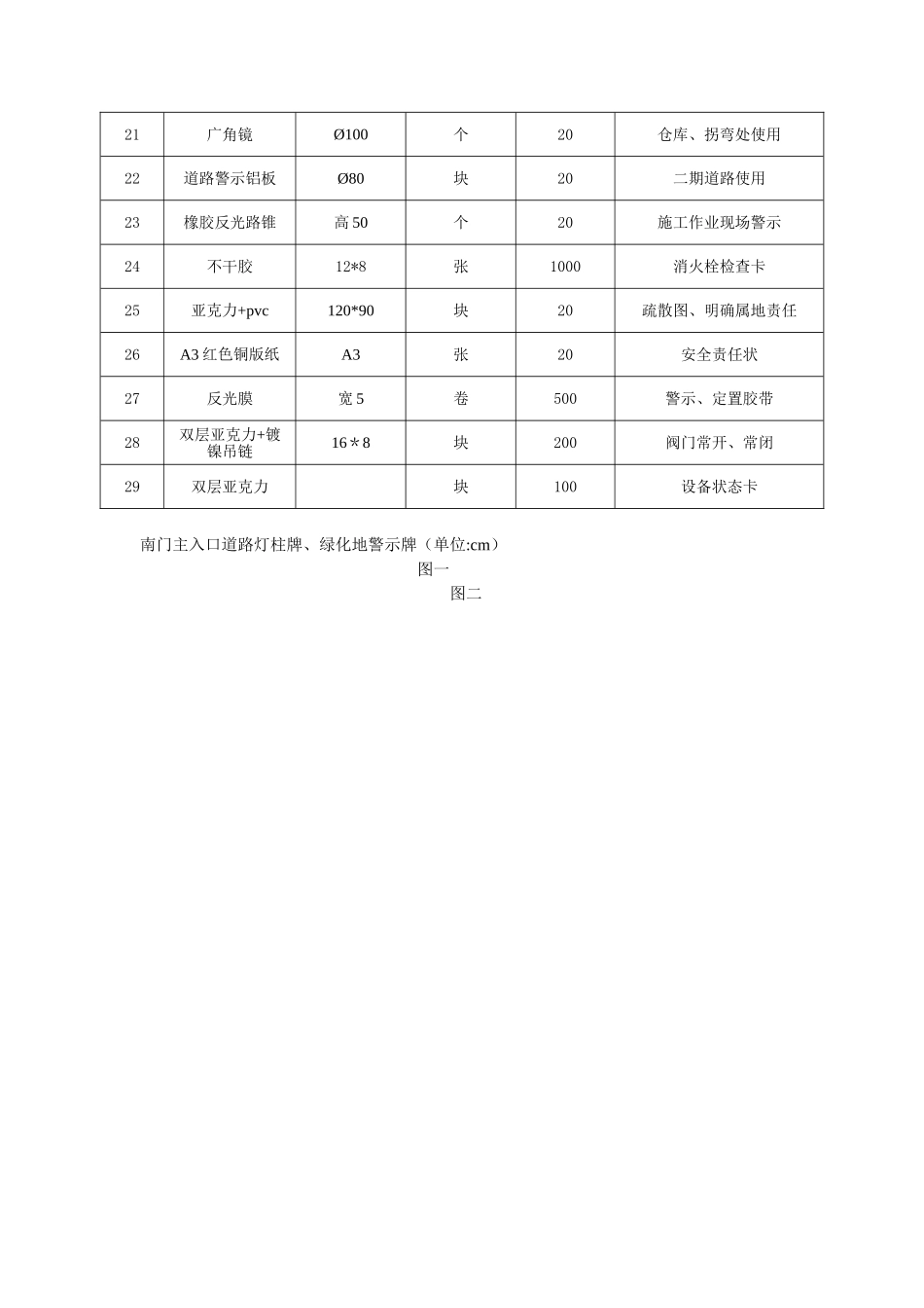
安全标识清单序号材质尺寸(cm)单位数量备注1铝反光(高反)120*90块20职业危害告知卡2铝反光(高反)50*40块300车间内警示标识3铝反光(高反)35*26块200室内警示标识4铝反光(高反)40*16块150存放点标识5铝反光(高反)20*10块100禁止入内等标识6Pvc 板60*40块60操作规程7亚克力90*50块100安全文化标识8双色板雕刻9*5块200配电柜责任人标识9双色板雕刻40*16块50高温、潮湿处警示标识10亚克力盒子30*21张50特种设备检测报告现场存放盒11A4 纸A4 纸 50 张本500安全检查、教育培训的记录本12304 不锈钢立柱 190,预埋 40,管径 5画面 150*50块20绿化带安全标识(立柱+ 框+背板+户外 UV画面见图 1)13镀锌管、喷塑100*40块15南门路灯安全标识(见图2)14反光聚苯乙烯宽度:5卷60管道标识15反光聚苯乙烯宽度:10卷60管道标识16反光聚苯乙烯20*4张500管道标识17反光聚苯乙烯60*10张300管道标识18不锈钢立柱,布质隔离带高度:90;立柱直径:6。3;底盘直径:33;布带长:200个40立柱式警戒带19水牌烤漆丝印55*40块3乘梯须知序号材质尺寸(cm)单位数量备注20钛金立牌(双面 可翻转 立牌支架+画面)块5外来人员告知牌南门主入口道路灯柱牌、绿化地警示牌(单位:cm)图一图二21广角镜Ø100个20仓库、拐弯处使用22道路警示铝板Ø80块20二期道路使用23橡胶反光路锥高 50个20施工作业现场警示24不干胶12*8张1000消火栓检查卡25亚克力+pvc120*90块20疏散图、明确属地责任26A3 红色铜版纸A3张20安全责任状27反光膜宽 5卷500警示、定置胶带28双层亚克力+镀镍吊链16*8块200阀门常开、常闭29双层亚克力块100设备状态卡

1、当您付费下载文档后,您只拥有了使用权限,并不意味着购买了版权,文档只能用于自身使用,不得用于其他商业用途(如 [转卖]进行直接盈利或[编辑后售卖]进行间接盈利)。
2、本站所有内容均由合作方或网友上传,本站不对文档的完整性、权威性及其观点立场正确性做任何保证或承诺!文档内容仅供研究参考,付费前请自行鉴别。
3、如文档内容存在违规,或者侵犯商业秘密、侵犯著作权等,请点击“违规举报”。

碎片内容

安全标识清单

确认删除?
VIP
微信客服
  • 扫码咨询
会员Q群
  • 会员专属群点击这里加入QQ群
客服邮箱
回到顶部