电脑桌面
添加小米粒文库到电脑桌面
安装后可以在桌面快捷访问

安全用电管理组织措施

安全用电管理组织措施_第1页
1/3
安全用电管理组织措施_第2页
2/3
安全用电管理组织措施_第3页
3/3
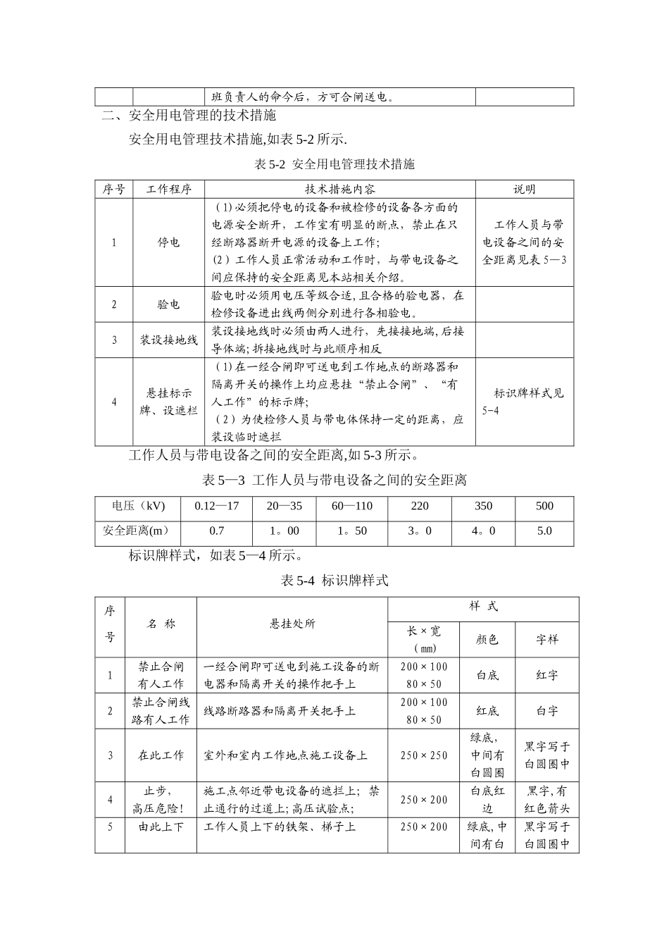
安全用电管理 电力已经成为国民经济各个领域和人民生活不可缺少的部分。随着用电量的大量增加,安全用电矛盾却越来越突出,假如不引起重视,不注意安全,则会造成人身伤亡事故和给国家财产带来巨大损失。第一节 安全用电管理措施与技术措施一、安全用电管理组织措施安全用电管理措施,如表 5-1 所示。表 5-1 安全用电管理组织措施序号工作制度组织措施内容说明1工作票(1)根据工作性质、工作范围的不同,工作票可分为第一种工作票、第二种工作票。(2)工作票具有有效期,以批准的检修期为限。(3)紧急事故处理可不填写工作票,但应履行工作许可手续,做好必要的安全措施。(4)按规程规定,一些工作可以采纳口头或电话命令,但是需要进行清楚的记录。工作票是准许在电气设备或线路上工作的书面命令2工作许可(1)工作许可人需仔细审查工作票所列安全措施。(2)工作许可人会同工作负责人到现场亲自检查安全措施,以手触试,证明检修设备确无电压。(3)对工作负责人指明带电设备的位置和注意事项。(4) 许可人不得擅自变更安全措施。工作许可是指在进行电气工作之前,必须完成的许可手续3工作监护(1)监护人(工作负责人)需向工作人员交代现场安全措施.(2)监护人始终在现场。(3)在容易出现事故的地方,应当增设专责监护人。(4)及时纠正工作人员违反安全操作规程要求的行为。工作监护制度用以保证正确的操作,避开发生人身损害事故4工作间断、转移与终结(1)工作间断分为日内间断和日间间断两种。(2)在同一电气连接部分用同一工作票依次在几个工作地点转移工作时,全部安全措施由值班员在开工前一次完成,不需再办理转移手续,但工作负责人需向工作人员重新交代现场安全措施。(3)工作终结后,需要清理现场,拆除所有接地线、临时遮栏和标示牌,并得到值班调度员或值班负责人的命今后,方可合闸送电。二、安全用电管理的技术措施安全用电管理技术措施,如表 5-2 所示.表 5-2 安全用电管理技术措施序号工作程序技术措施内容说明1停电(1)必须把停电的设备和被检修的设备各方面的电源安全断开,工作室有明显的断点,禁止在只经断路器断开电源的设备上工作;(2)工作人员正常活动和工作时,与带电设备之间应保持的安全距离见本站相关介绍。工作人员与带电设备之间的安全距离见表 5—32验电验电时必须用电压等级合适,且合格的验电器,在检修设备进出线两侧分别进行各相验电。3装设接地线装设接地线时必须由两人进行,先接接地端,后接导体端;拆接...

1、当您付费下载文档后,您只拥有了使用权限,并不意味着购买了版权,文档只能用于自身使用,不得用于其他商业用途(如 [转卖]进行直接盈利或[编辑后售卖]进行间接盈利)。
2、本站所有内容均由合作方或网友上传,本站不对文档的完整性、权威性及其观点立场正确性做任何保证或承诺!文档内容仅供研究参考,付费前请自行鉴别。
3、如文档内容存在违规,或者侵犯商业秘密、侵犯著作权等,请点击“违规举报”。

碎片内容

安全用电管理组织措施

您可能关注的文档

确认删除?
VIP
微信客服
  • 扫码咨询
会员Q群
  • 会员专属群点击这里加入QQ群
客服邮箱
回到顶部