电脑桌面
添加小米粒文库到电脑桌面
安装后可以在桌面快捷访问

安全目标管理责任考核表

安全目标管理责任考核表_第1页
1/10
安全目标管理责任考核表_第2页
2/10
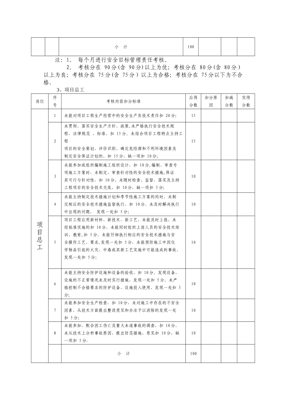
安全目标管理责任考核表_第3页
3/10
安全目标管理责任考核表1、项目经理 岗位序号考核内容扣分标准应得分数扣分原因扣减分数实得分数项目经理1未能对承包项目工程生产经营过程中的安全生产负全面责任,扣 15 分.152未能贯彻落实安全生产方针、政策、法规和各项规章制度,扣 15 分;未能结合项目工程特点及施工全过程的情况,建立项目部的安全生产保证体系,确立安全管理目标,组织安全策划及编制安全生产保证计划,或提出要求,并监督其实施,扣 15 分; 153在组织项目工程业务承包,聘用业务人员时,未能本着安全工作只能加强的原则,未能根据工程特点确定安全工作的管理体制和人员,扣 10 分,未能明确各业务承包人的安全管理目标责任和考核指标,扣 10 分,未能支持、指导安全管理人员的工作,扣 10 分。104未能健全和完善用工管理手续,严格用工制度与管理,扣 10 分,未能适时组织上岗安全教育,扣 10 分,未能对分包队伍的健康与安全负责,扣 5 分,未能加强劳动保护工作,扣 5 分。 105未能组织落实施工组织设计和安全生产保证计划中安全技术措施,扣 l0 分,未能组织并监督项目工程施工中安全技术交底制度和设备、设施验收制度的实施,扣 l0 分。 106未能领导、组织施工现场定期的安全生产检查,扣 10 分,发现施工生产中不安全问题,未能组织制度措施,及时解决,扣 10 分,未能对上级提出的安全生产与管理方面的问题,定时、定人、定措施予以解决,扣 5 分。107未能适时组织对工程项目部的安全生产保证体系进行安全评估,扣 10 分,未能组织人员落实安全评估中提出的改进要求和措施,扣 l0 分。108未能主持参加安全生产保证体系的内审,扣 10 分,未能 积极配合外审认证机构的审核工作,扣 10 分。 109未能定期召开项目部安全生产领导小组会议,扣 5 分,未能布置落实安全生产保证计划控制措施,扣 5 分,未能加强员工的安全培训教育,扣 5 分。510发生事故,未能做好现场保护与抢救工作,扣 5 分,未及时上报,扣 5 分,未组织配合事故的调查,扣 5 分,未仔细落实制定的防范措施,吸取事故教训,扣 5 分。5小 计100注:1。 每个月进行安全目标管理责任考核。 2. 考核分在 90 分(含 90 分)以上为优;考核分在 80 分(含 80 分)以上为良;考核分在 75 分(含 75 分)以上为合格;考核分在 75 分以下为不合格.2、项目副经理 岗位序号考核内容扣分标准应得分数扣分原因扣减分数实得分数项目副经理1未能根据项目安...

1、当您付费下载文档后,您只拥有了使用权限,并不意味着购买了版权,文档只能用于自身使用,不得用于其他商业用途(如 [转卖]进行直接盈利或[编辑后售卖]进行间接盈利)。
2、本站所有内容均由合作方或网友上传,本站不对文档的完整性、权威性及其观点立场正确性做任何保证或承诺!文档内容仅供研究参考,付费前请自行鉴别。
3、如文档内容存在违规,或者侵犯商业秘密、侵犯著作权等,请点击“违规举报”。

碎片内容

安全目标管理责任考核表

办公文档专营+ 关注
实名认证
内容提供者

大量办公文档,欢迎选择

确认删除?
VIP
微信客服
  • 扫码咨询
会员Q群
  • 会员专属群点击这里加入QQ群
客服邮箱
回到顶部