电脑桌面
添加小米粒文库到电脑桌面
安装后可以在桌面快捷访问

安全防护用品发放及管理规定

安全防护用品发放及管理规定_第1页
1/2
安全防护用品发放及管理规定_第2页
2/2
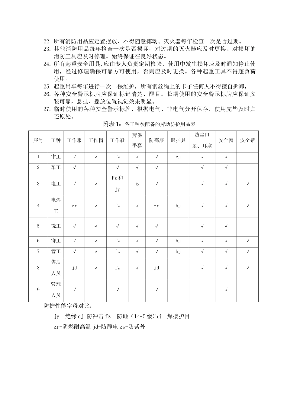
安全防护用品发放及管理规定一 目的为保证员工的身体健康和安全生产,公司为员工配备劳动保护用品,劳动保护用品有:普通工作服、防静电工作服、防寒服、安全鞋、安全帽、绝缘鞋、手套、毛巾、洗衣粉、肥皂、护目镜。有关上述劳保用品的发放管理办法如下:二 范围本规定只适用技术装备部生产制造部。三 内容1.各工种工作服的配备:见附表 1:各工种须配备的劳动防护用品表。2.工作服的配备:钳工、车工、电工、铣工、铆工、管工每年发一套夏季普通工作服,电焊工每年发一套阴燃耐高温工作服,售后服务人员每年发一套防静电工作服。管理人员每年发一套劳保工作服.发放时间为每年的 5 月份.3.工作帽的配备:钳工、车工、电工、铣工、铆工、管工、电焊工、售后服务人员防风、防尘、防辐射工帽的领用是以按需领用.4.工作鞋的配备:钳工、电工、铆工、管工、电焊工、售后服务人员配备防砸工作鞋,车工、铣工配工作鞋,电工配备防砸且绝缘的工作鞋。管理人员配工作鞋。夏季工鞋每一年一双,冬季工鞋每两年一双。发放时间为每年的 5 月份。5.劳保手套的配备:各工种按需领用。6.防寒服的配备:钳工、车工、电工、铣工、铆工、管工每两年发一套防寒服,电焊工每两年发一套阴燃耐高温防寒服,售后服务人员每两年发一套防静电防寒服。管理人员每两年发一套劳保防寒服。发放时间为每年的 5 月份。7.眼护具的配备:各工种按需领用所需护目用具。8.防尘口罩及耳塞的配备:各工种按需领用防尘口罩及耳塞。9.安全帽的配备:延庆基地车间人员及相关管理人员人均配备。10. 安全带的配备:各工种按需领用安全带。11. 每季度操作岗员工发放香皂一块,洗衣粉一袋,肥皂一块,毛巾一条。12. 综合室配备创可贴、紫药水、砂布、急救包的急救用品以备紧急情况使用。13. 驾驶员配备防紫外护目用具,按需领用.14. 所有安全用具必须是安全可靠,且经过与管单位鉴定有合格证的用品方可使用,不得使用损坏、过期、无效的、无鉴定合格证的安全防护用品。15. 安全防护用品每年自检一次,使用中发生损坏使用者应及时修理、或者更换,并报告有关管理人员。不得隐瞒不报、和弄虚作假隐瞒真实情况。16. 所有安全用具应定置管理,不得随意挪动乱丢乱放,或作他用,不允许随意拆卸。安全用具不允许超规格使用。17. 所有安全用具应有专人进行保管,并负责提交有关人员进行年检。18. 登高安全用具应根据情况做到随时损坏随时修理、随时更换。19. 绝缘鞋、绝缘手套新购进时应经过...

1、当您付费下载文档后,您只拥有了使用权限,并不意味着购买了版权,文档只能用于自身使用,不得用于其他商业用途(如 [转卖]进行直接盈利或[编辑后售卖]进行间接盈利)。
2、本站所有内容均由合作方或网友上传,本站不对文档的完整性、权威性及其观点立场正确性做任何保证或承诺!文档内容仅供研究参考,付费前请自行鉴别。
3、如文档内容存在违规,或者侵犯商业秘密、侵犯著作权等,请点击“违规举报”。

碎片内容

安全防护用品发放及管理规定

范哲铺+ 关注
实名认证
内容提供者

想你所想,急你所急,你需要的都在店铺里可以找到。

确认删除?
VIP
微信客服
  • 扫码咨询
会员Q群
  • 会员专属群点击这里加入QQ群
客服邮箱
回到顶部