电脑桌面
添加小米粒文库到电脑桌面
安装后可以在桌面快捷访问

室内装饰装修工程检验批质量验收记录表

室内装饰装修工程检验批质量验收记录表_第1页
1/27
室内装饰装修工程检验批质量验收记录表_第2页
2/27
室内装饰装修工程检验批质量验收记录表_第3页
3/27
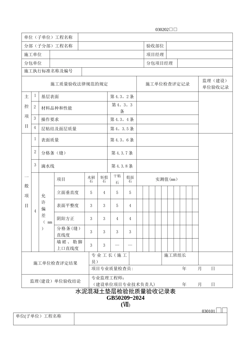
一般抹灰工程检验批质量验收记录表GB50210—2001030201单位(子单位)工程名称分部(子分部)工程名称验收部位施工单位项目经理分包单位分包项目经理施工执行标准名称及编号施工质量验收法律规范的规定施工单位检查评定记录监理(建设)单位验收记录主控项目1基层表面第 4。2。2条2材料品种和性能第 4.2.3 条3操作要求第 4。2。4条4层粘结及面层质量第 4.2.5 条一般项目1表面质量第 4。2。6条2细部质量第 4.2。7条3层与层间材料要求层总厚度第 4。2。8条4分格缝第 4。2。9条5滴水线(槽)第4。2。10条6允许偏差第 4。2.11条施工单位检查评定结果专业工长(施工员)施工班组长项目专业质量检查员:年月日监理(建设)单位验收结论专业监理工程师:(建设单位项目专业技术负责人):年月日装饰抹灰工程检验批质量验收记录表GB50210-2001 030202□□单位(子单位)工程名称分部(子分部)工程名称验收部位施工单位项目经理分包单位分包项目经理施工执行标准名称及编号施工质量验收法律规范的规定施工单位检查评定记录监理(建设)单位验收记录主控项目1基层表面第 4.3。2 条2材料品种和性能第 4。3。3条3操作要求第 4.3。4 条4层粘结及面层质量第 4。3.5 条一般项目1表面质量第 4.3。6 条2分格条(缝)第 4.3.7 条3滴水线第 4.3.8 条4允许偏差( mm)项目水刷石斩假石干粘石假面石实测值(mm)立面垂直度5455表面平整度3354阴阳方正3344分格条(缝)直线度3333墙 裙 、 勒 脚上口直线度33——施工单位检查评定结果专 业 工 长 ( 施 工员)施工班组长项目专业质量检查员: 年 月 日监理(建设)单位验收结论专业监理工程师:(建设单位项目专业技术负责人) 年 月 日水泥混凝土垫层检验批质量验收记录表GB50209-2024(Ⅶ)030101单位(子单位)工程名称分部(子分部)工程名称验收部位施工单位项目经理分包单位分包项目经理施工执行标准名称及编号施工质量验收法律规范的规定施工单位检查评定记录监理(建设)单位验收记录主控项目1材料质量设计要求2混凝土强度等级设计要求一般项目1允许偏差表面平整度10mm2标高±10mm3坡度2/1000,且≯30mm4厚度〈1/10施工单位检查评定结果专业工长(施工员)施工班组长项目专业质量检查员:年月日监理(建设)单位验收结论专业监理工程师:(建设单位项目专业技术负责人):年月日隔离层检验批质量验收记录表GB50209—2024(Ⅸ)030101单位(子单位)工程名称分部(子分部)工程名称验收部位...

1、当您付费下载文档后,您只拥有了使用权限,并不意味着购买了版权,文档只能用于自身使用,不得用于其他商业用途(如 [转卖]进行直接盈利或[编辑后售卖]进行间接盈利)。
2、本站所有内容均由合作方或网友上传,本站不对文档的完整性、权威性及其观点立场正确性做任何保证或承诺!文档内容仅供研究参考,付费前请自行鉴别。
3、如文档内容存在违规,或者侵犯商业秘密、侵犯著作权等,请点击“违规举报”。

碎片内容

室内装饰装修工程检验批质量验收记录表

人从众+ 关注
实名认证
内容提供者

欢迎光临小店,本店以公文和教育为主,希望符合您的需求。

相关文档

确认删除?
VIP
微信客服
  • 扫码咨询
会员Q群
  • 会员专属群点击这里加入QQ群
客服邮箱
回到顶部