电脑桌面
添加小米粒文库到电脑桌面
安装后可以在桌面快捷访问

室外无线覆盖施工组织方案

室外无线覆盖施工组织方案_第1页
1/10
室外无线覆盖施工组织方案_第2页
2/10
室外无线覆盖施工组织方案_第3页
3/10
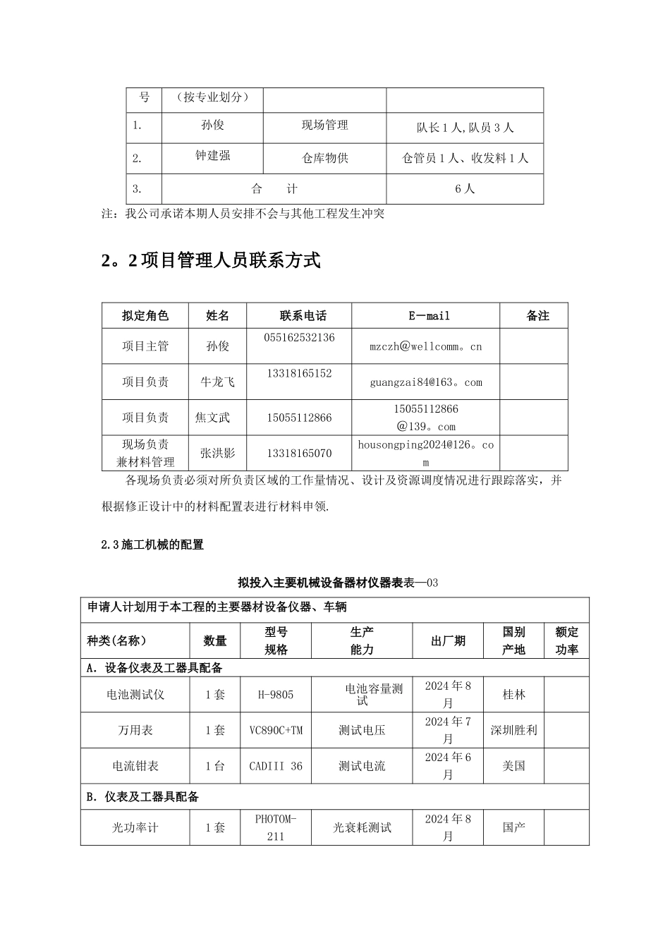
**镇工程项目施工组织方案项目经理 (签名):编制日期:2024 年 8 月公司:中国移动通信集团1 工程概况及特点1.1 工程概况工程简述:本工程名称是芜湖市南陵县大浦镇 WLAN 热点建设工程,概括了各 WIFI热点 AP 设备、HUB 设备和相应国内配套设备的硬件安装,以及 AP 设备至 Hub 设备的以太网线及 AP 设备至室外供电箱的线缆布放,室外 AP 设备的简易地网的制作,AP 设备的软硬件调测,电源线和保护地线的布线,包括配套电源及接线端子的等部分。该工程的本期工期为 7 天,本次主要进行本期工程的施工组织。工程承包范围:各 WIFI 热点 AP 设备、HUB 设备和相应国内配套设备的硬件安装,以及AP 设备至 ADSL Hub 设备的以太网线及 AP 设备至外置室外配电箱的馈线的线缆布放,室外 AP 设备的简易地网的制作,AP 设备的软硬件调测,电源线和保护地线的布线,包括配套电源及接线端子的等部分。 1。2 工程特点工程特点:流程长;响应速度和客户要求高;点多分散,(现场管理)资源协调需求较大,运作相对困难;协调环节多.影响施工的主要和特别环节分析:流程长:勘查-〉设计、方案->施工-〉验收->完工;响应速度和客户要求高;点多分散,(现场管理)人力资源需求较大,运作相对困难。在施工管理及实施过程中必须制定更合理有效的施工计划和严密的施工流程;涉及在公共场所以及非公共场所施工方面,往往受所在场所负责人的各种主观因数而影响工期,故需协调的环节较多;必须有充足的后备施工力量,以保证解决突发的工程量增加情况和工程进度的应急措施.2 施工现场组织机构2。1 组织机构关系图姓名本公司从事施工经验项 目 经理有十多年施工和管理经验,从事多年交换接入、传输、管线等项目施工和管理.实 施 经理有十多年施工和管理经验,从事多年传输、交换和电源等项目施工和管理。实施工程师有多年施工和管理经验,从事多年交换接入、传输、管线等项目施工和管理.调试工程师有多年技术支撑经验,从事多年交换接入、传输、管线等项目调试工作。安全及保管员有多年行业经验,及安全培训管理经验组织人员配备:领导小组:以项目经理施义军(联系电话:055162532136 为首的领导小组,负责整个工程的监督管理,处理投诉,协调各方面的关系以及后勤保障工作,为工程提供充足的人力、物力、财力,把握工程进度,保证工程质量,保证工程高质、高效完成。施工队伍情况表表—01领导小组:姓名目前职务本公司从事施工经验施义...

1、当您付费下载文档后,您只拥有了使用权限,并不意味着购买了版权,文档只能用于自身使用,不得用于其他商业用途(如 [转卖]进行直接盈利或[编辑后售卖]进行间接盈利)。
2、本站所有内容均由合作方或网友上传,本站不对文档的完整性、权威性及其观点立场正确性做任何保证或承诺!文档内容仅供研究参考,付费前请自行鉴别。
3、如文档内容存在违规,或者侵犯商业秘密、侵犯著作权等,请点击“违规举报”。

碎片内容

室外无线覆盖施工组织方案

确认删除?
VIP
微信客服
  • 扫码咨询
会员Q群
  • 会员专属群点击这里加入QQ群
客服邮箱
回到顶部