电脑桌面
添加小米粒文库到电脑桌面
安装后可以在桌面快捷访问

山体边坡支护方案

山体边坡支护方案_第1页
1/8
山体边坡支护方案_第2页
2/8
山体边坡支护方案_第3页
3/8
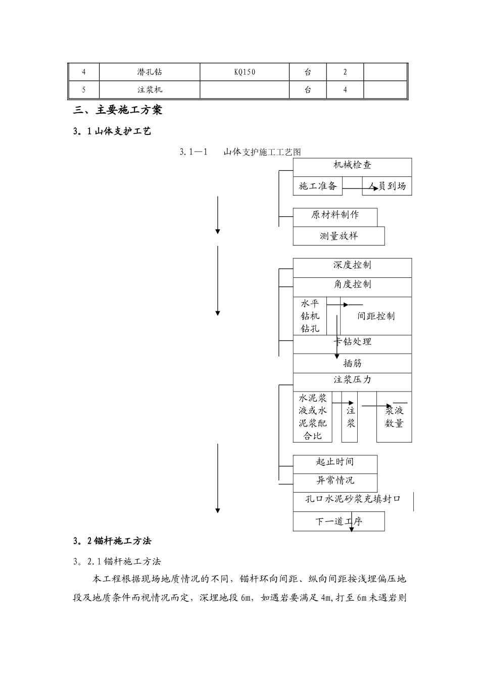
目 录一、工程概况 1二、施工组织 12。1 临建设施 12.2 施工机械设备 1三、主要施工方案 13。1 山体支护工艺 13。2 锚杆施工方法 3四、喷浆技术施工 3五、质量保证措施 45.1 组织体系 45。2 控制程序 45。3 施工过程质量控制措施 65。4 质量检验评定控制措施 65。5 测量双检制度 65。6 钻孔控制 65。7 注浆施工 6六、脚手架搭设 7七、安全保证措施 77。1 安全生产措施 77。2 安全应急救援预案 8八、环境保护 9一、工程概况本工程位于温州市文成县黄坦镇沙垟村山脚下,山坡长约 150m.山体表面无大的地表水体,雨季时地表水主要汇合于山沟低洼处向山下排泄,地表水水量受季节降水影响,垂直下渗量不大,地下水为松散岩孔隙潜水和基岩裂隙水主要补给源为大气降水,受降水和裂隙发育条件控制.无不良地质及特别岩土现象,地震动峰值加速度 0。05g,地震动反应谱特征周期为 0.35s.二、施工组织2。1 临建设施材料库、搅拌机、配电箱等设施分别布置在场地内空闲的地方。2.2 施工机械设备主要设备表序号设 备 名 称规 格 型 号单 位数 量备 注1搅拌站JS500JS750套22空压机20。0m3台163砼喷射机HPC6台84潜孔钻KQ150台25注浆机台4三、主要施工方案3。1 山体支护工艺3.1—1 山体支护施工工艺图机械检查施工准备人员到场原材料制作测量放样深度控制角度控制水平钻机钻孔间距控制卡钻处理插筋注浆压力水泥浆液或水泥浆配合比注浆浆液数量起止时间异常情况孔口水泥砂浆充填封口下一道工序3。2 锚杆施工方法3。2.1 锚杆施工方法本工程根据现场地质情况的不同,锚杆环向间距、纵向间距按浅埋偏压地段及地质条件而视情况而定,深埋地段 6m,如遇岩要满足 4m,打至 6m 未遇岩则要打至岩石.锚杆外插角 5º~10º,根据实际施工情况调整,采纳机人工成孔后安装,锚杆尾部外露足够长度。3.2。2 锚杆施工技术措施锚杆间距根据围岩状况确定,地质变化时,锚杆参数也随之变化。锚杆的水平夹角根据地质条件确定,并严格控制。钻锚杆孔前,根据设计要求和围岩情况,定出孔位,做好标记.孔位、孔深、孔径符合设计要求。锚杆原材料型号、规格、品种、各部件质量及技术性能符合设计要求,注浆及锚固剂材料质量确保合格.灌浆锚杆安装前除去油污锈蚀,安装时孔内灌注浆饱满,灌注后锚杆各剩余长度不大于喷射混凝土的厚度.四、喷浆技术施工4。1、 施工工艺边坡修坡→插筋及安装钢筋骨架→面挂镀锌钢丝网→喷细石砼(养护)→边坡...

1、当您付费下载文档后,您只拥有了使用权限,并不意味着购买了版权,文档只能用于自身使用,不得用于其他商业用途(如 [转卖]进行直接盈利或[编辑后售卖]进行间接盈利)。
2、本站所有内容均由合作方或网友上传,本站不对文档的完整性、权威性及其观点立场正确性做任何保证或承诺!文档内容仅供研究参考,付费前请自行鉴别。
3、如文档内容存在违规,或者侵犯商业秘密、侵犯著作权等,请点击“违规举报”。

碎片内容

山体边坡支护方案

您可能关注的文档

确认删除?
VIP
微信客服
  • 扫码咨询
会员Q群
  • 会员专属群点击这里加入QQ群
客服邮箱
回到顶部