电脑桌面
添加小米粒文库到电脑桌面
安装后可以在桌面快捷访问

崇仁县安全生产常用监督检查表

崇仁县安全生产常用监督检查表_第1页
1/49
崇仁县安全生产常用监督检查表_第2页
2/49
崇仁县安全生产常用监督检查表_第3页
3/49
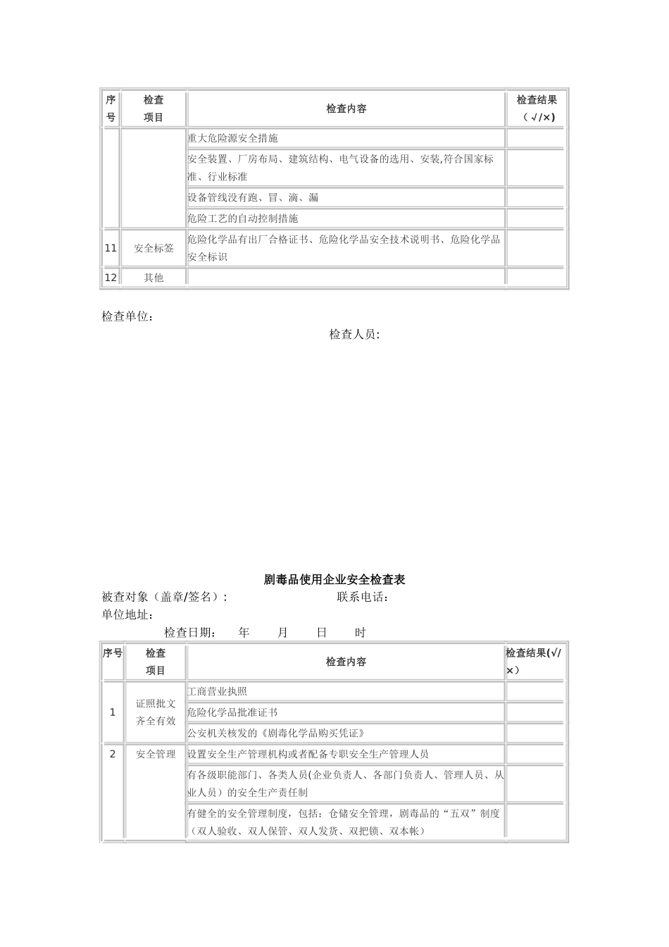
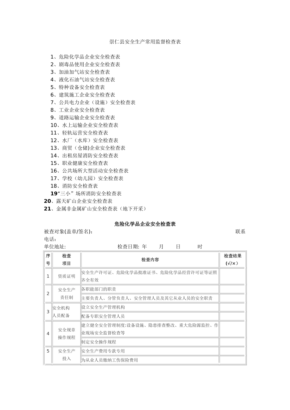
崇仁县安全生产常用监督检查表 1、危险化学品企业安全检查表 2、剧毒品使用企业安全检查表 3、加油加气站安全检查表 4、液化石油气站安全检查表 5、特种设备安全检查表 6、建筑施工企业安全检查表 7、公共电力企业(设施)安全检查表 8、工业企业安全检查表 9、道路运输企业安全检查表 10、水上运输企业安全检查表 11、轻轨运营安全检查表 12、水厂(水库)安全检查表 13、商贸(仓储)企业安全检查表 14、出租房屋消防安全检查表 15、职业健康安全检查表 16、公共场所大型活动安全检查表 17、学校(幼儿园)安全检查表 18、消防安全检查表 19“三小”场所消防安全检查表20、露天矿山企业安全检查表21、金属非金属矿山安全检查表(地下开采) 危险化学品企业安全检查表被查对象(盖章/签名): 联系电话:单位地址: 检查日期: 年 月 日 时序号检查项目检查内容检查结果(√/×)1资质证明安全生产许可证、危险化学品批准证书、危险化学品经营许可证等证照齐全有效 2安全生产责任制各职能部门的职责 主要负责人、分管负责人、安全管理人员及其它从业人员的安全职责 3安全机构人员配备设立安全生产管理机构 配备专职安全管理人员 4安全规章操作规程建立健全安全管理制度:设备设施、隐患排查整改、重大危险源监控、作业现场安全监督检查等 制定安全操作规程 5安全生产投入安全生产费用专款专用 为从业人员缴纳工伤保险费用 保证新建、改建、扩建项目“三同时”资金投入 6安全培训教育建立健全安全培训教育制度 从业人员的安全培训教育有培训、有考核 企业负责人、安全管理人员培训取证;特种作业人员持证上岗 易燃易爆化学物品生产从业人员经过专门的消防安全培训,并持证上岗 7应急管理建立有专(兼)职应急救援队伍或与相关应急救援队伍签订协议,应急救援物资设备配备齐全,应急救援预案制订并演练 8事故处理有事故管理制度对发生的事故根据“四不放过”的原则处理,并落实事故整改措施 9“三同时"管理新、改、扩建设项目有“三同时”审查 按规定进行了安全评价 10现场管理车间、仓库、员工宿舍设置符合有关安全生产法律、法规的规定,不存在“三合一"现象 车间、仓库、员工宿舍按规定设置安全出口、消防疏散通道畅通;消防器材设施按规定配置;消防设施、灭火器材有专人维护、管理 厂房建筑符合建筑设计防火法律规范和有关专业防火法律规范的要求 生产场所的防雷装置完好,并定期检测 易燃易爆化学物品...

1、当您付费下载文档后,您只拥有了使用权限,并不意味着购买了版权,文档只能用于自身使用,不得用于其他商业用途(如 [转卖]进行直接盈利或[编辑后售卖]进行间接盈利)。
2、本站所有内容均由合作方或网友上传,本站不对文档的完整性、权威性及其观点立场正确性做任何保证或承诺!文档内容仅供研究参考,付费前请自行鉴别。
3、如文档内容存在违规,或者侵犯商业秘密、侵犯著作权等,请点击“违规举报”。

碎片内容

崇仁县安全生产常用监督检查表

确认删除?
VIP
微信客服
  • 扫码咨询
会员Q群
  • 会员专属群点击这里加入QQ群
客服邮箱
回到顶部