电脑桌面
添加小米粒文库到电脑桌面
安装后可以在桌面快捷访问

工程WHS质量控制点明细表

工程WHS质量控制点明细表_第1页
1/17
工程WHS质量控制点明细表_第2页
2/17
工程WHS质量控制点明细表_第3页
3/17
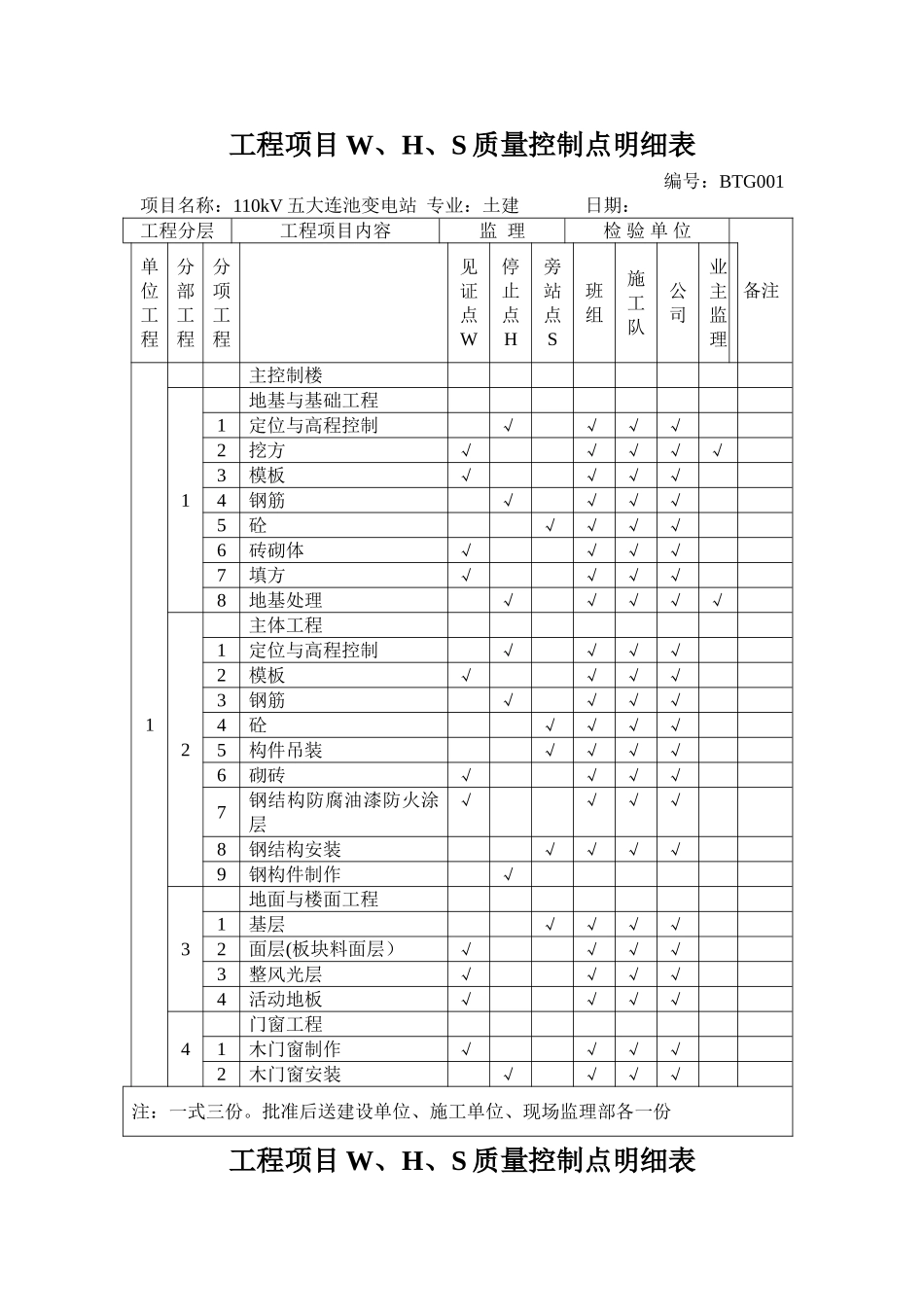
工程项目 W、H、S 质量控制点明细表编号:BTG001项目名称:110kV 五大连池变电站 专业:土建 日期:工程分层工程项目内容监 理检 验 单 位备注单位工程分部工程分项工程见证点W停止点H旁站点S班组施工队公司业主监理1主控制楼1地基与基础工程1定位与高程控制√√√√2挖方√√√√√3模板√√√√4钢筋√√√√5砼√√√√6砖砌体√√√√7填方√√√√8地基处理√√√√√2主体工程1定位与高程控制√√√√2模板√√√√3钢筋√√√√4砼√√√√5构件吊装√√√√6砌砖√√√√7钢结构防腐油漆防火涂层√√√√8钢结构安装√√√√9钢构件制作√3地面与楼面工程1基层√√√√2面层(板块料面层)√√√√3整风光层√√√√4活动地板√√√√4门窗工程1木门窗制作√√√√2木门窗安装√√√√注:一式三份。批准后送建设单位、施工单位、现场监理部各一份工程项目 W、H、S 质量控制点明细表编号:BTG002项目名称:110kV 五大连池变电站专业:土建 日期:工程分层工程项目内容监 理检 验 单 位备注单位工程分部工程分项工程见证点W停止点H旁站点S班组施工队公司业主监理3(防火门)钢门窗安装√√√√4铝合金门窗安装√√√√5屋面工程1找平层√√√√2保温隔热层√√√√3防水层√√√√4水落管√√√√6电缆沟道1模板√√√√2钢筋√√√√√3砼√√√√4沟道砌筑√√√√5盖板制作、安装√√√√6预埋件安装√√√√7水暖、卫生工程1给水管道安装√√√√2排水管道安装√√√√3卫生器具及配件安装√√√√8电气照明工程1配管、配线√√√√2照明器具及配电箱工程√√√√3通讯防雷接地√√√√9楼梯工程1楼梯梁、平台、踏步模板√√√√2楼梯梁、平台、踏步钢筋√√√√3楼梯梁、平台、踏步砼√√√√10通风与空调工程1风管及部件安装√√√√2通风机安装√√√√注:一式三份.批准后送建设单位、施工单位、现场监理部各一份工程项目 W、H、S 质量控制点明细表编号:BTG003项目名称:110kV 五大连池变电站 专业:土建 日期:工程分层工程项目内容监 理检 验 单 位备注单位工程分部工程分项工程见证点W停止点H旁站点S班组施工队公司业主监理210kv 配电室1地基与基础工程1单位工程定位放线√√√√2挖方√√√√3模板√√√√4钢筋√√√√5砼√√√√6砖砌体√√√√7填方√√√√8地基处理√√√√2主体工程1模板√√√√2钢筋√√√√3砼√√√√4构件吊装√√√√5砌砖√√√√3地面与楼面工程1基层√√√√2面层√...

1、当您付费下载文档后,您只拥有了使用权限,并不意味着购买了版权,文档只能用于自身使用,不得用于其他商业用途(如 [转卖]进行直接盈利或[编辑后售卖]进行间接盈利)。
2、本站所有内容均由合作方或网友上传,本站不对文档的完整性、权威性及其观点立场正确性做任何保证或承诺!文档内容仅供研究参考,付费前请自行鉴别。
3、如文档内容存在违规,或者侵犯商业秘密、侵犯著作权等,请点击“违规举报”。

碎片内容

工程WHS质量控制点明细表

确认删除?
VIP
微信客服
  • 扫码咨询
会员Q群
  • 会员专属群点击这里加入QQ群
客服邮箱
回到顶部